| Обозначение: |  ГОСТ 15060-95 |
| Статус: | действующий |
| Название рус.: | Дизели автотракторные. Насосы топливные высокого давления. Габаритные и присоединительные размеры |
| Название англ.: | Motor and tractor diesels. Fuel pumps for high pressure. External and mounting dimensions |
| Дата актуализации текста: | 06.04.2015 |
| Дата актуализации описания: | 01.07.2023 |
| Дата регистрации: | 12.10.1995 |
| Дата издания: | 23.12.1996 |
| Дата введения: | 01.01.1997 |
| Код ОКП: | 457140;475000 |
| Взамен: | ГОСТ 15060-77 |
| Нормативные ссылки: | ГОСТ 10549-80; ГОСТ 10578-86 |
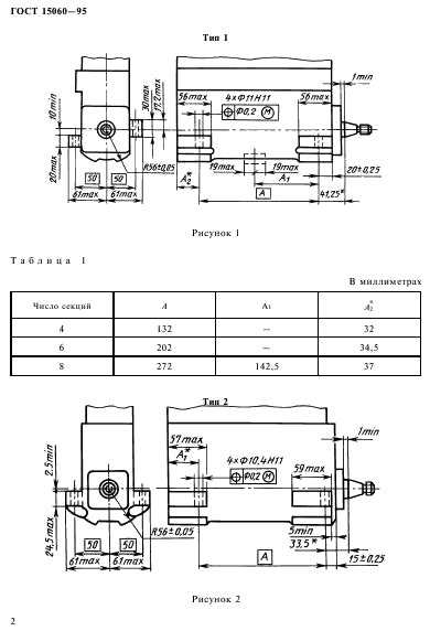
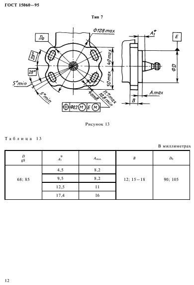
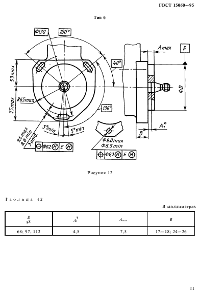
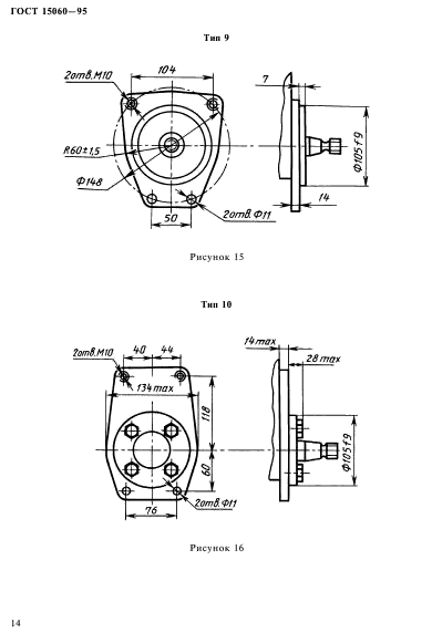
| Область применения: | Настоящий стандарт устанавливает присоединительные размеры топливных насосов высокого давления с креплением за приливы корпуса, устанавливаемых на основание, и фланцевым креплением |
|