| Обозначение: |  ГОСТ 16247-70 |
| Статус: | действующий |
| Название рус.: | Формы металлические (кокили). Приспособления для выталкивания отливок. Конструкция и размеры |
| Название англ.: | Chill moulds. Devices for push of castings. Construction and dimensions |
| Дата актуализации текста: | 06.04.2015 |
| Дата актуализации описания: | 01.07.2023 |
| Дата издания: | 01.05.1982 |
| Дата введения: | 01.01.1972 |
| Код ОКП: | 396190 |
| Взамен: | МН 758-60 |
| Нормативные ссылки: | ГОСТ 16246-70; ГОСТ 1491-80; ГОСТ 16262-70; ГОСТ 1050-74; ГОСТ 16093-81; ГОСТ 1435-74 |
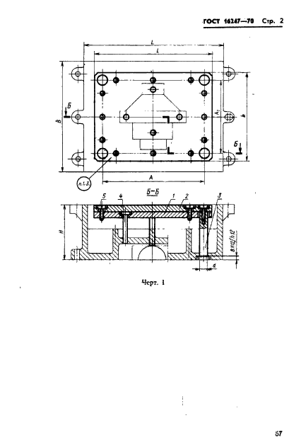
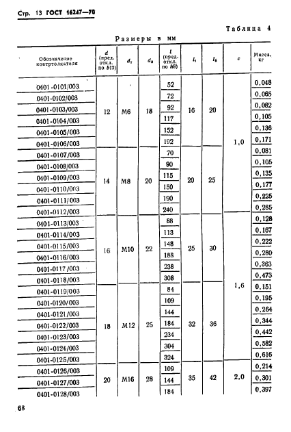
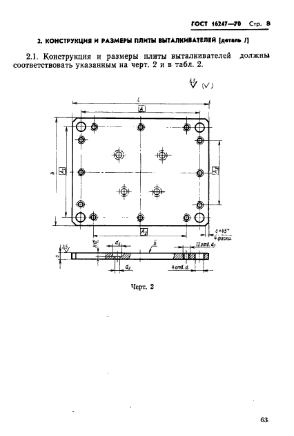
| Область применения: | Настоящий стандарт распространяется на приспособления для выталкивания отливок, применяемые в металлических формах с параллельным разъемом, и устанавливает их конструкцию и размеры |
| Список изменений: | №1 от 31.05.1981 (рег. 14.11.1980) «Срок действия продлен» |
|