| Обозначение: |  ГОСТ 17516-72 |
| Статус: | действующий |
| Название рус.: | Изделия электротехнические. Условия эксплуатации в части воздействия механических факторов внешней среды |
| Название англ.: | Electrical articles. Operating conditions as to environment mechanical aspects influence |
| Дата актуализации текста: | 06.04.2015 |
| Дата актуализации описания: | 01.12.2024 |
| Дата издания: | 01.05.1980 |
| Дата введения: | 01.07.1973 |
| Код ОКП: | 330000;340000 |
| Заменяющий в части: | ГОСТ 16962.2-90 в части методов механических испытаний электротехнических изделий народнохозяйственного назначения; ГОСТ 17516.1-90 в части требований по механическим воздействиям к электротехническим изделиям народнохозяйственного назначения |
| Нормативные ссылки: | ГОСТ 16962-71 |
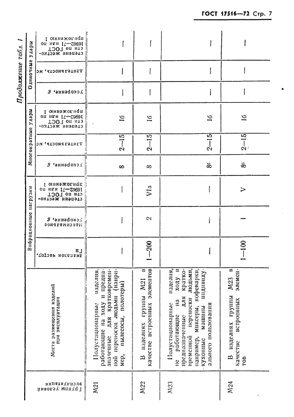
| Область применения: | Настоящий стандарт распространяется на электротехнические изделия и устанавливает группы условий эксплуатации изделий в зависимости от места их размещения при эксплуатации и вида объектов |
| Список изменений: | №1 от 01.04.1977 (рег. 18.01.1977) «Срок действия продлен» №2 от 01.01.1991 (рег. 22.05.1990) «Срок действия продлен» |
|