| Обозначение: |  ГОСТ 19274-73 |
| Статус: | действующий |
| Название рус.: | Передачи зубчатые цилиндрические эвольвентные внутреннего зацепления. Расчет геометрии |
| Название англ.: | Cylindrical involute internal gear pairs. Calculation of geometry |
| Дата актуализации текста: | 06.04.2015 |
| Дата актуализации описания: | 01.07.2023 |
| Дата издания: | 01.06.1992 |
| Дата введения: | 01.01.1975 |
| Нормативные ссылки: | ГОСТ 2.403-68; ГОСТ 2475-62; ГОСТ 9323-60; ГОСТ 9587-68; ГОСТ 10059-62; ГОСТ 13755-68; ГОСТ 16530-70; ГОСТ 16531-70; ГОСТ 16532-70 |
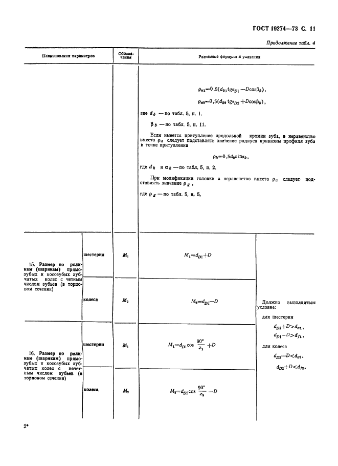
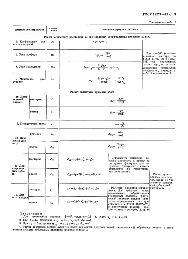
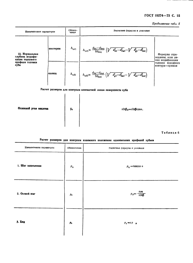
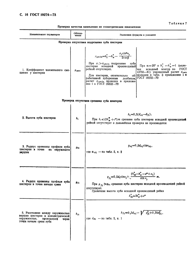
| Область применения: | Настоящий стандарт распространяется на зубчатые передачи с постоянным передаточным отношением, зубчатые колеса которых соответствуют исходным контурам с равными делительными номинальными толщиной зуба и шириной впадины, с делительной прямой, делящей глубину захода пополам, без модификации и с модификацией головки |
|