| Обозначение: |  ГОСТ 19957-74 |
| Статус: | действующий |
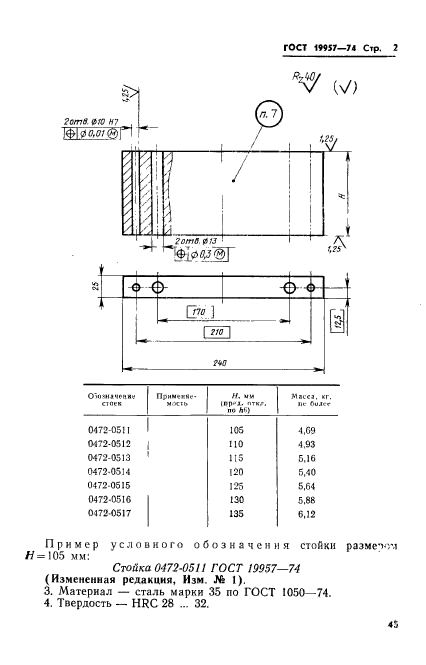
| Название рус.: | Стойки пресс-форм для выплавляемых моделей. Конструкция и размеры |
| Название англ.: | Struts for wax-pattern dies. Design and dimensions |
| Дата актуализации текста: | 06.04.2015 |
| Дата актуализации описания: | 01.07.2023 |
| Дата издания: | 01.04.1982 |
| Дата введения: | 01.01.1976 |
| Код ОКП: | 396650 |
| Взамен в части: | МН 4302-63 в части конструкции стойки |
| Нормативные ссылки: | ГОСТ 1050-74; ГОСТ 19999-74 |
| Область применения: | Настоящий стандарт распространяется на стойки, применяемые в пресс-формах, устанавливаемых на автоматах для изготовления модельных звеньев в автоматизированном производстве литья по выплавляемым моделям |
| Список изменений: | №1 от 01.10.1982 (рег. 03.05.1982) «Срок действия продлен» |
|