| Обозначение: |  ГОСТ 21762-76 |
| Статус: | действующий |
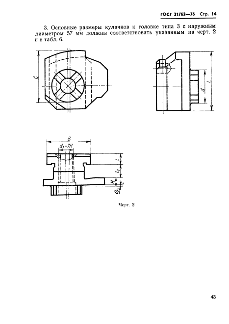
| Название рус.: | Кулачки к винторезным самооткрывающимся головкам. Основные размеры |
| Название англ.: | Cams for self-opening threadcutting die heads. Main dimensions |
| Дата актуализации текста: | 06.04.2015 |
| Дата актуализации описания: | 01.07.2023 |
| Дата издания: | 01.09.1982 |
| Дата введения: | 01.01.1978 |
| Код ОКП: | 392514 |
| Взамен: | МН 4281-63;МН 4282-63;МН 4283-63;МН 4284-63;МН 4285-63;МН 4287-63;МН 4288-63;МН 4289-63;МН 4290-63;МН 4291-63 |
| Нормативные ссылки: | ГОСТ 21760-76 |
| Область применения: | Настоящий стандарт распространяется на кулачки к винтовым самооткрывающимся головкам |
| Список изменений: | №1 от 30.09.1982 (рег. 23.05.1982) «Срок действия продлен» |
|