Скачать ГОСТ 23264-78 Машины электрические малой мощности. Условные обозначенияДата актуализации: 01.06.2025 ГОСТ 23264-78
Машины электрические малой мощности. Условные обозначения
| Обозначение: |  ГОСТ 23264-78 |
| Статус: | действующий |
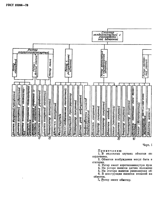
| Название рус.: | Машины электрические малой мощности. Условные обозначения | | Название англ.: | Electric small machines. Conditional designation | | Дата актуализации текста: | 06.04.2015 | | Дата актуализации описания: | 01.07.2023 | | Дата издания: | 01.06.1988 | | Дата введения: | 01.07.1979 | | Код ОКП: | 331000 | | Нормативные ссылки: | ГОСТ 2479-79; ГОСТ 15150-69 | | Область применения: | Настоящий стандарт распространяется на модернизируемые и вновь разрабатываемые вращающиеся электрические машины малой мощности следующих видов: коллекторные и бесконтактные электродвигатели постоянного тока, коллекторные электродвигатели переменного тока, синхронные и асинхронные электродвигатели, универсальные коллекторные электродвигатели, шаговые электродвигатели, генераторы, тахогенераторы, вращающиеся трансформаторы, сельсины, индукционные фазорегуляторы и фазовращатели, индукционные датчики угла, преобразователи сигналов гониометрические и устанавливает их условные обозначения | | Список изменений: | №1 от 01.01.1983 (рег. 27.07.1982) «Срок действия продлен» №2 от 01.01.1988 (рег. 26.07.1987) «Срок действия продлен» | |
               
|