| Обозначение: |  ГОСТ 13218.1-80 |
| Статус: | действующий |
| Название рус.: | Корпуса типа ШМ подшипников качения диаметром от 47 до 150 мм. Конструкция и размеры |
| Название англ.: | Pillow blocks of serie ШМ for rolling bearings of diameters from 47 till 150 mm. Construction and dimensions |
| Дата актуализации текста: | 06.04.2015 |
| Дата актуализации описания: | 01.01.2021 |
| Дата издания: | 01.04.1981 |
| Дата введения: | 01.01.1982 |
| Код ОКП: | 418300 |
| Взамен: | ГОСТ 13218.1-67 |
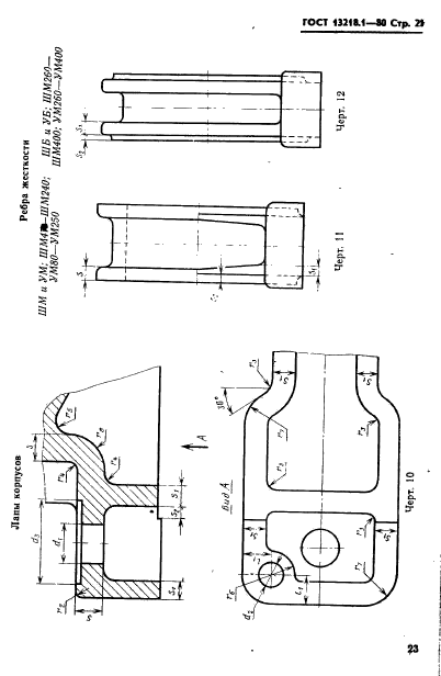
| Область применения: | Настоящий стандарт распространяется на неразъемные широкие корпуса типа ШМ со сквозным отверстием для подшипников качения |
|