| Обозначение: |  ГОСТ 19357-81 |
| Статус: | действующий |
| Название рус.: | Пластины переходные медно-алюминиевые. Общие технические условия |
| Название англ.: | Copper-aluminium connectiong plates. General specifications |
| Дата актуализации текста: | 06.04.2015 |
| Дата актуализации описания: | 01.07.2023 |
| Дата издания: | 03.08.1981 |
| Дата введения: | 01.01.1983 |
| Код ОКП: | 344951 |
| Взамен: | ГОСТ 19357-74 |
| Нормативные ссылки: | ГОСТ 434-78; ГОСТ 495-77; ГОСТ 2697-83; ГОСТ 2991-85; ГОСТ 7376-84; ГОСТ 10434-82; ГОСТ 14192-77; ГОСТ 15150-69; ГОСТ 15176-84; ГОСТ 17441-84; ГОСТ 23216-78 |
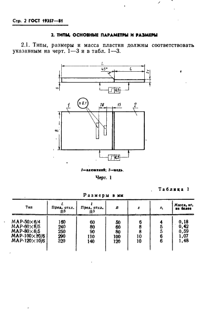
| Область применения: | Настоящий стандарт распространяется на переходные медно-алюминиевые пластины, предназначенные для присоединения алюминиевыз шин к медным выводам электротехнических устройств, а также к медным шинам |
| Список изменений: | №1 от 01.01.1983 (рег. 01.06.1982) «Срок действия продлен» №2 от 01.01.1988 (рег. 25.06.1987) «Срок действия продлен» |
|