| Обозначение: |  ГОСТ 14613-83 |
| Статус: | действующий |
| Название рус.: | Фибра. Технические условия |
| Название англ.: | Fibreboard. Specifications |
| Дата актуализации текста: | 06.04.2015 |
| Дата актуализации описания: | 01.07.2023 |
| Дата издания: | 01.01.1989 |
| Дата введения: | 01.01.1985 |
| Код ОКП: | 545810 |
| Взамен: | ГОСТ 14613-69 |
| Нормативные ссылки: | IEC 60667-3-1(1986);IEC 60667-2(1982); ГОСТ 427-75; ГОСТ 982-80; ГОСТ 1770-74; ГОСТ 2045-71; ГОСТ 2084-77; ГОСТ 2991-85; ГОСТ 3560-73; ГОСТ 4161-77; ГОСТ 4199-76; ГОСТ 5959-80; ГОСТ 6309-87; ГОСТ 6433.1-71; ГОСТ 6433.2-71; ГОСТ 6433.3-71; ГОСТ 6507-78; ГОСТ 6709-72; ГОСТ 7629-77; ГОСТ 7691-81; ГОСТ 8047-78; ГОСТ 8273-75; ГОСТ 8828-89; ГОСТ 9569-79; ГОСТ 10652-73; ГОСТ 12456-83; ГОСТ 13523-78; ГОСТ 13525.1-79; ГОСТ 13525.19-71; ГОСТ 14192-77; ГОСТ 14919-83; ГОСТ 15846-79; ГОСТ 20259-80; ГОСТ 20292-74; ГОСТ 21102-80; ГОСТ 21140-88; ГОСТ 24104-88; ГОСТ 24597-81; ГОСТ 25336-82; ГОСТ 26663-85; ГОСТ 27544-87;ТУ 16.К71-087-90;ТУ 25-2021.010-89;ТУ 6-09-5077-87 |
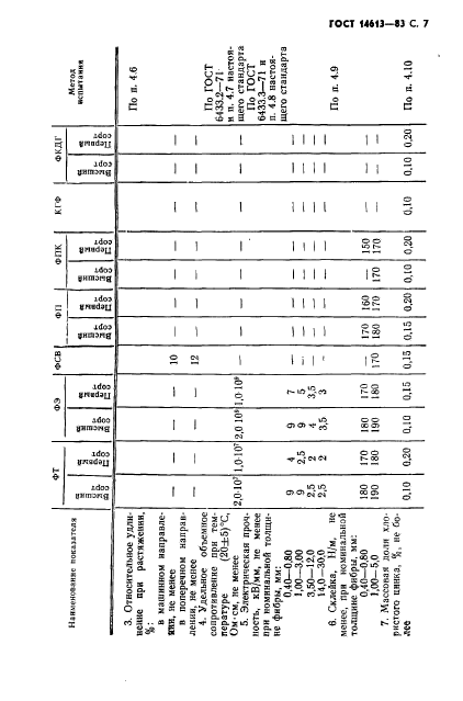
| Область применения: | Настоящий стандарт устанавливает требования к фибре, изготовляемой для нужд народного хозяйства и для экспорта |
| Список изменений: | №1 от 01.01.1978 (рег. 30.12.1977) «Срок действия продлен» №2 от 01.10.1989 (рег. 29.03.1989) «Срок действия продлен» №3 от 01.07.1991 (рег. 17.01.1991) «Срок действия продлен» |
|