| Обозначение: |  ГОСТ 20282-86 |
| Статус: | действующий |
| Название рус.: | Полистирол общего назначения. Технические условия |
| Название англ.: | General-purpose polystyrene. Specifications |
| Дата актуализации текста: | 06.04.2015 |
| Дата актуализации описания: | 01.07.2023 |
| Дата издания: | 01.07.1991 |
| Дата введения: | 01.01.1987 |
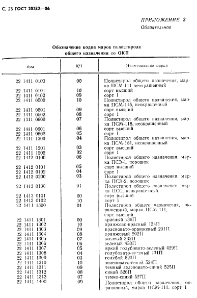
| Код ОКП: | 221410 |
| Взамен: | ГОСТ 20282-74 |
| Нормативные ссылки: | ГОСТ 12.1.005-88; ГОСТ 166-89; ГОСТ 427-75; ГОСТ 2226-88; ГОСТ 3826-82; ГОСТ 5955-75; ГОСТ 6433.1-71; ГОСТ 6613-86; ГОСТ 8448-78; ГОСТ 10354-82; ГОСТ 11262-80; ГОСТ 11645-73; ГОСТ 11736-78; ГОСТ 12019-66; ГОСТ 12423-66; ГОСТ 14192-77; ГОСТ 15088-83; ГОСТ 15820-82; ГОСТ 15875-80; ГОСТ 17811-78; ГОСТ 18249-72; ГОСТ 18616-80; ГОСТ 19433-88; ГОСТ 21650-76; ГОСТ 22372-77; ГОСТ 22648-77; ГОСТ 24104-88; ГОСТ 24597-81; ГОСТ 25336-82; ГОСТ 25910-83; ГОСТ 25951-83; ГОСТ 26380-84; ГОСТ 26663-85 |
| Область применения: | Настоящий стандарт распространяется на полистирол общего назначения, представляющий собой продукт полимеризации стирола в массе или в суспензии, или в эмульсии, и предназначенный для изготовления изделий различными методами термоформования. Полистирол общего назначения изготовляют для нужд народного хозяйства и для экспорта |
| Список изменений: | №1 от 01.07.1990 (рег. 18.12.1989) «Срок действия продлен» |
|