| Обозначение: |  ГОСТ 25645.130-86 |
| Статус: | действующий |
| Название рус.: | Излучение рентгеновское солнечное. Амплитудные характеристики |
| Название англ.: | Solar X-rays. Amplitude characteristics |
| Дата актуализации текста: | 06.04.2015 |
| Дата актуализации описания: | 01.07.2023 |
| Дата издания: | 07.04.1986 |
| Дата введения: | 01.01.1987 |
| Нормативные ссылки: | ГОСТ 25645.129-86; ГОСТ 25645.302-83 |
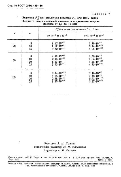
| Область применения: | Настоящий стандарт устанавливает численные значения распределений по амплитудам плотностей потоков солнечного рентгеновского излучения при солнечных рентгеновских всплесках и фонового солнечного рентгеновского излучения в диапазоне энергий фотонов от 1,5 до 25 кэВ для различных фаз 11-летнего цикла солнечной активности |
|