Скачать ГОСТ 27460-87 Трубки, капилляры и палочки из боросиликатного стекла 3,3. Общие технические условияДата актуализации: 01.06.2025 ГОСТ 27460-87
Трубки, капилляры и палочки из боросиликатного стекла 3,3. Общие технические условия
| Обозначение: |  ГОСТ 27460-87 |
| Статус: | действующий |
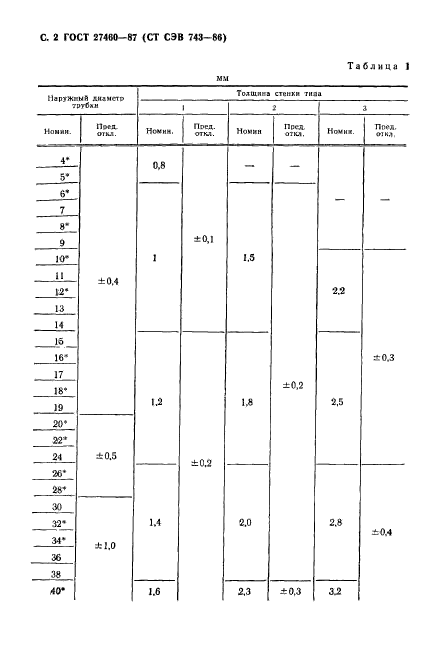
| Название рус.: | Трубки, капилляры и палочки из боросиликатного стекла 3,3. Общие технические условия | | Название англ.: | Tubiqs, capillahes and stems made of borosilicate glass 3,3. General specifications | | Дата актуализации текста: | 06.04.2015 | | Дата актуализации описания: | 01.07.2023 | | Дата издания: | 25.12.1987 | | Дата введения: | 01.07.1988 | | Код ОКП: | 432500 | | Нормативные ссылки: | ГОСТ 7329-74; ГОСТ 14192-77; ГОСТ 18242-72;CT CЭB 743-86 | | Область применения: | Настоящий стандарт распространяется на трубки, капилляры и палочки из боросиликатного стекла 3,3, применяемые для изготовления лабораторных приборов и их деталей. Настоящий стандарт не распространяется на трубки, применяемые для изготовления мерной лабораторной посуды | |
         
|