| Обозначение: |  ГОСТ 4194-88 |
| Статус: | действующий |
| Название рус.: | Картон электроизоляционный для трансформаторов и аппаратов с масляным заполнением. Технические условия |
| Название англ.: | Electroinsulating board for transformers and apparatus charged with oil. Specifications |
| Дата актуализации текста: | 06.04.2015 |
| Дата актуализации описания: | 01.07.2023 |
| Дата издания: | 11.11.1988 |
| Дата введения: | 01.01.1990 |
| Код ОКП: | 544312 |
| Взамен: | ГОСТ 4194-83 |
| Нормативные ссылки: | ГОСТ 595-79; ГОСТ 982-80; ГОСТ 7500-85; ГОСТ 7629-77; ГОСТ 8047-78; ГОСТ 12057-81; ГОСТ 12268-79; ГОСТ 12765-88; ГОСТ 13523-78; ГОСТ 13525.1-79; ГОСТ 13648.5-78; ГОСТ 21102-80; ГОСТ 27015-86;ТУ 38.101.890-80;ТУ 38.101.1025-85 |
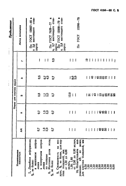
| Область применения: | Настоящий стандарт распространяется на электроизоляционный картон, предназначенный для использования в трансформаторах, в аппаратах и в другом электрооборудовании с масляным заполнением при рабочей температуре до 105 град. С включительно, изготовляемый для нужд народного хозяйства и для экспорта |
| Список изменений: | №1 от 01.03.1990 (рег. 05.09.1989) «Срок действия продлен» №2 от 01.11.1992 (рег. 13.03.1992) «Срок действия продлен» |
|