| Обозначение: |  ГОСТ 27708-88 |
| Статус: | не действует в РФ |
| Название рус.: | Материалы и покрытия полимерные защитные дезактивируемые. Метод определения дезактивируемости |
| Название англ.: | Decontaminable protective polymeric materials and coatings. Method for testing the ease of decontamination |
| Дата актуализации текста: | 06.04.2015 |
| Дата актуализации описания: | 01.07.2023 |
| Дата издания: | 05.08.1988 |
| Дата введения: | 01.07.1989 |
| Дата окончания срока действия: | 01.01.2010 |
| Код ОКП: | 690900 |
| Взамен: | ГОСТ 12.4.078-79 |
| На территории РФ пользоваться: | ГОСТ Р 53371-2009 |
| Нормативные ссылки: | ГОСТ 12.1.004-85; ГОСТ 12.3.008-75; ГОСТ 12.4.011-87; ГОСТ 83-79; ГОСТ 215-73; ГОСТ 1770-74; ГОСТ 3118-77; ГОСТ 4234-77; ГОСТ 4328-77; ГОСТ 4461-77; ГОСТ 5072-79; ГОСТ 6507-78; ГОСТ 6709-72; ГОСТ 10007-80; ГОСТ 12026-76 |
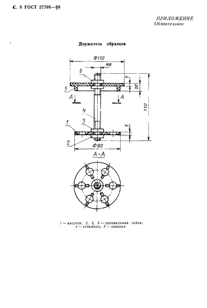
| Область применения: | Настоящий стандарт распространяется на дезактивируемые защитные полимерные покрытия, полимерные конструкционные материалы и материалы для изготовления средств индивидуальной защиты: текстильные материалы (ткани, трикотажные и нетканые полотна); материалы с полимерным покрытием (искусственные кожи и прорезиненные ткани); пленочные полимерные материалы и устанавливает метод определения дезактивируемости покрытий, полимерных конструкционных материалов и материалов для изготовления средств индивидуальной защиты, применяемых в условиях радиоактивного загрязнения альфа- и бета-излучающими радионуклидами, основанный на измерении уровней радиоактивного загрязнения образцов до и после дезактивации |
| Список изменений: | №0 от 01.01.2010 (рег. 27.07.2009) «Поправка к изменению» |
|