| Обозначение: |  ГОСТ 26456.0-89 |
| Статус: | действующий |
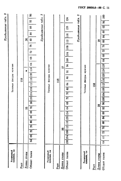
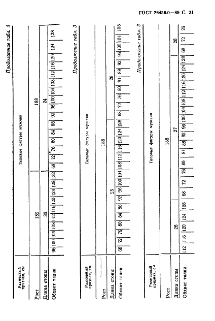
| Название рус.: | Фигуры типовые. Размерные признаки для проектирования чулочно-носочных изделий. Фигуры мужчин |
| Название англ.: | Standard figures. Measurements for socks and stockings projection. Men's figures |
| Дата актуализации текста: | 06.04.2015 |
| Дата актуализации описания: | 01.01.2021 |
| Дата издания: | 07.06.1990 |
| Дата введения: | 01.01.1991 |
| Код ОКП: | 843000 |
| Взамен в части: | ГОСТ 11215-65 в части типовых фигур мужчин |
| Нормативные ссылки: | ГОСТ 17521-72;СТ СЭВ 2673-80 |
| Область применения: | Настоящий стандарт распространяется на типовые фигуры мужчин. Стандарт предназначен для промышленного проектирования чулочно-носочных изделий |
| Список изменений: | №1 от 01.03.1996 (рег. 03.10.1995) «Срок действия продлен» |
|