| Обозначение: |  ГОСТ 28046-89 |
| Статус: | действующий |
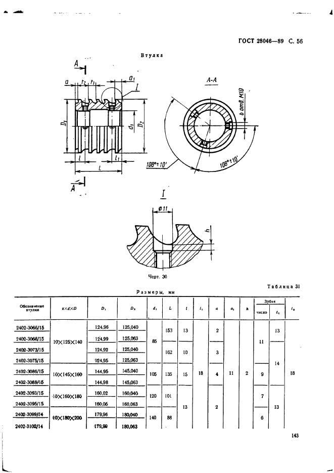
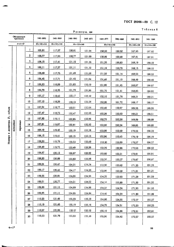
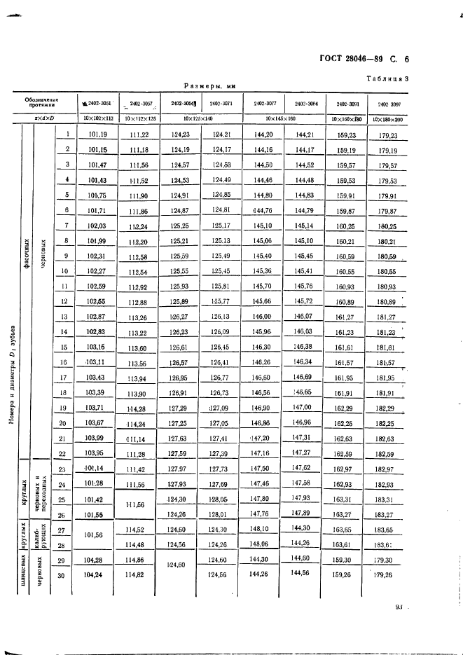
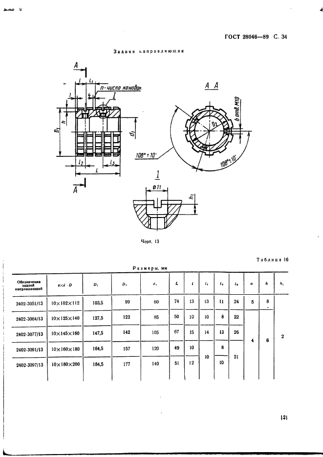
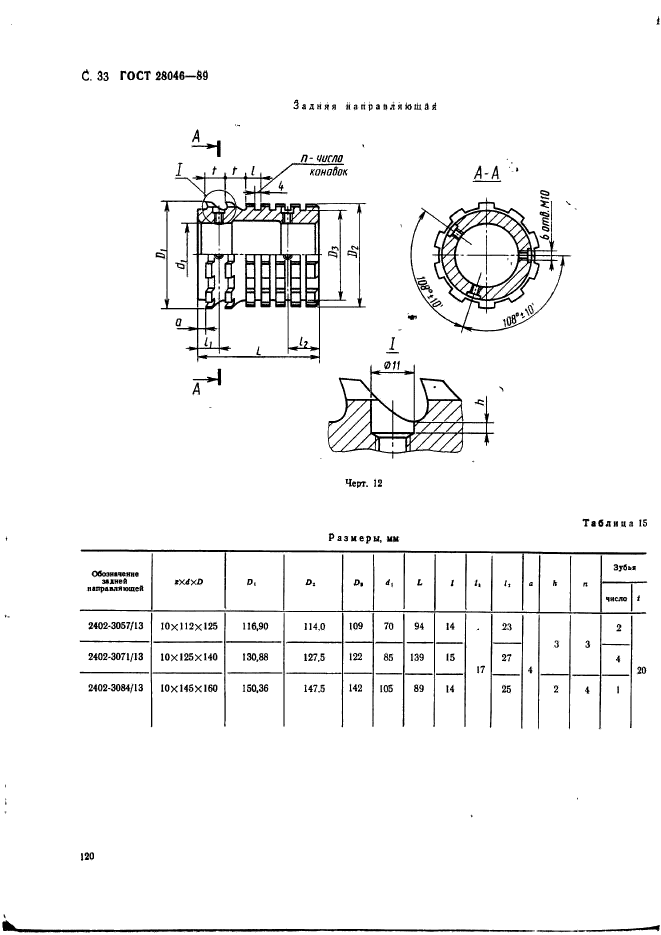
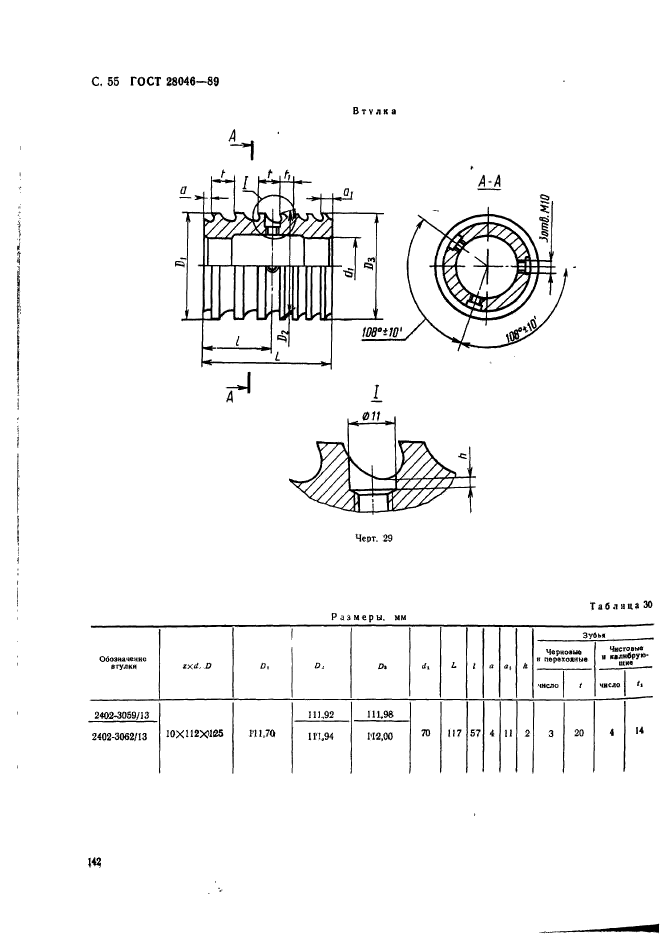
| Название рус.: | Протяжки сборные для десятишлицевых отверстий с прямобочным профилем с центрированием по внутреннему диаметру комбинированные переменного резания трехпроходные. Конструкция |
| Название англ.: | Internal broaches for straight splines based at internal diameter three pass combined type. Construction |
| Дата актуализации текста: | 06.04.2015 |
| Дата актуализации описания: | 01.07.2023 |
| Дата издания: | 15.11.1989 |
| Дата введения: | 01.07.1990 |
| Код ОКП: | 392330 |
| Нормативные ссылки: | ГОСТ 1139-80; ГОСТ 4044-70; ГОСТ 7943-78; ГОСТ 14034-74 |
| Область применения: | Настоящий стандарт распространяется на комбинированные трехпроходные сборные протяжки переменного резания универсального назначения, предназначенные для обработки десятишлицевых втулок с прямобочным профилем и допусками по ГОСТ 1139 (для диаметров D до 125 мм) и по технической документации, утвержденной в установленном порядке (для диаметров D свыше 125 мм) с центрированием по внутреннему диаметру |
|