| Обозначение: |  ГОСТ 28752-90 |
| Статус: | действующий |
| Название рус.: | Соединители на частоты до 3 МГц. Часть 9. Цилиндрические соединители для радиоаппаратуры и связанной с ними акустической аппаратуры |
| Название англ.: | Connectors for frequencies below 3 MHz. Part 9. Circular connectors for radio and associated sound equipment |
| Дата актуализации текста: | 06.04.2015 |
| Дата актуализации описания: | 01.07.2023 |
| Дата издания: | 01.04.2005 |
| Дата введения: | 01.01.1992 |
| Код ОКП: | 631300 |
| Содержит требования: | IEC 60130-9(1989) |
| Нормативные ссылки: | ГОСТ 12.2.006-87; ГОСТ 2789-73; ГОСТ 28381-89 |
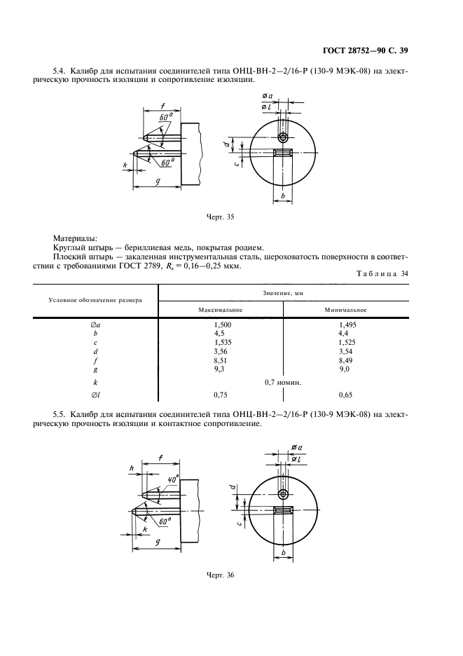
| Область применения: | Настоящий стандарт распространяется на цилиндрические соединители для радиоаппаратуры и связанной с ними акустической аппаратуры |
|