| Обозначение: |  ГОСТ 28696-90 |
| Статус: | действующий |
| Название рус.: | Системы обработки информации. Передача данных. Определение услуг звена данных для взаимосвязи открытых систем |
| Название англ.: | Data communication. Data link service definition for open systems interconnection |
| Дата актуализации текста: | 06.04.2015 |
| Дата актуализации описания: | 01.07.2023 |
| Дата издания: | 01.04.2005 |
| Дата введения: | 01.07.1991 |
| Содержит требования: | ISO 8886:1990;СТ СЭВ 6782-89 |
| Нормативные ссылки: | ГОСТ 28079-89; ГОСТ 28080-89 |
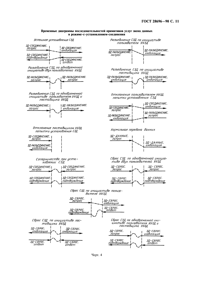
| Область применения: | Настоящий стандарт распространяется на уровень звена данных систем телеобработки данных и вычислительных сетей и определяет перечень и характеристики услуг, предоставляемых уровнем звена данных вышерасположенному уровню |
|