| Обозначение: |  ГОСТ 7247-90 |
| Статус: | заменён |
| Название рус.: | Бумага для упаковывания пищевых продуктов на автоматах. Технические условия |
| Название англ.: | Automatic food packaging paper. Specifications |
| Дата актуализации текста: | 06.04.2015 |
| Дата актуализации описания: | 01.07.2023 |
| Дата издания: | 28.09.1990 |
| Дата введения: | 01.01.1992 |
| Дата окончания срока действия: | 01.01.2008 |
| Код ОКП: | 543423 |
| Взамен: | ГОСТ 7247-73 |
| Заменяющий: | ГОСТ 7247-2006 |
| Нормативные ссылки: | ГОСТ 427-75; ГОСТ 892-89; ГОСТ 1641-75; ГОСТ 1770-74; ГОСТ 5072-79; ГОСТ 6709-72; ГОСТ 7629-77; ГОСТ 7690-76; ГОСТ 7699-78; ГОСТ 8047-78; ГОСТ 8049-62; ГОСТ 10711-74; ГОСТ 12026-76; ГОСТ 12605-82; ГОСТ 12795-89; ГОСТ 13078-81; ГОСТ 13079-81; ГОСТ 18199-67; ГОСТ 13523-78; ГОСТ 13525.1-79; ГОСТ 13525.5-68; ГОСТ 13525.19-71; ГОСТ 14192-77; ГОСТ 16337-77; ГОСТ 18251-87; ГОСТ 20477-86; ГОСТ 21102-80; ГОСТ 27015-86; ГОСТ 27544-87 |
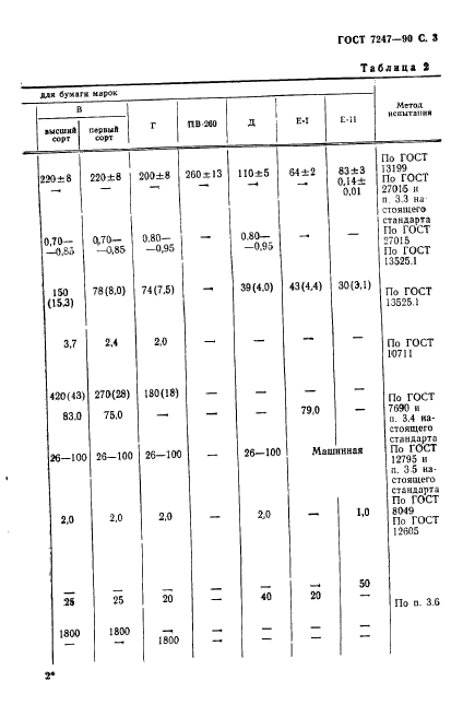
| Область применения: | Настоящий стандарт распространяется на бумагу, предназначенную для изготовления пачек, коробок, пакетов, стаканчиков с нанесением печати или без нее, используемых для упаковывания пищевых продуктов на автоматах |
| Список изменений: | №0 от 15.10.2001 (рег. 15.10.2001) «Дата введения перенесена» |
| Приложение №1: | Поправка к ГОСТ 7247-90 |
|