| Обозначение: |  ГОСТ 12996-90 |
| Статус: | действующий |
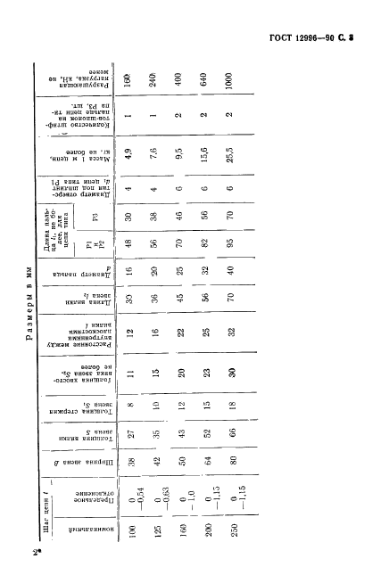
| Название рус.: | Цепи тяговые вильчатые. Технические условия |
| Название англ.: | Pulling fork chains. Specifications |
| Дата актуализации текста: | 06.04.2015 |
| Дата актуализации описания: | 01.07.2023 |
| Дата издания: | 22.06.1990 |
| Дата введения: | 01.07.1991 |
| Код ОКП: | 417320 |
| Взамен: | ГОСТ 12996-79 |
| Нормативные ссылки: | ГОСТ 9.014-78; ГОСТ 515-77; ГОСТ 9078-84; ГОСТ 10198-78; ГОСТ 15150-69; ГОСТ 23677-79 |
| Область применения: | Настоящий стандарт распространяется на тяговые вильчатые цепи, предназначенные для работы в качестве тяговых органов скребковых конвейеров с погруженными скребками, питателей и других подъемно-транспортных машин и механизмов, в том числе и допускающих работу в режиме реверсирования |
|