| Обозначение: |  ГОСТ 29309-92 |
| Статус: | действующий |
| Название рус.: | Покрытия лакокрасочные. Определение прочности при растяжении |
| Название англ.: | Coating of lacquers and paints. Determination of strength under the tension |
| Дата актуализации текста: | 06.04.2015 |
| Дата актуализации описания: | 01.06.2021 |
| Дата издания: | 01.05.2004 |
| Дата введения: | 01.01.1993 |
| Код ОКП: | 230000 |
| Нормативные ссылки: | ISO 1520:1973 |
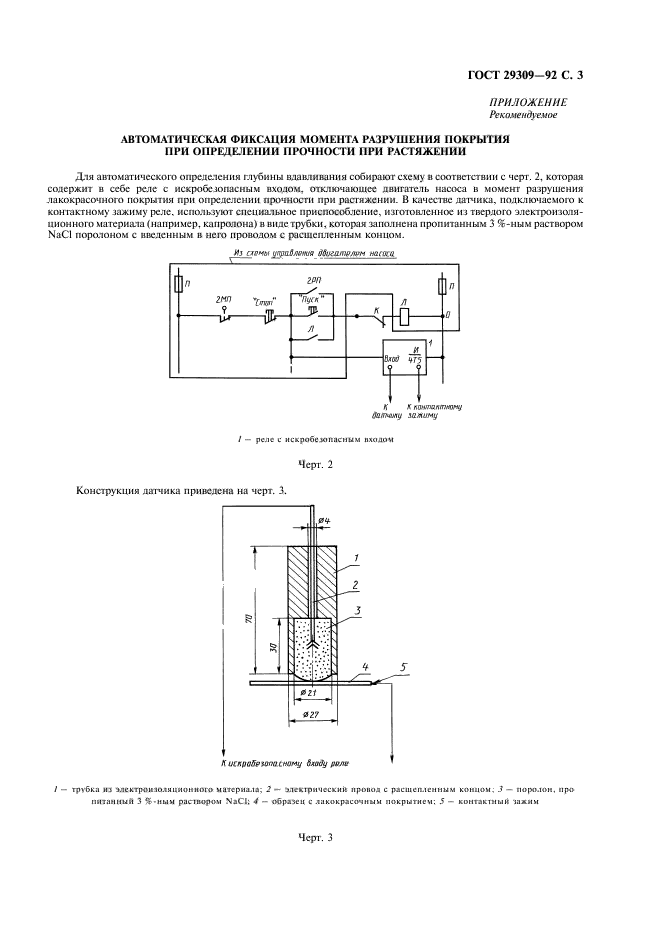
| Область применения: | Настоящий стандарт распространяется на покрытия лакокрасочные и устанавливает метод определения прочности при растяжении. Метод основан на измерении глубины выдавливания металлической пластинки с покрытием в момент его разрушения при вдавливании сферического пуансона |
|