| Обозначение: |  ГОСТ 16556-81 |
| Статус: | заменён |
| Название рус.: | Заземлители для передвижных электроустановок. Общие технические условия |
| Название англ.: | Ground connections for moyable electric units. General specifications |
| Дата актуализации текста: | 06.04.2015 |
| Дата актуализации описания: | 01.07.2023 |
| Дата издания: | 01.08.2006 |
| Дата введения: | 01.01.1983 |
| Дата окончания срока действия: | 01.03.2018 |
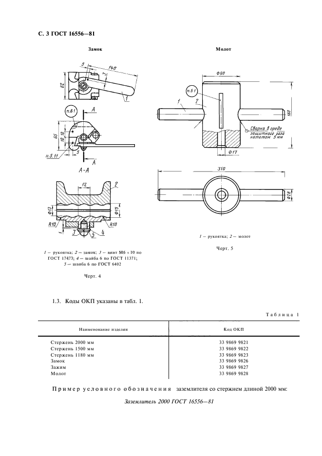
| Код ОКП: | 339869 |
| Взамен: | ГОСТ 16556-71 |
| Заменяющий: | ГОСТ 16556-2016 |
| Нормативные ссылки: | ГОСТ 9.301-86; ГОСТ 9.302-88; ГОСТ 380-94; ГОСТ 977-88; ГОСТ 1050-88; ГОСТ 1051-73; ГОСТ 1763-68; ГОСТ 2789-73; ГОСТ 3033-79; ГОСТ 5663-79; ГОСТ 6402-70; ГОСТ 7417-75; ГОСТ 9013-59; ГОСТ 10702-78; ГОСТ 11371-78; ГОСТ 14192-96; ГОСТ 15150-69; ГОСТ 17473-80; ГОСТ 18620-86; ГОСТ 23216-78; ГОСТ 26645-85;ТУ 2-034-225-87 |
| Область применения: | Настоящий стандарт распространяется на стержневые заземлители, представляющие собой стержни с зажимом, и устройство для их забивки в грунт и извлечения из грунта. Заземлители должны допускать применение в макроклиматических районах с умеренным и холодным климатом по ГОСТ 15150 |
| Список изменений: | №1 от 01.01.1988 (рег. 11.06.1987) «Срок действия продлен» |
|