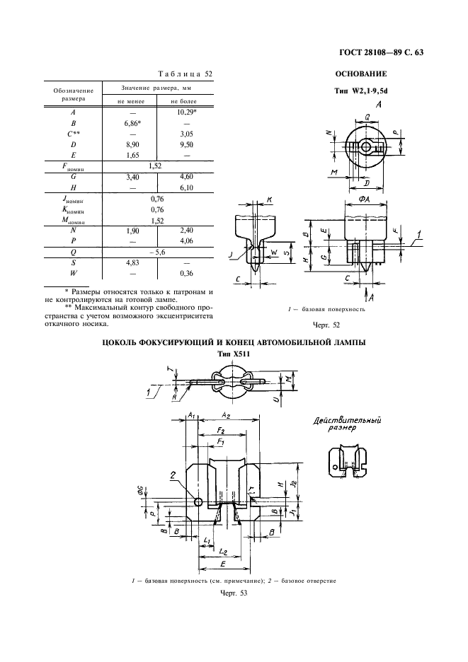
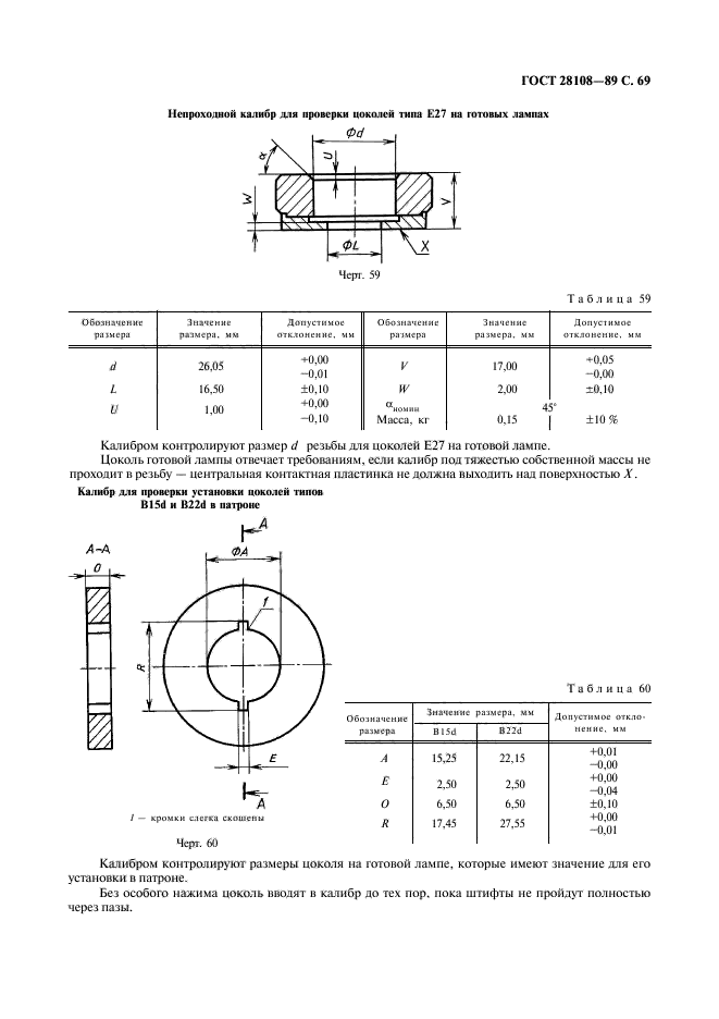
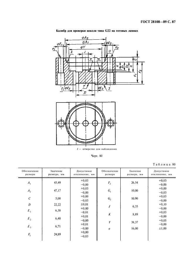
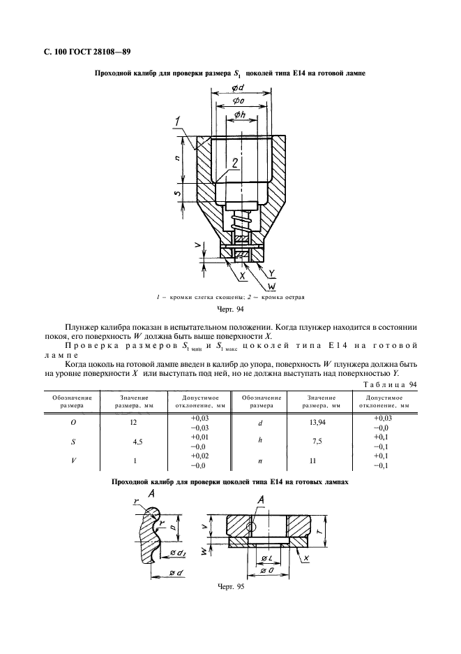
Скачать ГОСТ 28108-89 Цоколи для источников света. Типы, основные и присоединительные размеры, калибрыДата актуализации: 01.06.2025 ГОСТ 28108-89
Цоколи для источников света. Типы, основные и присоединительные размеры, калибры
| Обозначение: |  ГОСТ 28108-89 |
| Статус: | заменён |
| Название рус.: | Цоколи для источников света. Типы, основные и присоединительные размеры, калибры | | Название англ.: | Caps for light sources. Types, main and coupling dimensions, gauges | | Дата актуализации текста: | 06.04.2015 | | Дата актуализации описания: | 01.01.2021 | | Дата издания: | 01.05.2007 | | Дата введения: | 01.01.1990 | | Дата окончания срока действия: | 01.01.2016 | | Код ОКП: | 346920 | | Заменяющий: | ГОСТ IEC 60061-1-2014 | | Содержит требования: | IEC 60061-1(1969);СТ СЭВ 783-88 | | Нормативные ссылки: | IEC 60061-3(1969) | | Область применения: | Настоящий стандарт распространяется на цоколи для источников света и калибры для их проверки. Настоящий стандарт не распространяется на цоколи специального исполнения | | Список изменений: | №1 от 01.10.1990 (рег. 05.03.1990) «Срок действия продлен» | |
                                                                                                          
|