| Обозначение: |  ГОСТ 25675-83 |
| Статус: | заменён |
| Название рус.: | Разъемы высокого напряжения медицинских рентгеновских аппаратов. Типы и основные размеры |
| Название англ.: | High voltage connectors of medical X-ray apparatuses. Types and basic dimensions |
| Дата актуализации текста: | 06.04.2015 |
| Дата актуализации описания: | 01.07.2023 |
| Дата издания: | 01.05.2007 |
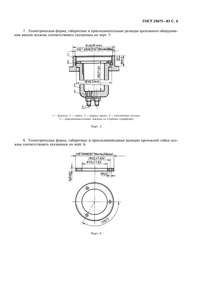
| Дата введения: | 01.01.1984 |
| Дата окончания срока действия: | 01.07.2023 |
| Код ОКП: | 944229 |
| Заменяющий: | ГОСТ 25675-2022 |
| Содержит требования: | СТ СЭВ 3651-82 |
| Нормативные ссылки: | IEC 60526 |
| Область применения: | Настоящий стандарт распространяется на разъемы высокого напряжения номинальным напряжением 80 кВ при пульсации напряжения 100%, предназначенные для высоковольтных кабелей, соединяющих генераторные устройства с рентгеновскими излучателями в медицинских рентгенодиагностических аппаратах, и устанавливает типы, геометрическую форму, габаритные и присоединительные размеры |
| Список изменений: | №1 от 01.01.1989 (рег. 06.06.1988) «Срок действия продлен» |
|