| Обозначение: |  ГОСТ 27590-2005 |
| Статус: | действующий |
| Название рус.: | Подогреватели кожухотрубные водо-водяные систем теплоснабжения. Общие технические условия |
| Название англ.: | House-tube water-watered heat sypply systems. General specifications |
| Дата актуализации текста: | 01.01.2021 |
| Дата актуализации описания: | 01.07.2023 |
| Дата регистрации: | 22.06.2005 |
| Дата издания: | 17.04.2007 |
| Дата введения: | 01.10.2007 |
| Взамен: | ГОСТ 27590-88 |
| Нормативные ссылки: | ГОСТ 2.601-2006; ГОСТ 9.032-74; ГОСТ 9.104-79; ГОСТ 9.306-85; ГОСТ 9.402-2004; ГОСТ 12.2.003-91; ГОСТ 12.2.049-80; ГОСТ 15.309-98; ГОСТ 380-94; ГОСТ 481-80; ГОСТ 494-90; ГОСТ 617-90; ГОСТ 1050-88; ГОСТ 1577-93; ГОСТ 2991-85; ГОСТ 5494-95; ГОСТ 5631-79; ГОСТ 6465-76; ГОСТ 8732-78; ГОСТ 9109-81; ГОСТ 9941-81; ГОСТ 10144-89; ГОСТ 10198-91; ГОСТ 10692-80; ГОСТ 10704-91; ГОСТ 10877-76; ГОСТ 11068-81; ГОСТ 12971-67; ГОСТ 13345-85; ГОСТ 14192-96; ГОСТ 14637-89; ГОСТ 15150-69; ГОСТ 17217-79; ГОСТ 19041-85; ГОСТ 21646-2003; ГОСТ 23170-78; ГОСТ 25129-82; ГОСТ 29329-92 |
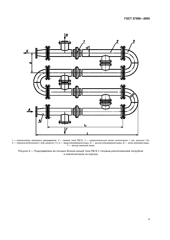
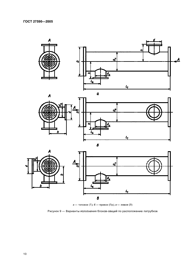
| Область применения: | Настоящий стандарт распространяется на горизонтальные кожухотрубные водо-водяные подогреватели для систем отопления и горячего водоснабжения, состоящие из неразборных блоков-секций (корпусов - трубных систем), соединительных калачей и переходов |
| Приложение №1: | Поправка к ГОСТ 27590-2005 |
|