
ГОСУДАРСТВЕННЫЙ СТАНДАРТ СОЮЗА ССР
СИСТЕМА ПРОЕКТНОЙ ДОКУМЕНТАЦИИ ДЛЯ СТРОИТЕЛЬСТВА
ОБОЗНАЧЕНИЯ УСЛОВНЫЕ
ГРАФИЧЕСКИЕ В СХЕМАХ.
ОБОРУДОВАНИЕ ЭНЕРГЕТИЧЕСКОЕ
ГОСТ 21.403-80
ГОСУДАРСТВЕННЫЙ КОМИТЕТ СССР ПО ДЕЛАМ СТРОИТЕЛЬСТВА
Москва
РАЗРАБОТАН
Министерством энергетики и электрификации СССР
Центральным научно-исследовательским и проектно-экспериментальным институтом автоматизированных систем в строительстве (ЦНИПИАСС) Госстроя СССР
ИСПОЛНИТЕЛИ
Н. Н. Меркни (руководитель темы), 3. М. Федоренчик, Г. В. Зотов, В. Г. Галкин, В. С. Ушаков, Я. Г. Тимофеев
ВНЕСЕН
Министерством энергетики и электрификации СССР
Зам. министра Ф. В. Сапожников
УТВЕРЖДЕН И ВВЕДЕН В ДЕЙСТВИЕ Постановлением Государственного комитета СССР по делам строительства от 31 октября 1980 г. № 173
ГОСУДАРСТВЕННЫЙ СТАНДАРТ СОЮЗА ССР
|
Система проектной документация для строительства ОБОЗНАЧЕНИЯ
УСЛОВНЫЕ ГРАФИЧЕСКИЕ В СХЕМАХ. System
of design documents for construction. |
ГОСТ |
Постановлением Государственного комитета СССР по делам строительства от 31 октября 1980 г. № 173 срок введения установлен
с 01.07.1981 г.
Несоблюдение стандарта преследуется по закону
1. Настоящий стандарт устанавливает условные графические обозначения энергетического оборудования в теплотехнических схемах энергетических сооружений.
Примечания:
1. Основные патрубки оборудования в таблицах указаны условно без обозначения подводимых и отводимых сред.
2. Размеры условных графических обозначений указаны в миллиметрах.
2. Условные графические обозначения котлов и камер сгорания приведены в табл. 1.
|
Наименование |
Обозначение |
|
1. Котел, камера сгорания газотурбинной установки (общее обозначение) |
|
|
1.1. Котел паровой |
|
|
1.2. Котел водяной (бойлер) |
|
|
1.3. Камера сгорания газотурбинной установки, например, для производства горячего газа |
|
|
2. Пароперегреватель |
|
|
3. Котел с пароперегревателем |
|
|
4. Котел на твердом топливе с пароперегревателем |
|
|
5. Котел на газообразном топливе |
|
|
6. Котел на жидком топливе |
|
|
7. Котел на горючих отходах |
|
|
8. Котел с электронагревом |
|
|
9. Экономайзер |
|
3. Условные графические обозначения реакторов для атомных электростанций и оборудования I контура приведены в табл. 2.
|
Наименование |
Обозначение |
|
1. Реактор ядерный |
|
|
Примечания: 1. Ядерное топливо обозначают символом с указанием концентрации в процентах, который помещают слева от обозначения, например, 3 % U235 |
|
|
2. Замедлитель обозначают символом, который помещают справа от обозначения, например, графит |
|
|
2. Реактор с обозначением числа петель (например, трехпетельный) |
|
|
3. Реактор с зоной воспроизводства |
|
|
4. Реактор, охлаждаемый водой под давлением |
|
|
5. Реактор, охлаждаемый кипящей водой |
|
|
6. Реактор трехпетельный на природном уране (U238) с тяжелой водой (D20), в качестве замедлителя охлаждаемый газом (СО2) |
|
|
7. Парогенератор реактора ВВЭР |
|
|
8. Парогенератор модульный реактора БН |
|
|
9. Сепаратор реактора РБМК |
|
|
10. Компенсатор давления теплоносителя ядерного реактора (паровой) |
|
|
11. Компенсатор давления теплоносителя ядерного реактора (газовый) |
|
|
12. Гидроемкость |
|
|
13. Насос ГЦН |
|
|
14. Барботер |
|
|
15. Деаэратор I контура |
|
|
16. Деаэратор II контура |
См. п. 19 табл. 3 |
|
17. Монжюс |
|
|
18. Аппарат контактный |
|
|
19. Спринклер |
|
4. Условные графические обозначения турбин и турбинного оборудования приведены в табл. 3.
Таблица 3
|
Наименование |
Обозначение |
|
|
1. Турбина (общее обозначение) |
|
|
|
2. Турбина паровая. Цилиндр турбины однопоточный |
|
|
|
3. Турбина паровая с нерегулируемым отбором пара |
|
|
|
4. Турбина паровая с промежуточным перегревом |
|
|
|
5. Турбина паровая с одним регулируемым отбором пара |
|
|
|
6. Турбина паровая двухпоточная Цилиндр турбины двухпоточный |
|
|
|
7. Турбина газовая, например, на горючем газе |
|
|
|
8. Турбина воздушная |
|
|
|
9. Турбина гидравлическая |
|
|
|
10. Конденсатор поверхностный |
|
|
|
11. Конденсатор поверхностный двухпоточный |
|
|
|
12. Теплообменник смешивающий |
|
|
|
13. Подогреватель поверхностный (общее обозначение) |
|
|
|
13.1. Подогреватель с поверхностью нагрева для переохлаждения конденсата |
|
|
|
13.2 Подогреватель с поверхностью нагрева пароохладителя и переохладителя конденсата |
|
|
|
14. Сепаратосборник |
|
|
|
15. Испаритель турбоустановки |
|
|
|
16. Сепаратор-пароперегреватель промежуточный (СПП) одноступенчатый* ______ * Если сепаратор многоступенчатый, поз. 1 повторяют в зависимости от числа ступеней |
|
|
|
17. Колонка разделительная (сепаратор-расширитель) |
|
|
|
18. Редукционно-охладительная установка (РОУ) |
|
|
|
19. Деаэратор (рабочее давление деаэратора проставляется в контурах бака) |
|
|
|
20. Потребитель тепла |
|
|
|
21. Турбонасос |
|
|
5. Условные графические обозначения оборудования вспомогательных систем приведены в табл. 4.
Таблица 4
|
Наименование |
Обозначение |
|
1. Аппарат направляющий |
|
|
2. Шибер, плоский затвор (на угольных течках и т. п.) |
|
|
3. Шибер отсекающий, быстродействующий |
|
|
4. Затвор секторный |
|
|
5. Мигалка |
|
|
6. Клапан перекидной |
|
|
7. Сетка угольная |
|
|
8. Лючок смотровой и шуровочный |
|
|
9. Лаз |
|
|
10. Клапан взрывной |
|
|
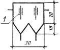
11. Бункер кускового топлива: 1 - бункер, 2 - ленточные конвейеры |
|
|
12. Бункер пылевидного топлива (длина бункера определяется числом пылепитателей) |
|
|
13. Питатель ленточный, скребковый, пластинчатый |
|
|
14. Питатель дисковый |
|
|
15. Питатель винтовой (шнек) |
|
|
16. Питатель лопастной |
|
|
17. Питатель барабанный, барабанно-скребковый |
|
|
18. Весы автоматические |
|
|
19. Питатель ленточный с автоматическими весами |
|
|
20. Мельница шаровая барабанная |
|
|
21. Мельница молотковая с аксиальным подводом воздуха |
|
|
22. Мельница молотковая с тангенциальным подводом воздуха |
|
|
23. Мельница валковая среднеходная |
|
|
24. Мельница роликовая среднеходная |
|
|
25. Мельница шаровая среднеходная |
|
|
26. Сепаратор механический |
|
|
27. Сепаратор центробежный |
|
|
28. Мельница-вентилятор с сепаратором |
|
|
29. Сепаратор инерционный |
|
|
30. Циклон |
|
|
31. Циклон батарейный |
|
|
32. Фильтр матерчатый |
|
|
33. Коробка воздухораспределительная для одного вентилятора |
|
|
34. Коробка воздухораспределительная для двух вентиляторов с переключающими шиберами |
|
|
35. труба-сушилка: 1 - труба; 2 - колчеданный мешок |
|
|
36. Электрофильтр двухпольный* _______ * Если электрофильтр многопольный, поз. 1 повторяют в зависимости от числа электростатических полей. |
|
|
37. Золоуловитель жалюзийный |
|
|
38. Золоуловитель мокрый |
|
|
39. Вентилятор (дымосос): одностороннего всасывания |
|
|
двухстороннего всасывания |
|
|
40. Горелка угловая, щелевая |
|
|
41. Вентилятор-дымосос осевой |
|
|
42. Горелка тангенциальная (поворот улиток в соответствии с истинным положением) |
|
|
43. Горелка муфельная |
|
|
44. Сопло сброса |
|
|
45. Делитель пыли |
|
|
46. Делитель пыли круглый |
|
|
47. Заслонка перекидная |
|
|
48. Форсунка мазутная |
|
|
49. Насос осевой |
|
|
50. Насос диагональный |
|
|
51. Пневмовинтовой насос |
|
|
52. Багерный насос |
По ГОСТ 2.782-68 |
|
53. Камерный насос |
|
|
54. Пневмослоевой затвор-переключатель |
|
|
55. Пневмослоевой затвор |
|
|
56. Пневмотранспортный желоб |
|
|
57. Регулятор расхода воздуха |
|
|
58. Пылезолоконцентратор с двумя отводами |
|
|
59. Пылезолоконцентратор с тремя отводами |
|
|
60. Золосмывной аппарат с переливом |
|
|
61. Шнековый шлакоудалитель |
|
|
62. Скребковый шлакоудалитель |
|
|
63. Металлоуловитель |
|
|
64. Шлакодробилка |
|
|
65. Эрлифт |
|
|
66. Сгуститель пульпы |
|
|
67. Классификатор пульпы |
|
|
68. Адсорбер |
|
|
69. Нестационарная маслоочистительная машина |
|
|
70. Фильтр-пресс |
По ГОСТ 2.780-68 |
|
71. Силикагелевый фильтр |
|
|
72. Масляный бак |
|
|
73. Железнодорожная цистерна |
|
6. Условные графические обозначении оборудования водоподготовки приведены в табл. 5.
|
Наименование |
Обозначение |
|
1. Ловушка для фильтра |
|
|
2. Электродиализный аппарат |
|
|
3. Аппарат обратного осмоса |
|
|
4. Растворитель (солерастворитель и др.). |
|
|
5. Смеситель |
|
|
6. Дозатор-вытеснитель: |
|
|
известковый |
|
|
для прямоточных схем |
|
|
7. Бак-вытеснитель |
|
|
8. Бак мокрого хранения соли |
|
|
9. Удалитель углекислоты (декарбонизатор) |
|
|
10. Смеситель воздуха |
|
|
11. Мерник, мешалка гидравлическая |
|
|
12. Мешалка с механическим перемешиванием |
|
|
13. Нейтрализатор с коническим днищем |
|
|
13.1. Нейтрализатор с плоским днищем |
|
|
14. Осветлитель |
|
|
15. Фильтр электромагнитный для обезжелезивания конденсата |
|
|
16. Фильтр: |
|
|
однокамерный |
|
|
двухкамерный |
|
|
трехкамерный |
|
|
Условные обозначения: механический - М натрий-катионитовый - Nа анионитовый - А обезжелезивания - Fе смешанного действия ФСД намывной ионитный фильтр НИФ ионообменный параллельноточный - ФИП осветлительный вертикальный - ФОВ сорбционный угольный - ФСУ |
|
|
Примечание. В верхней части условного обозначения фильтра после буквенного обозначения римской цифрой указывается ступень. |
|
Справочное
ПЕРЕЧЕНЬ СТАНДАРТОВ НА УСЛОВНЫЕ ОБОЗНАЧЕНИЯ, ПОДЛЕЖАЩИХ УЧЕТУ ПРИ ВЫПОЛНЕНИИ СХЕМ ЭНЕРГЕТИЧЕСКОГО ОБОРУДОВАНИЯ
ГОСТ 2.722-68 Обозначения условные графические в схемах. Машины электрические
ГОСТ 2.780-68 Обозначения условные графические. Элементы гидравлических и пневматических сетей
ГОСТ 2.782-68 Обозначения условные графические. Насосы и двигатели гидравлические и пневматические
ГОСТ 2.745-68 Обозначения условные графические в схемах. Элекронагреватели, устройства и установки электротермические