
ГОСУДАРСТВЕННЫЙ СТАНДАРТ СОЮЗА ССР
ПЛИТЫ ЖЕЛЕЗОБЕТОННЫЕ
ДЛЯ ПОКРЫТИЙ ТРАМВАЙНЫХ ПУТЕЙ
КОНСТРУКЦИЯ И РАЗМЕРЫ
ГОСТ 19231.1-83
ГосударственнЫЙ комитет СССР по делам строительства
Москва - 1983
РАЗРАБОТАНЫ
Министерством жилищно-коммунального хозяйства РСФСР
Научно-исследовательским институтом бетона и железобетона (НИИЖБ) Госстроя СССР
ИСПОЛНИТЕЛИ
В А Семина, канд. техн. наук (руководитель темы); А. Н. Стульчиков, канд. техн. наук; Г. Т. Осипович; Л. А. Когель; Н. А. Гаврилова; Н. Н. Перетрухин
ВНЕСЕНЫ Министерством жилищно-коммунального хозяйства РСФСР
Зам. министра С. М. Ионов
УТВЕРЖДЕНЫ И ВВЕДЕНЫ В ДЕЙСТВИЕ Постановлением Государственного комитета СССР по делам строительства от 26 января 1983 г. № 18
ГОСУДАРСТВЕННЫЙ СТАНДАРТ СОЮЗА ССР
|
ПЛИТЫ ЖЕЛЕЗОБЕТОННЫЕ ДЛЯ ПОКРЫТИЙ ТРАМВАЙНЫХ ПУТЕЙ Конструкция и размеры Reinforced concrete slabs for tramway track pavements. Structure and dimensions |
ГОСТ |
Постановлением Государственного комитета СССР по делам строительства от 26 января 1983 г. № 18 срок введения установлен
с 01.01.84
Несоблюдение стандарта преследуется по закону
1. Настоящий стандарт распространяется на железобетонные плиты типов 1П, 2П и 3П, изготовляемые из тяжелого бетона и предназначенные для устройства покрытий трамвайных путей, и устанавливает конструкцию плит и арматурных изделий к ним.
2. Плиты должны удовлетворять всем требованиям ГОСТ 19231.0-83 и настоящего стандарта.
3. Технические показатели плит приведены в табл. 1.
Таблица 1
|
Нормативная подвижная автомобильная нагрузка |
Класс бетона по прочности на сжатие |
Расход материалов на плиту |
||
|
Бетон, м3 |
Сталь, кг |
|||
|
1П14.15.12 |
Н-30 |
В30 |
0,25 |
19,73 |
|
1П14.15.10 |
Н-10 |
0,21 |
18,19 |
|
|
1П14.17.12 |
Н-30 |
0,29 |
21,89 |
|
|
1П14.17.10 |
Н-10 |
0,24 |
20,22 |
|
|
1П14.19.12 |
Н-30 |
0,31 |
22,20 |
|
|
1П14.19.10 |
Н-10 |
0,26 |
20,98 |
|
|
1П14.21.12 |
Н-30 |
0,35 |
24,81 |
|
|
1П14.21.10 |
Н-10 |
0,29 |
23,46 |
|
|
1П7.14.12 |
Н-30 |
0,11 |
10,42 |
|
|
1П7.14.10 |
Н-10 |
0,09 |
8,58 |
|
|
2П14.15.12 |
Н-30 |
В30 |
0,22 |
16,98 |
|
2П14.15.10 |
Н-10 |
0,20 |
16,06 |
|
|
2П14.17.12 |
Н-30 |
0,26 |
19,07 |
|
|
2П14.17.10 |
Н-10 |
0,23 |
18,01 |
|
|
2П14.19.12 |
Н-30 |
0,28 |
19,46 |
|
|
2П14.19.10 |
Н-10 |
0,24 |
18,32 |
|
|
2П14.21.12 |
Н-30 |
0,31 |
21,45 |
|
|
2П14.21.10 |
Н-10 |
0,27 |
20,19 |
|
|
2П7.14.12 |
Н-30 |
0,09 |
7,15 |
|
|
2П7.14.10 |
Н-10 |
0,08 |
6,06 |
|
|
3П7.7.8 |
Н-30 |
0,04 |
6,06 |
|
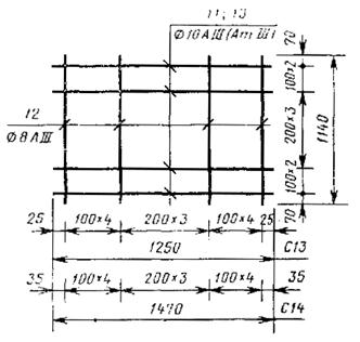
4. Армирование плит должно соответствовать приведенному на черт. 1-4.
5. Спецификация арматурных изделий и выборка стали на одну плиту приведены в табл. 2 и 3.
6. Форма и размеры арматурных изделий должны соответствовать приведенным на черт. 5-10 и в табл. 2.
7. Соединение стержней следует производить контактной точечной сваркой по ГОСТ 14098-68 и СН 393-78.
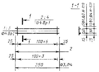
Армирование плит типа 1П
(черт.1 а, б по ГОСТ 19231.0-83)
H L, В - по ГОСТ 19231.0-83; 1 - верхняя сетка (С1, С3, С5, С7, С21); 2 - нижняя сетка (С2, С4, С6, С8, С9, С10, С11, С12, С22, С23); 3 - фиксатор (Ф1, Ф2, Ф3, Ф4); 4 - подъемная технологическая петля T1-1; Т1-2)
Черт. 1
Армирование плит типа 2П
(черт. 2 а, б по ГОСТ 19231.0-83)
Н, L, В - по ГОСТ 19231.0-83; 1 - верхняя сетка (С1, С3, С5, С7, С21); 2 - нижняя сетка (С13, С14, С15, С16, С17, С18, С19, С20, С24, С25); 3 - фиксатор (Ф1, Ф2, Ф3, Ф4); 4 - подъемная технологическая петля (Т2-1, Т2-2)
Черт. 2
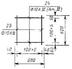
Армирование плит типа 3П
(черт. 3 по ГОСТ 19231.0-83)
2 - нижняя сетка (С26); 4 - подъемная технологическая плита Т1-3
Черт. 3

Черт. 4
Таблица 2
|
Номер позиции |
Диаметр, мм, класс |
Длина, мм |
Количество |
Общая длина, м |
Масса отдельных стержней, кг |
Общая масса, кг |
|
|
1 |
2 |
3 |
4 |
5 |
6 |
7 |
8 |
|
C1 |
1 |
6AIII |
1450 |
7 |
10,15 |
2,25 |
3,79 |
|
2 |
5ВрI |
1340 |
8 |
10,72 |
1,54 |
||
|
C2 |
3 |
10АIII |
1450 |
8 |
11,60 |
7,16 |
13,51 |
|
4 |
8AIII |
1340 |
12 |
16,08 |
6,35 |
||
|
С3 |
5 |
6AIII |
1670 |
7 |
11,69 |
2,60 |
4,34 |
|
2 |
5BpI |
1340 |
9 |
12,06 |
1,74 |
||
|
C4 |
6 |
10AIII |
1670 |
8 |
13,36 |
8,24 |
15,12 |
|
4 |
8AIII |
1340 |
13 |
17,42 |
6,88 |
||
|
С5 |
7 |
6AIII |
1800 |
7 |
12,60 |
2,80 |
4,54 |
|
2 |
5BpI |
1340 |
9 |
12,06 |
1,74 |
||
|
C6 |
8 |
10AIII |
1800 |
8 |
14,40 |
8,88 |
15,23 |
|
4 |
8AIII |
1340 |
12 |
16,08 |
6,35 |
||
|
C7 |
9 |
6AIII |
2010 |
7 |
14,07 |
3,12 |
5,05 |
|
2 |
5BpI |
1340 |
10 |
13,40 |
1,93 |
||
|
С8 |
10 |
10AIII |
2010 |
8 |
16,08 |
9,92 |
17,33 |
|
4 |
8AIII |
1340 |
14 |
18,76 |
7,41 |
||
|
C9 |
3 |
10AIII |
1450 |
7 |
10,15 |
6,26 |
12,08 |
|
4 |
8AIII |
1340 |
11 |
14,74 |
5,82 |
||
|
C10 |
6 |
10AIII |
1670 |
7 |
11,69 |
7,21 |
13,56 |
|
4 |
8AIII |
1340 |
12 |
16,08 |
6,35 |
||
|
С11 |
8 |
10AIII |
1800 |
7 |
12,60 |
7,77 |
14,12 |
|
4 |
8AIII |
1340 |
12 |
16,08 |
6,35 |
||
|
С12 |
10 |
10AIII |
2010 |
7 |
14,07 |
8,68 |
16,09 |
|
4 |
8AIII |
1340 |
14 |
18,76 |
7,41 |
||
|
С13 |
11 |
10AIII |
1250 |
8 |
10,00 |
6,17 |
11,12 |
|
12 |
8AIII |
1140 |
11 |
12,54 |
4,95 |
||
|
С14 |
13 |
10AIII |
1470 |
8 |
11,76 |
7,26 |
12,66 |
|
12 |
8AIII |
1140 |
12 |
13,68 |
5,40 |
||
|
С15 |
14 |
10AIII |
1600 |
8 |
12,80 |
7,90 |
12,85 |
|
12 |
8AIII |
1140 |
11 |
12,54 |
4,95 |
||
|
С16 |
15 |
10AIII |
1810 |
8 |
14,48 |
8,93 |
14,33 |
|
12 |
8AIII |
1140 |
12 |
13,68 |
5,40 |
||
|
С17 |
11 |
10AIII |
1250 |
7 |
8,75 |
5,40 |
10,35 |
|
12 |
8AIII |
1140 |
11 |
12,54 |
4,95 |
||
|
С18 |
13 |
10AIII |
1470 |
7 |
10,29 |
6,35 |
11,75 |
|
12 |
8AIII |
1140 |
12 |
13,68 |
5,40 |
||
|
С19 |
14 |
10AIII |
1600 |
7 |
11,20 |
6,91 |
11,86 |
|
12 |
8AIII |
1140 |
11 |
12,54 |
4,95 |
||
|
С20 |
15 |
10AIII |
1810 |
7 |
12,67 |
7,82 |
13,22 |
|
12 |
8AIII |
1140 |
12 |
13,68 |
5,40 |
||
|
С21 |
16 |
6AIII |
1330 |
4 |
5,32 |
1,18 |
1,82 |
|
17 |
5BpI |
630 |
7 |
4,41 |
0,64 |
||
|
С22 |
18 |
10AIII |
1330 |
6 |
7,98 |
4,92 |
7,37 |
|
19 |
8AIII |
620 |
10 |
6,2 |
2,45 |
||
|
С23 |
20 |
8AIII |
1330 |
6 |
7,98 |
3,15 |
5,60 |
|
19 |
8АШ |
620 |
10 |
6,2 |
2,45 |
||
|
С24 |
21 |
10AIII |
1130 |
4 |
4,52 |
2,79 |
4,28 |
|
22 |
8AIII |
420 |
9 |
3,78 |
1,49 |
||
|
С25 |
23 |
8AIII |
1130 |
4 |
4,52 |
1,79 |
3,28 |
|
22 |
8AIII |
420 |
9 |
3,78 |
1,49 |
||
|
С26 |
24 |
10AIII |
680 |
6 |
4,08 |
2,52 |
5,20 |
|
25 |
10AIII |
620 |
7 |
4,34 |
2,68 |
||
|
Ф1 |
1 |
4BpI |
80 |
7 |
0,56 |
0,05 |
0,17 |
|
2 |
4BpI |
650 |
2 |
1,30 |
0,12 |
||
|
Ф2 |
3 |
4BpI |
60 |
7 |
0,42 |
0,04 |
0,16 |
|
2 |
4BpI |
650 |
2 |
1,30 |
0,12 |
||
|
Ф3 |
1 |
4BpI |
80 |
4 |
0,32 |
0,03 |
0,09 |
|
4 |
4BpI |
350 |
2 |
0,7 |
0,06 |
||
|
Ф4 |
3 |
4BpI |
60 |
4 |
0,24 |
0,02 |
0,08 |
|
4 |
4BpI |
350 |
2 |
0,7 |
0,06 |
||
|
Т1-1 |
1 |
10AII |
785 |
1 |
0,785 |
0,48 |
0,48 |
|
Т1-2 |
2 |
10AII |
745 |
1 |
0,745 |
0,46 |
0,46 |
|
Т1-3 |
3 |
10AII |
705 |
1 |
0,705 |
0,43 |
0,43 |
|
Т2-1 |
1 |
10AII |
630 |
1 |
0,630 |
0,39 |
0,39 |
|
Т2-2 |
2 |
10AII |
590 |
1 |
0,590 |
0,36 |
0,36 |
Примечание. Арматура класса A-III диаметром 10 мм может быть заменена арматурой класса Ат-III диаметром 10 мм по ГОСТ 10884-81.
Таблица 3
|
Сетка |
Фиксатор |
Подъемная технологическая петля |
Выборка арматурной стали, кг |
||||||||||||||||
|
верхняя |
нижняя |
Марка |
Количество |
Марка |
Количество |
Класс А-II по ГОСТ 5781-82. Диаметр 10 мм |
Итого |
Класс А-III по ГОСТ 5781-82. Диаметр, мм |
Итого |
Класс Bp-I по ГОСТ 6727-80. Диаметр, мм |
Итого |
Всего |
|||||||
|
Марка |
Количество |
Марка |
Количество |
||||||||||||||||
|
6 |
8 |
10* |
4 |
5 |
|||||||||||||||
|
1П14.15.12 |
C1 |
1 |
C2 |
1 |
Ф1 |
3 |
Т1-1 |
4 |
0,48 |
1,92 |
2,25 |
6,35 |
7,16 |
15,76 |
0,17 |
1,54 |
2,05 |
19,73 |
|
|
1П14.15.10 |
C9 |
Ф2 |
Т1-2 |
0,46 |
1,84 |
2,25 |
5,82 |
6,26 |
14,33 |
0,16 |
1,54 |
2,02 |
18,19 |
||||||
|
1П14.17.12 |
С3 |
C4 |
Ф1 |
Т1-1 |
0,48 |
1,92 |
2,60 |
6,88 |
8,24 |
17,72 |
0,17 |
1,74 |
2,25 |
21,89 |
|||||
|
1П14.17.10 |
C10 |
Ф2 |
T1-2 |
0,46 |
1,84 |
2,60 |
6,35 |
7,21 |
16,16 |
0,16 |
1,74 |
2,22 |
20,22 |
||||||
|
1П14.19.12 |
C5 |
C6 |
Ф1 |
T1-1 |
0,48 |
1,92 |
2,80 |
6,35 |
8,88 |
18,03 |
0,17 |
1,74 |
2,25 |
22,20 |
|||||
|
1П14.19.10 |
C11 |
Ф2 |
Т1-2 |
0,46 |
1,84 |
2,80 |
6,35 |
7,77 |
16,92 |
0,16 |
1,74 |
2,22 |
20,98 |
||||||
|
1П14.21.12 |
C7 |
C8 |
Ф1 |
T1-1 |
0,48 |
1,92 |
3,12 |
7,41 |
9,92 |
20,45 |
0,17 |
1,93 |
2,44 |
24,81 |
|||||
|
1П14.21.10 |
C12 |
Ф2 |
T1-2 |
0,46 |
1,84 |
3,12 |
7,41 |
8,68 |
19,21 |
0,16 |
1,93 |
2,41 |
23,46 |
||||||
|
1П7.14.12 |
C21 |
C22 |
Ф3 |
T1-1 |
2 |
0,48 |
0,96 |
1,18 |
2,45 |
4,92 |
8,55 |
0,09 |
0,64 |
0,91 |
10,42 |
||||
|
1П7.14.10 |
C23 |
Ф4 |
T1-2 |
0,46 |
0,92 |
1,18 |
5,60 |
- |
6,78 |
0,08 |
0,64 |
0,88 |
8,58 |
||||||
|
2П14.15.12 |
C1 |
C13 |
Ф1 |
T2-1 |
4 |
0,39 |
1,56 |
2,25 |
4,95 |
6,17 |
13,37 |
0,17 |
1,54 |
2,05 |
16,98 |
||||
|
2П14.15.10 |
C17 |
Ф2 |
T2-2 |
0,36 |
1,44 |
2,25 |
4,95 |
5,40 |
12,60 |
0,16 |
1,54 |
2,02 |
16,06 |
||||||
|
2П14.17.12 |
С3 |
C14 |
Ф1 |
T2-1 |
0,39 |
1,56 |
2,60 |
5,40 |
7,26 |
15,26 |
0,17 |
1,74 |
2,25 |
19,07 |
|||||
|
2П14.17.10 |
С18 |
Ф2 |
T2-2 |
0,36 |
1,44 |
2,60 |
5,40 |
6,35 |
14,35 |
0,16 |
1,74 |
2,22 |
18,01 |
||||||
|
2П14.19.12 |
C5 |
С15 |
Ф1 |
Т2-1 |
0,39 |
1,56 |
2,80 |
4,95 |
7,90 |
15,65 |
0,17 |
1,74 |
2,25 |
19,46 |
|||||
|
2П14.19.10 |
С19 |
Ф2 |
Т2-2 |
0,36 |
1,44 |
2,80 |
4,95 |
6,91 |
14,66 |
0,16 |
1,74 |
2,22 |
18,32 |
||||||
|
2П14.21.12 |
C7 |
С16 |
Ф1 |
Т2-1 |
0,39 |
1,56 |
3,12 |
5,40 |
8,93 |
17,45 |
0,17 |
1,93 |
2,44 |
21,45 |
|||||
|
2П14.21.10 |
С20 |
Ф2 |
Т2-2 |
0,36 |
1,44 |
3,12 |
5,40 |
7,82 |
16,34 |
0,16 |
1,93 |
2,41 |
20,19 |
||||||
|
2П7.14.12 |
C21 |
С24 |
ФЗ |
Т2-1 |
2 |
0,39 |
0,78 |
1,18 |
1,49 |
2,79 |
5,46 |
0,09 |
0,64 |
0,91 |
7,15 |
||||
|
2П7.14.10 |
С25 |
Ф4 |
Т2-2 |
0,36 |
0,72 |
1,18 |
3,28 |
- |
4,46 |
0,08 |
0,64 |
0,88 |
6,06 |
||||||
|
3П7.7.8 |
- |
- |
С26 |
- |
- |
Т1-3 |
0,43 |
0,86 |
- |
- |
5,20 |
5,20 |
- |
- |
- |
6,06 |
|||
* Арматура класса А-III может быть заменена арматурой класса Ат-III по ГОСТ 10884-81.