Tubular rivet for one-sided riveting of thin-sheet construction metalworks. Specifications

ГОСТ 26805-86

МЕЖГОСУДАРСТВЕННЫЙ СТАНДАРТ

ЗАКЛЕПКА ТРУБЧАТАЯ
ДЛЯ ОДНОСТОРОННЕЙ КЛЕПКИ
ТОНКОЛИСТОВЫХ СТРОИТЕЛЬНЫХ
МЕТАЛЛОКОНСТРУКЦИЙ

ТЕХНИЧЕСКИЕ УСЛОВИЯ

 

ИПК ИЗДАТЕЛЬСТВО СТАНДАРТОВ
Москва

 

 

МЕЖГОСУДАРСТВЕННЫЙ СТАНДАРТ

ЗАКЛЕПКА ТРУБЧАТАЯ ДЛЯ ОДНОСТОРОННЕЙ КЛЕПКИ
ТОНКОЛИСТОВЫХ СТРОИТЕЛЬНЫХ
МЕТАЛЛОКОНСТРУКЦИЙ

Технические условия

Tubular rivet for one-sided riveting of thin-sheet construction metalworks.
Specifications

ГОСТ
26805-86

Дата введения 01.01.87

Настоящий стандарт распространяется на трубчатые алюминиевые заклепки для односторонней клепки защитных оболочек из алюминиевых сплавов для тепловой изоляции трубопроводов и резервуаров.

1. ТЕХНИЧЕСКИЕ ТРЕБОВАНИЯ

1.1. Заклепки должны изготовляться в соответствии с требованиями настоящего стандарта.

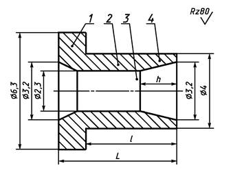
1.2. Размеры заклепок должны соответствовать указанным на черт. 1 и в таблице.

1 - головка; 2 - стержень; 3 - отверстие; 4 - конусная часть стержня

Черт. 1

Размеры в миллиметрах

Обозначение

L

l

h

Масса 1000 шт., кг

ТЗ-4´5(1)

6,5

5,0

1

0,202

ТЗ-4´5(2)

2

0,180

ТЗ-4´5(3)

3

0,175

ТЗ-4´6,5(1)

8,0

6,5

1

0,220

ТЗ-4´6,5(2)

2

0,205

ТЗ-4´6,5(3)

3

0,195

Пример условного обозначения трубчатой заклепки диаметром 4 мм, длиной 5 мм, длиной конусной части стержня 2 мм:

ТЗ-4´5 (2) ГОСТ 26805-86

1.3. Заклепки должны изготовляться методом холодной высадки из проволоки диаметром 3,8-4,0 мм из алюминия и алюминиевых сплавов по ГОСТ 14838.

1.4. Поверхность заклепок должна быть чистой, без грата, трещин, надрывов, расслоений материала, пузырей и раковин.

1.5. Предельные отклонения размеров и формы заклепок - по ГОСТ 10304, класс точности С.

1.6. Номинальный диаметр отверстий под заклепки - 4,1 мм.

1.7. При расчете несущей способности заклепки на срез расчетное сопротивление срезу принимать по ГОСТ 14838.

1.8. В комплект поставки входит партия заклепок в количестве не менее 500 шт.

2. ПРАВИЛА ПРИЕМКИ

2.1 Правила приемки заклепок - по ГОСТ 17769.

3. МЕТОДЫ КОНТРОЛЯ

3.1. Поверхность заклепок проверяют визуально - методом сравнения их с образцами-эталонами.

3.2. Отклонения размеров и расположения поверхностей заклепок проверяют предельными калибрами, шаблонами, контрольными матрицами или универсальными измерительными приборами.

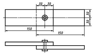
3.3. Несущую способность заклепок контролируют на разрывной машине путем испытания образцов, представляющих собой однозаклепочное соединение двух пластин (черт. 2). Толщины пластин выбирают по справочному приложению.

Черт. 2

4. УПАКОВКА, МАРКИРОВКА И ХРАНЕНИЕ

4.1. Упаковка заклепок и маркировка тары - по ГОСТ 18160.

4.2. К каждой упаковке должна быть прикреплена этикетка по ГОСТ 2.601.

4.3. Каждая партия заклепок должна быть снабжена паспортом, в котором указывают:

- номер и дату заполнения документа;

- наименование и адрес изготовителя;

- наименование и условное обозначение продукции;

- номер партии;

- массу партии нетто;

- марку материала заклепки, расчетное сопротивление заклепки срезу и результаты испытаний;

- дату проведения испытаний.

Примечание. Допускается вкладывать паспорт в тару.

4.4. Хранение заклепок - по группе условий хранения С по ГОСТ 15150.

5. УКАЗАНИЯ ПО ПРИМЕНЕНИЮ

5.1. Заклепки устанавливают на стержне, имеющем развальцовочный наконечник (черт. 3а).

5.2. Заклепку вместе со стержнем вставляют в отверстие склепываемых листов с плотным прижатием головки заклепки к лицевому листу (черт. 3б), затем стержень с развальцовочным наконечником протягивают сквозь отверстие в теле заклепки, в результате чего формируется головка заклепки с тыльной стороны соединения (черт. 3в).

5.3. Размеры заклепок, соответствующие толщине пакета склепываемых листов, выбирают по справочному приложению.

Черт. 3

ПРИЛОЖЕНИЕ
Справочное

РАЗМЕРЫ ЗАКЛЕПОК

В миллиметрах

Толщина склепываемого пакета листов

Длина стержня заклепки l

Длина конусной части стержня заклепки h

До 1,0 включ.

5,0

3,0

Св. 1,0 до 1,5 включ.

2,0

Св. 1,5 до 2,0 включ.

1,0

Св. 2,0 до 2,5 включ.

6,5

3,0

Св. 2,5 до 3,0 включ.

2,0

Св. 3,0 до 4,0 включ.

1,0

ИНФОРМАЦИОННЫЕ ДАННЫЕ

1 РАЗРАБОТАН Центральным научно-исследовательским и проектно-экспериментальным институтом организации, механизации и технической помощи строительству (ЦНИИОМТП) Госстроя СССР Министерством монтажных и специальных строительных работ СССР

ВНЕСЕН Центральным научно-исследовательским и проектно-экспериментальным институтом организации, механизации и технической помощи строительству (ЦНИИОМТП) Госстроя СССР

2. УТВЕРЖДЕН И ВВЕДЕН В ДЕЙСТВИЕ Постановлением Государственного комитета СССР по делам строительства от 26.12.85 г. № 250

3. ВВЕДЕН ВПЕРВЫЕ

4. ССЫЛОЧНЫЕ НОРМАТИВНО-ТЕХНИЧЕСКИЕ ДОКУМЕНТЫ

Обозначение НТД, на который дана ссылка

Номер пункта

ГОСТ 2.601-95

4.2

ГОСТ 10304-80

1.5

ГОСТ 14838-78

1.3, 1.7

ГОСТ 15150-69

4.4

ГОСТ 17769-83

2.1

ГОСТ 18160-72

4.1

5.ПЕРЕИЗДАНИЕ. Декабрь 2004 г.

СОДЕРЖАНИЕ

1 Технические требования

2 Правила приемки

3 Методы контроля

4 Упаковка, маркировка и хранение

5 Указания по применению

Приложение Размеры заклепок