Wooden windows and balcony doors for one-two storey dwelling-houses. Types, structure and dimensions

ГОСУДАРСТВЕННЫЙ СТАНДАРТ СОЮЗА ССР

ОКНА И БАЛКОННЫЕ ДВЕРИ ДЕРЕВЯННЫЕ
ДЛЯ МАЛОЭТАЖНЫХ ЖИЛЫХ ДОМОВ

Типы, конструкция и размеры

ГОСТ 26601-85

 

Государственный строительный комитет СССР

Москва

 

 

СПИСОК СОКРАЩЕНИЙ

в т.ч. - в том числе

ДВП - древесноволокнистая плита

др. - другой

ДСП - древесностружечная плита

кол. - количество

номин. - номинальный

НТД - нормативно-техническая документация

откл. - отклонение

ОТК - отдел технического контроля

пред. - предельный

пр. - прочие

ТУ - технические условия

Ур. ч. н. - уровень чистого пола

ЦСП - цементностружечная плита

 

ГОСУДАРСТВЕННЫЙ СТАНДАРТ СОЮЗА ССР

ОКНА И БАЛКОННЫЕ ДВЕРИ ДЕРЕВЯННЫЕ ДЛЯ МАЛОЭТАЖНЫХ ЖИЛЫХ ДОМОВ

Типы, конструкция и размеры

Wooden windows and balcony doors for

one-two storey dwelling-houses.

Types, structure and dimensions

ГОСТ
26601-85

Дата введения 01.01.86

Настоящий стандарт распространяется на деревянные окна и балконные двери с двойным и тройным остеклением, предназначаемые для жилых домов высотой не более двух этажей.

Окна и балконные двери с двойным и тройным остеклением соответственно должны изготовляться со следующими показателями: приведенное сопротивление теплопередаче Ro 0,42 и 0,56 м2×°С/Вт, сопротивление воздухопроницанию Ru 0,5 м2×ч×Па/кг при 10 Па, общий коэффициент светопропускания t 0,52 и 0,38, индекс звукоизоляции воздушного шума 28 и 32 дБ.

1. ТИПЫ, РАЗМЕРЫ И МАРКИ

1.1. Окна и балконные двери по настоящему стандарту подразделяют на серии: РМ - с раздельными переплетами и дверными полотнами с двойным остеклением; РСМ - с раздельноспаренными переплетами и дверными полотнами с тройным остеклением.

1.2. Типы и габаритные размеры окон и балконных дверей должны соответствовать указанным на черт. 1.

1.3. По требованию потребителей одностворные окна и балконные двери, в т.ч. с форточными створками, должны изготовляться также и левыми, а окна многостворные с несимметричным рисунком - в негативном (зеркальном) исполнении.

1.4. Устанавливают следующую структуру условного обозначения (марки) окон и балконных дверей:

В конце марки окон и балконных дверей с одинарным остеклением перед обозначением стандарта добавляют цифру 1 через тире.

Примеры условных обозначений

Окно правое серии РМ высотой 15 и шириной 6 дм (вариант А):

ОРМ15-6А ГОСТ 26601-85

То же, левое:

ОРМ15-6АЛ ГОСТ 26601-85

Дверь балконная серии РСМ высотой 22 и шириной 7,5 дм:

БРСМ22-7,5 ГОСТ 26601-85

Окно серии РМ высотой 12 и шириной 11 дм, с несимметричным рисунком окна:

ОРМ12-11 ГОСТ 26601-85

То же, в негативном исполнении:

ОРМ12-11Н ГОСТ 26601-85

Типы и габаритные размеры окон и балконных дверей

Черт. 1

Примечания:

1. Схемы изделия изображены со стороны фасада.

2. Цифры над схемами изделий означают размеры изделий в модулях (М - модуль, равный 100 мм).

3. Окна шириной 1080 мм предназначены для деревянных домов заводского изготовления, выпускаемых по типовым проектам с панелями шириной 1200 мм.

2. ТРЕБОВАНИЯ К КОНСТРУКЦИИ

2.1. Окна и балконные двери должны изготовляться в соответствии с требованиями ГОСТ 23166 и настоящего стандарта по рабочим чертежам, утвержденным в установленном порядке.

2.2. Конструкция, форма, основные размеры и марки окон и балконных дверей серии РМ должны соответствовать указанным на черт. 2 - 4, а размеры сечений деталей и притворов - на черт. 5 - 12.

2.3. Конструкция, форма, основные размеры и марки окон и балконных дверей серии РСМ должны соответствовать указанным на черт. 13 - 15, а размеры сечений деталей и притворов - на черт. 16 - 23.

2.4. Размеры на общих видах окон и балконных дверей даны в свету, по наружным сторонам створок, форточек и полотен дверей и по наружным сторонам коробок.

На чертежах, приведенных в настоящем стандарте, указаны в миллиметрах размеры неокрашенных деталей и изделий.

2.5. Для остекления окон и балконных дверей следует применять стекло толщиной 2,0 - 2,5 мм по ГОСТ 111.

2.6. Места установки уплотняющих прокладок в притворах окон и балконных дверей указаны на чертежах сечений.

2.7. По периметру оконных и дверных коробок на боковых поверхностях допускается по требованию потребителей выборка четверти для уплотнения стыка при соединении блоков друг с другом.

2.8. Бруски коробок допускается изготовлять клееными по ширине или соединять гвоздями после антисептирования или окраски сопрягаемых поверхностей, при этом соединение не должно иметь зазоров и провесов.

2.9. В зданиях для климатических районов, где по теплотехническим расчетам не требуются окна и балконные двери с двойным остеклением, а также в неотапливаемых зданиях и помещениях должны применяться окна и балконные двери серии РМ без внутренних створок, при этом ширина сечения коробки может быть уменьшена до 74 мм.

2.10. Для остекления веранд должны применяться наружные створки окон марок ОРМ15-6 и ОРМ15-6А.

2.11. Примеры расположения приборов в окнах и балконных дверях приведены в приложении 1.

2.12. Спецификации стекол для окон и балконных дверей серий РМ и РСМ приведены в приложениях 2 и 3.

Серия РМ

Конструкция, форма, основные размеры и марки окон и балконных дверей с двойным остеклением

Черт. 2

Черт. 3

Черт. 4

Сечения по притворам окон и балконных дверей с двойным остеклением

Сечение

а

б

Деталь

А1

45

82

1

3

Б1

55

92

2

4

1 - уплотняющая прокладка

Черт. 5

1 - уплотняющие прокладки

Черт. 6

1 - уплотняющая прокладка

Черт. 7

1 - уплотняющая прокладка

Черт. 8

1 - твердая ДВП марки Т группы А толщиной 3,2 - 4 мм по ГОСТ 4598; 2 - мягкая ДВП толщиной 8 мм по ГОСТ 4598; 3 - пергамин по ГОСТ 2697; 4 - обшивка типа О-2 по ГОСТ 8242; 5 - раскладка; 6 - уплотняющие прокладки по ГОСТ 10174

Черт. 9

Черт. 10

1 - уплотняющая прокладка; 2 - раскладка

Черт. 11

Сечение

а

б

Деталь

А5

45

82

1

3

Б5

55

92

2

4

Черт. 12

СЕРИЯ РСМ

Конструкция, форма, основные размеры и марки окон и балконных дверей с тройным остеклением

Черт. 13

Черт. 14

Черт. 15

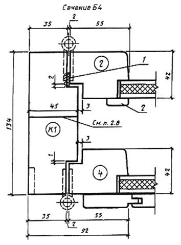
Сечения по притворам окон и балконных дверей с тройным остеклением

Сечение

а

б

в

Деталь

А1

45

82

31

1

3

5

Б1

55

92

41

2

4

6

Черт. 16

1 - уплотняющие прокладки

Черт. 17

1 - уплотняющие прокладки

Черт. 18

1 - уплотняющие прокладки

Черт. 19

1 - твердая ДВП марки Т группы А толщиной 3,2 - 4 мм по ГОСТ 4598; 2 - мягкая ДВП толщиной 8 мм по ГОСТ 4598; 3 - пергамин по ГОСТ 2697; 4 - обшивка типа О-2 по ГОСТ 8242; 5 - раскладки; 6 - уплотняющие прокладки по ГОСТ 10174

Черт. 20

1 - уплотняющая прокладка; 2 - раскладка

Черт. 21

1 - раскладки; 2 - уплотняющие прокладки

Черт. 22

Сечение

а

б

в

Деталь

А5

45

82

31

1

3

5

Б5

55

92

41

2

4

6

1 - уплотняющие прокладки

Черт. 23

СОДЕРЖАНИЕ

1. Типы, размеры и марки. 2

2. Требования к конструкции. 3