Wire nails. Specifications

ГОСТ 283-75

МЕЖГОСУДАРСТВЕННЫЙ СТАНДАРТ

ГВОЗДИ ПРОВОЛОЧНЫЕ

ТЕХНИЧЕСКИЕ УСЛОВИЯ

 

Москва

Стандартинформ

2009

 

 

МЕЖГОСУДАРСТВЕННЫЙ СТАНДАРТ

ГВОЗДИ ПРОВОЛОЧНЫЕ

Технические условия

Wire nails. Specification

ГОСТ
283-75

Дата введения 01.01.77

Настоящий стандарт распространяется на проволочные гвозди круглого и фасонного сечения.

1. ТЕХНИЧЕСКИЕ ТРЕБОВАНИЯ

1.1. Гвозди должны изготовляться в соответствии с требованиями настоящего стандарта по технологическому регламенту, утвержденному в установленном порядке.

Гвозди изготовляют:

- круглого сечения - из низкоуглеродистой стальной термически необработанной проволоки без покрытия по ГОСТ 3282 или из проволоки по нормативно-технической документации (НТД);

- фасонного сечения - из низкоуглеродистой стальной термически необработанной проволоки без покрытия по НТД.

(Измененная редакция, Изм. № 1, 2).

1.2. (Исключен, Изм. № 1).

1.3. Предельные отклонения диаметра стержня гвоздей круглого сечения должны соответствовать требованиям ГОСТ 3282.

Предельные отклонения условного диаметра стержня и толщины гвоздей фасонного сечения должны соответствовать предельным отклонениям условного диаметра и толщины проволоки фасонного сечения.

1.4. Предельные отклонения на длину гвоздей должны быть равны ± d.

(Новая редакция, Изм. № 4).

1.5. Отклонение от соосности головки относительно стержня не должно быть более:

0,1 мм - для гвоздей диаметром стержня до 1,2 мм включ.;

0,2 мм - для гвоздей диаметром стержня св. 1,2 до 1,8 мм включ.;

0,3 мм - для гвоздей диаметром стержня св. 1,8 до 3,0 мм включ.;

0,5 мм - для гвоздей диаметром стержня св. 3,0 до 4,0 мм включ.;

0,7 мм - для гвоздей диаметром стержня св. 4,0 мм.

(Измененная редакция, Изм. № 1).

1.6. Отклонения от круглости головок не должно быть более:

0,4 мм - для гвоздей диаметром головки до 3,0 мм включ.;

0,5 мм - для гвоздей диаметром головки св. 3,0 до 6,0 мм включ.;

0,9 мм - для гвоздей диаметром головки св. 6,0 до 10,0 мм включ.;

1,1 мм - для гвоздей диаметром головки св. 10,0 мм.

Допускается увеличение отклонения от круглости головок гвоздей фасонного сечения в 1,5 раза и толевых в 1,3 раза по сравнению с гвоздями круглого сечения.

(Измененная редакция, Изм. № 1, 2).

1.7. Торцевая поверхность конической головки строительных и кровельных гвоздей должна быть рифленой, гвоздей прочих видов - гладкой.

1.8. Заостренная часть гвоздя может иметь круглое или квадратное сечение. Угол заострения по граням не должен быть более 40°.

(Измененная редакция, Изм. № 1).

1.9. На стержне гвоздя допускаются продольные лыски с поперечными рисками от подающего ножа, четырехстороннее смятие, незначительные насечки и следы от разъемных матриц; под головкой гвоздя диаметрально расположенные наплывы металла.

Односторонний равномерный прогиб стержня гвоздя не должен быть более:

0,2 мм - для гвоздей длиной до 30 мм включ.;

0,3 мм - для гвоздей длиной св. 30 до 50 мм включ.;

0,5 мм - для гвоздей длиной св. 50 до 80 мм включ.;

0,7 мм - для гвоздей длиной св. 80 до 120 мм включ.;

1,0 мм - для гвоздей длиной св. 120 мм.

На 2 % всех типоразмеров гвоздей партии, кроме тарных, допускается неотпавшая обсечка.

Для формовочных гвоздей допускается незначительное смятие с двух сторон на конце стержня и пятикратное увеличение прогиба по сравнению с указанным для других типоразмеров. По требованию потребителя формовочные гвозди изготовляют с прогибом, величина которого устанавливается по согласованию с изготовителем.

(Измененная редакция, Изм. № 1, 2).

2. ПРАВИЛА ПРИЕМКИ

2.1. Гвозди принимают партиями. Партия должна состоять из гвоздей одного типоразмера и быть оформлена документом о качестве, содержащим:

- товарный знак или наименование и товарный знак предприятия-изготовителя;

- условное обозначение гвоздя;

- массу нетто, кг.

Допускается документ о качестве вкладывать в упаковочную единицу.

(Измененная редакция, Изм. № 1).

2.2. Гвозди для контроля должны отбираться методом случайной выборки из разных мест партии.

Размер выборки должен составлять не более 0,5% от партии, но не менее 40 шт.

2.3. Партия считается годной, если в выборке количество изделий с отступлениями от требований настоящего стандарта не превышает 4 % с учетом 2 % неотпавшей обсечки.

(Измененная редакция, Изм. № 1, 2).

2.4. При получении неудовлетворительных результатов контроля производится повторный контроль на удвоенной выборке.

Результаты контроля распространяются на всю партию.

(Измененная редакция, Изм. № 1).

3. МЕТОДЫ КОНТРОЛЯ

3.1. Осмотр гвоздей производится без применения увеличительных приборов. Размеры и расположение поверхностей гвоздей проверяются универсальным измерительным инструментом или калибрами.

Высоту головки, радиус под головкой и угол заострения гвоздей не проверяют; они должны обеспечиваться технологическим инструментом.

(Измененная редакция, Изм. № 1).

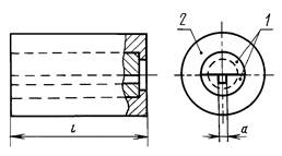
3.2. Контроль прогиба гвоздей проводят при помощи приспособления, показанного на черт. 1.

1 - полуматрица; 2 - обойма

Черт. 1

Полуматрицы вставляются в обойму по скользящей посадке. Размер квадратного отверстия а должен быть равен номинальному диаметру стержня гвоздя плюс допустимая величина прогиба согласно п. 1.9. Допуск на исполнение отверстия а - Н9 по ГОСТ 25347. Длина матрицы l должна быть не менее номинальной длины гвоздя.

Гвозди должны входить в отверстие приспособления до насечки без усилия и свободно проворачиваться в отверстии.

Допускается производить контроль прогиба гвоздей другими методами и средствами, аттестованными в установленном порядке.

При разногласиях контроль проводят способом, установленным настоящим стандартом.

(Измененная редакция, Изм. № 1, 2).

3.3. Отклонение от соосности головки относительно стержня должно соответствовать черт. 2 и вычисляться по формуле

3.4. Отклонение от круглости головки гвоздя должно соответствовать черт. 3 и вычисляться по формуле

Черт. 2

3.3, 3.4 (Измененная редакция, Изм. № 1).

Черт. 3

4. МАРКИРОВКА, УПАКОВКА, ТРАНСПОРТИРОВАНИЕ И ХРАНЕНИЕ

4.1. Гвозди упаковывают в деревянные ящики по ГОСТ 18617, ящичные металлические поддоны по ОСТ 1443, бочки, специализированные и универсальные контейнеры, изготовленные по НТД. В каждой упаковочной единице должны быть гвозди одного типоразмера.

4.2. Масса брутто каждой упаковочной единицы должна быть не более:

250 кг - при упаковывании в бочки;

1000 кг - при упаковывании в поддоны ящичные металлические;

2150 кг - при упаковывании в ящики деревянные и специализированные контейнеры.

Отклонение от массы нетто гвоздей, указанной на упаковочной единице, не должно быть более:

± 1 % - для массы гвоздей до 1000 кг включ.;

±0,5 % - для массы гвоздей св. 1000 кг.

4.1, 4.2. (Измененная редакция, Изм. № 1, 2).

4.3. Гвозди, предназначенные для розничной торговли, упаковывают в ящики массой брутто не более 10 кг россыпью или с предварительным мелким фасованием их в картонные, пластмассовые или металлические коробки.

При согласии конкретного потребителя Минторга СССР и Центросоюза допускается до 01.01.92 упаковка гвоздей в ящики массой брутто не более 60 кг, при этом при подъеме и перемещении тяжестей вручную применение женского труда не допускается.

В коробки могут быть упакованы:

1) гвозди одного типоразмера с массой гвоздей в коробке;

от 200 до 1000 г включ. с градацией 50, 100 г для гвоздей длиной 120 мм включ.;

св. 500 до 2000 г включ. с градацией 100 г для гвоздей длиной

св. 70 до 250 мм;

2) набор гвоздей из нескольких типоразмеров, при этом гвозди каждого типоразмера должны быть упакованы в отдельную картонную, пластмассовую или металлическую коробку. Допускается упаковывание гвоздей в секционные коробки. Масса брутто каждого набора должна быть не более 2000 г.

Для мелкого фасования гвоздей в качестве потребительской тары применяются картонные, пластмассовые или металлические коробки по нормативно-технической документации или согласованным чертежам.

Гвозди, предназначенные для розничной торговли, упаковывают в транспортную тару: деревянные ящики по ГОСТ 18617, ГОСТ 15623, картонные ящики по ГОСТ 13513, ГОСТ 13841 или деревянные, картонные, пластмассовые и металлические ящики по нормативно-технической документации или согласованным чертежам.

Для скрепления картонных ящиков и коробок применяется клеевая лента по ГОСТ 18251 или другие средства крепления по НТД. При поставке гвоздей россыпью деревянные ящики из дощечек должны выстилаться бумагой по ГОСТ 8828, ГОСТ 515 или НТД. Допускается не выстилать ящики бумагой при условии обеспечения невысыпаемости гвоздей при транспортировании.

Групповое упаковывание гвоздей, предварительно расфасованных в потребительскую тару, допускается производить с применением термоусадочной пленки по ГОСТ 25951 или НТД с последующим пакетированием на плоских деревянных поддонах по НТД. Масса брутто пакета не должна быть более 1000 кг.

Отклонение от массы нетто гвоздей, предварительно расфасованных в коробки, должны соответствовать приведенным в табл. 2.

Таблица 2*

Размер гвоздя, мм

Отклонение от массы нетто гвоздей,  %, при фасовании

Диаметр стержня

Длина

от 200 до 500 г

св.500 до 1000 г

св.1100 до 2000 г

0,8¸3,5

8¸70

±2,0

±1,0

-

1,6¸3,0

80¸150

±2,0

±1,0

±0,5

3,5¸5,0

90¸150

-

±2,0

±1,0

6,0

150¸200

-

±3,0

±2,0

8,0

250

-

±4,0

__________

* Таблица 1. (Исключена, Изм. № 4).

Отклонение от массы нетто гвоздей, расфасованных россыпью с массой брутто не более 10 кг, не должно быть более ±1,5 %.

(Измененная редакция, Изм. № 3, 4).

4.4. Гвозди и наборы из гвоздей, упакованные в транспортную тару, в том числе термоусадочную пленку, укладывают в поддоны ящичные металлические по ОСТ 1443 или формируют в транспортные пакеты. При формировании пакетов на плоских поддонах требования к ним должны соответствовать ГОСТ 26663. Основные параметры и размеры пакетов - по ГОСТ 24597, средства скрепления пакетов - по ГОСТ 21650. Допускается использование плоских поддонов одноразового применения по ГОСТ 26381 или НТД.

Штабелирование пакетов при транспортировании в металлических ящичных поддонах - по ОСТ 1443, при транспортировании в пакетах с применением плоских поддонов - не более чем в два яруса.

(Измененная редакция, Изм. № 2).

4.5. Упаковка гвоздей при транспортировании их в районы Крайнего Севера и приравненные к ним местности - по ГОСТ 15846

(Измененная редакция, Изм. № 4).

4.6. Каждая упаковочная единица с гвоздями должна иметь маркировку. Маркировка, должна проводиться бумажными ярлыками или с помощью трафарета или штампа. Маркировка должна быть четкой, располагаться на наружной стороне упаковочной единицы, быть видна при складировании и содержать:

- товарный знак или наименование и товарный знак предприятия-изготовителя;

- условное обозначение гвоздя;

- массу нетто, кг.

Маркировку гвоздей в мелкой расфасовке дополняют:

- количеством коробок или наборов в ящике;

- номером упаковщика;

Каждая коробка должна иметь маркировку с указанием:

- товарного знака или наименования и товарного знака предприятия-изготовителя;

- условного обозначения гвоздя;

- массы нетто, кг;

- номера упаковщика;

- штампа технического контроля.

Маркировка, наносимая на этикетку внутренней коробки с гвоздями или саму коробку, входящую в набор, должна содержать условное обозначение гвоздей и массу нетто в килограммах.

4.7. Гвозди перевозят транспортом всех видов в соответствии с правилами перевозки грузов, действующими на транспорте данного вида и техническими условиями погрузки и крепления грузов, утвержденными МПС.

Транспортирование гвоздей по железной дороге проводят в крытых вагонах повагонными или мелкими отправками. Гвозди в металлических ящичных поддонах и специализированных контейнерах могут транспортироваться на открытом подвижном составе.

Допускается транспортирование гвоздей в универсальных контейнерах по ГОСТ 20435, ГОСТ 15102, ГОСТ 22225 и НТД.

(Измененная редакция, Изм. № 2).

4.8. Транспортная маркировка - по ГОСТ 14192.

4.9. Хранение гвоздей - по условиям 5 ГОСТ 15150.

ИНФОРМАЦИОННЫЕ ДАННЫЕ

1. РАЗРАБОТАН И ВНЕСЕН Министерством черной металлургии СССР

2. УТВЕРЖДЕН И ВВЕДЕН В ДЕЙСТВИЕ Постановлением Государственного комитета СССР по стандартам от 17.07.75 № 1829

3. ВЗАМЕН ГОСТ 283-63

4. Изменение № 3 принято Межгосударственным Советом по стандартизации, метрологии и сертификации (протокол № 12 от 21.11.97)

Зарегистрировано Техническим секретариатом МГС № 2672

За принятие изменения проголосовали:

Наименование государства

Наименование национального органа по стандартизации

Азербайджанская Республика

Азгосстандарт

Республика Армения

Армгосстандарт

Республика Белоруссия

Белстандарт

Республика Казахстан

Госстандарт Республики Казахстан

Киргизская Республика

Киргизстандарт

Республика Молдова

Моддовастандарт

Российская Федерация

Госстандарт России

Республика Таджикистан

Таджикгосстандарт

Туркменистан

Главная государственная инспекция Туркменистана

Республика Узбекистан

Узгосстандарт

Изменение № 4 принято Межгосударственным советом по стандартизации, метрологии и сертификации (протокол № 27 от 22.06.2005)

Зарегистрировано Бюро по стандартам МГС № 5153

За принятие изменения проголосовали национальные органы по стандартизации следующих государств: AZ, AM, BY, GE, KZ, KG, MD, RU, TJ, TM, UZ, UA [коды альфа-2 по МК (ИСО 3166)004]

5. ССЫЛОЧНЫЕ НОРМАТИВНО-ТЕХНИЧЕСКИЕ ДОКУМЕНТЫ

Обозначение НТД, на
который дана ссылка

Номер пункта

Обозначение НТД, на
который дана ссылка

Номер пункта

ГОСТ 515-77

4.3

ГОСТ 18617-83

4.1, 4.3

ГОСТ 3282-74

1.1, 1.3

ГОСТ 20435-75

4.7

ГОСТ 8828-89

4.3

ГОСТ 21650-76

4.5

ГОСТ 13513-86

4.3

ГОСТ 22225-76

4.7

ГОСТ 13841-95

4.3

ГОСТ 24597-81

4.4

ГОСТ 14192-96

4.8

ГОСТ 25347-82

3.2

ГОСТ 15102-75

4.7

ГОСТ 25951-83

4.3

ГОСТ 15150-69

4.9

ГОСТ 26381-84

4.4

ГОСТ 15623-84

4.3

ГОСТ 26663-85

4.4

ГОСТ 15846-2002

4.5

ОСТ 1443-80

4.1, 4.4

ГОСТ 18251-87

4.3

6. Ограничение срока действия снято по протоколу № 4-93 Межгосударственного совета по стандартизации, метрологии и сертификации (ИУС 4-94)

7. ИЗДАНИЕ (февраль 2009 г.) с Изменениями № 1, 2, 3, 4, увержденными в декабре 1986 г., июне 1989 г., марте 1998 г., ноябре 2005 г. (ИУС 4-87, 10-89, 5-98, 2-2006)