ГОСУДАРСТВЕННЫЙ СТАНДАРТ СОЮЗА ССР
|
СКОБЫ ОБЛЕГЧЕННЫЕ ДЛЯ КРЕПЛЕНИЯ ТРУБОПРОВОДОВ И КАБЕЛЕЙ Конструкция и размеры Light cramps for pipe-line and cable fixing. |
ГОСТ |
Дата введения 01.01.81
Скобы подразделяются на типы в соответствии с табл. 1.
Таблица 1
|
Типы |
Эскизы |
|
|
Скобы для крепления трубопроводов |
I |
|
|
II |
|
|
|
III |
|
|
|
Скобы для крепления кабелей |
IV |
|
|
V |
|
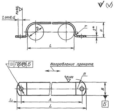
2. Конструкция и размеры скоб для крепления трубопроводов должны соответствовать указанным на черт. 1 - 3 и в табл. 2 - 4, соответственно.
Тип I
* Размер для справок.
Допуск симметричности оси отверстий d Т 0,3 мм (допуск зависимый) относительно плоскости симметрии поверхности В.
Черт. 1
Таблица 2
Размеры в мм
|
D (пред. откл. +0,5 -0,3) |
d (пред. откл. по Н13) |
А (пред откл. ±0,3) |
L |
L1 |
H |
S |
r |
Масса 1000 шт., кг » |
Применяемость |
|
|
стальных скоб |
скоб из алюминиевого сплава |
|||||||||
|
30 |
6,6 |
52 |
71 |
35,0 |
14,0 |
1,5 |
2 |
25,9 |
9,22 |
|
|
32 |
54 |
73 |
36,0 |
15,0 |
26,8 |
9,54 |
||||
|
34 |
56 |
75 |
37,0 |
16,0 |
27,8 |
9,90 |
||||
|
36 |
58 |
77 |
38,0 |
17,0 |
28,7 |
10,21 |
||||
|
38 |
60 |
79 |
39,0 |
18,0 |
29,6 |
10,53 |
||||
|
40 |
62 |
81 |
40,0 |
19,0 |
30,6 |
10,89 |
||||
|
42 |
64 |
83 |
41,0 |
20,0 |
31,5 |
11,21 |
||||
|
45 |
67 |
86 |
42,5 |
21,5 |
32,9 |
11,71 |
||||
|
48 |
70 |
89 |
44,0 |
23,0 |
34,3 |
12,21 |
||||
|
50 |
72 |
91 |
45,0 |
24,0 |
35,2 |
12,53 |
||||
|
53 |
75 |
94 |
46,5 |
25,5 |
36,6 |
13,02 |
||||
|
56 |
78 |
97 |
48,0 |
27,0 |
38,0 |
13,52 |
||||
|
60 |
82 |
101 |
50,0 |
29,0 |
39,8 |
14,16 |
||||
|
63 |
85 |
104 |
51,5 |
30,5 |
40,8 |
14,52 |
||||
|
65 |
87 |
106 |
52,5 |
31,5 |
42,6 |
15,16 |
||||
|
70 |
9,0 |
100 |
123 |
61,0 |
34,5 |
2,0 |
3 |
62,2 |
22,14 |
|
|
75 |
105 |
128 |
63,5 |
37,0 |
64,5 |
22,96 |
||||
|
80 |
110 |
133 |
66,0 |
39,5 |
68,4 |
24,35 |
||||
|
85 |
115 |
138 |
68,5 |
42,0 |
71,4 |
25,42 |
||||
|
90 |
120 |
143 |
71,0 |
44,5 |
74,5 |
26,52 |
||||
|
95 |
125 |
148 |
73,5 |
47,0 |
77,6 |
27,62 |
||||
|
100 |
130 |
153 |
76,0 |
49,5 |
80,7 |
28,73 |
||||
|
110 |
140 |
163 |
81,0 |
54,5 |
86,8 |
30,90 |
||||
|
120 |
150 |
173 |
86,0 |
59,5 |
93,0 |
33,10 |
||||
|
130 |
160 |
183 |
91,0 |
64,5 |
99,1 |
35,28 |
||||
|
140 |
170 |
193 |
96,0 |
69,5 |
105,3 |
37,48 |
||||
|
150 |
180 |
203 |
101,0 |
74,5 |
111,4 |
39,62 |
||||
Пример условного обозначения скобы типа I, D = 34 мм, из стали марки 25, с покрытием Ц15.хр:
Скоба ТI-34-25-Ц15.хр ГОСТ 17678-80
То же, из стали марки 25, с покрытием Кд15.хр:
Скоба ТI-34-25-Кд15.хр ГОСТ 17678-80
То же, из стали марки 12Х18Н10Т, с покрытием Хим.Пас:
Скоба TI-34-12X18H10T-Xим.Пас ГОСТ 17678-80
То же, из алюминиевого сплава марки Д16.А.М, с покрытием Ан.Окс.нхр:
Скоба TI-34-Д16.А.М-Ан.Окс.нхр ГОСТ 17678-80
Тип II

* Размеры для справок.
Допуск симметричности оси отверстий d T 0,3 мм (допуск зависимый) относительно плоскости симметрии поверхности В.
Черт. 2
Таблица 3
Размеры в мм
|
D (пред. откл. +0,5 -0,3) |
d (пред. откл. по Н13) |
А (пред. откл. ±0,3) |
L |
H |
S |
r |
Масса 1000 шт., кг » |
Применяемость |
|
|
стальных скоб |
скоб из алюминиевого сплава |
||||||||
|
32 |
6,6 |
50 |
75 |
14,5 |
1,5 |
2 |
25,3 |
9,0 |
|
|
36 |
55 |
80 |
16,5 |
27,2 |
9,7 |
||||
|
40 |
60 |
85 |
18,5 |
29,1 |
10,4 |
||||
|
45 |
65 |
90 |
20,5 |
31,0 |
11,1 |
||||
|
50 |
70 |
95 |
22,5 |
32,9 |
11,7 |
||||
|
56 |
76 |
101 |
25,5 |
35,7 |
12,7 |
||||
|
60 |
80 |
105 |
27,5 |
37,6 |
13,4 |
||||
|
65 |
85 |
110 |
30,5 |
40,5 |
14,4 |
||||
|
70 |
9,0 |
100 |
125 |
33,0 |
2,0 |
3 |
60,0 |
21,4 |
|
|
75 |
105 |
130 |
36,0 |
63,0 |
22,4 |
||||
|
80 |
110 |
135 |
38,0 |
66,0 |
23,6 |
||||
|
85 |
115 |
140 |
41,0 |
69,0 |
24,6 |
||||
|
90 |
120 |
145 |
43,0 |
72,0 |
25,6 |
||||
|
95 |
125 |
150 |
46,0 |
75,0 |
26,8 |
||||
|
100 |
130 |
155 |
48,0 |
78,0 |
27,8 |
||||
|
105 |
135 |
160 |
51,0 |
81,0 |
28,8 |
||||
|
110 |
140 |
165 |
53,0 |
84,0 |
30,0 |
||||
|
115 |
145 |
170 |
56,0 |
87,0 |
31,0 |
||||
|
120 |
150 |
175 |
58,0 |
90,0 |
32,0 |
||||
|
125 |
155 |
180 |
61,0 |
93,0 |
33,2 |
||||
|
130 |
160 |
185 |
63,0 |
96,0 |
34,2 |
||||
|
135 |
165 |
190 |
66,0 |
99,0 |
35,4 |
||||
|
140 |
170 |
195 |
68,0 |
102,0 |
36,4 |
||||
|
145 |
175 |
200 |
71,0 |
105,0 |
37,4 |
||||
|
150 |
180 |
205 |
73,0 |
108,0 |
38,4 |
||||
Пример условного обозначения скобы типа II, D = 36 мм, из стали марки 25, с покрытием Ц15.хр:
Скоба ТII-36-25-Ц15.хр ГОСТ 17678-80
То же, из стали марки 25, с покрытием Кд15.хр:
Скоба ТII-36-25-Кд15.хр ГОСТ 17678-80
То же, из стали марки 12Х18Н10Т, с покрытием Хим.Пас:
Скоба ТII-36-12Х18Н10Т-Хим.Пас ГОСТ 17678-80
То же, из алюминиевого сплава марки Д16.А.М, с покрытием Ан.Окс.нхр:
Скоба ТII-36-Д16.А.М-Ан.Окс.нхр ГОСТ 17678-80
Тип III
* Размеры для справок.
Допуск симметричности оси отверстий d Т 0,3 мм (допуск зависимый) относительно плоскости симметрии поверхности Г.
Черт. 3
Таблица 4
Размеры в мм
|
D (пред. откл. +0,5 -0,3) |
d (пред. откл. по Н13) |
А (пред. откл. ±0,3) |
B (пред. откл. по h15) |
L |
H |
S |
r |
R |
Масса 1000 шт., кг » |
Применяемость |
|
|
стальных скоб |
скоб из алюминиевого сплава |
||||||||||
|
3 |
2,4 |
11 |
6 |
17 |
2,5 |
0,5 |
1,2 |
3 |
0,36 |
0,13 |
|
|
4 |
3,5 |
0,40 |
0,14 |
||||||||
|
5 |
3,4 |
16 |
8 |
24 |
3,8 |
0,8 |
1,5 |
4 |
1,09 |
0,39 |
|
|
6 |
18 |
26 |
4,8 |
1,26 |
0,45 |
||||||
|
8 |
20 |
28 |
6,0 |
1,0 |
1,61 |
0,58 |
|||||
|
10 |
22 |
30 |
8,0 |
2,33 |
0,83 |
||||||
|
12 |
4,5 |
26 |
10 |
36 |
10,0 |
5 |
3,14 |
1,13 |
|||
|
14 |
30 |
40 |
12,2 |
1,2 |
2,0 |
4,50 |
1,60 |
||||
|
16 |
32 |
42 |
14,2 |
5,12 |
1,83 |
||||||
|
18 |
34 |
44 |
16,2 |
5,44 |
1,95 |
||||||
|
20 |
36 |
46 |
18,2 |
5,94 |
2,12 |
||||||
|
22 |
38 |
48 |
20,2 |
6,41 |
2,28 |
||||||
|
25 |
40 |
50 |
22,2 |
6,84 |
2,44 |
||||||
|
28 |
45 |
55 |
25,5 |
1,5 |
4,0 |
9,35 |
3,34 |
||||
|
32 |
50 |
60 |
28,5 |
10,78 |
3,84 |
||||||
|
36 |
55 |
65 |
32,5 |
12,78 |
4,55 |
||||||
|
40 |
5,5 |
60 |
12 |
72 |
36,5 |
6 |
16,1 |
5,74 |
|||
|
45 |
65 |
77 |
40,5 |
17,6 |
6,26 |
||||||
|
50 |
70 |
82 |
45,5 |
19,5 |
6,95 |
||||||
|
55 |
75 |
87 |
50,5 |
21,12 |
7,55 |
||||||
|
60 |
80 |
92 |
55,5 |
23,00 |
8,20 |
||||||
Пример условного обозначения скобы типа III, D = 32 мм, из стали марки 25, с покрытием Ц15.хр:
Скоба ТIII-32-25-Ц15.хр ГОСТ 17678-80
То же, из стали марки 25, с покрытием Кд15.хр:
Скоба ТIII-32-25-Кд15.хр ГОСТ 17678-80
То же, из стали марки 12Х18Н10Т, с покрытием Хим.Пас:
Скоба TIII-32-12Х18Н10Т-Хим.Пас ГОСТ 17678-80
То же, из алюминиевого сплава марки Д16.А.М, с покрытием Ан.Окс.нхр:
Скоба TIII-32-Д16.А.М-Ан.Окс.нхр ГОСТ 17678-80
3. Конструкция и размеры скоб для крепления кабелей должны соответствовать указанным на черт. 4, 5 и в табл. 5, 6, соответственно.
Тип IV
* Размер для справок.
Допуск симметричности центра радиуса R Т 0,6 мм (допуск зависимый) относительно поверхности Б.
Черт. 4
Таблица 5
Размеры в мм
|
Число кабелей |
D (пред. откл. +0,5 -0,3) |
d (пред. откл. по Н13) |
А (пред. откл. ±0,2) |
В (пред. откл. по h15) |
L |
l (пред. откл. ±0,5) |
l1 |
H |
S |
r |
R |
Масса 1000 шт., кг » |
Применяемость |
||
|
стальных скоб |
скоб из алюминиевого сплава |
||||||||||||||
|
3 |
2 |
3 |
3,4 |
17 |
10 |
25 |
6 |
4 |
3 |
0,8 |
1,5 |
6 |
1,8 |
0,6 |
|
|
3 |
20 |
28 |
9 |
2,0 |
0,7 |
||||||||||
|
4 |
23 |
31 |
12 |
2,2 |
0,8 |
||||||||||
|
5 |
26 |
34 |
15 |
2,4 |
0,9 |
||||||||||
|
6 |
29 |
37 |
18 |
2,6 |
0,9 |
||||||||||
|
4 |
2 |
4 |
19 |
27 |
8 |
4 |
1,9 |
0,7 |
|||||||
|
3 |
23 |
31 |
12 |
2,2 |
0,8 |
||||||||||
|
4 |
27 |
35 |
16 |
2,4 |
0,9 |
||||||||||
|
5 |
31 |
39 |
20 |
2,7 |
1,0 |
||||||||||
|
6 |
35 |
43 |
24 |
2,9 |
1,0 |
||||||||||
|
5 |
2 |
5 |
21 |
29 |
10 |
5 |
1,0 |
2,6 |
0,9 |
||||||
|
3 |
26 |
34 |
15 |
3,0 |
1,1 |
||||||||||
|
4 |
31 |
39 |
20 |
3,4 |
1,2 |
||||||||||
|
5 |
36 |
44 |
25 |
3,8 |
1,4 |
||||||||||
|
6 |
41 |
49 |
30 |
4,2 |
1,5 |
||||||||||
|
6 |
2 |
6 |
23 |
31 |
12 |
6 |
2,8 |
1,0 |
|||||||
|
3 |
29 |
37 |
18 |
3,3 |
1,2 |
||||||||||
|
4 |
35 |
43 |
24 |
3,7 |
1,3 |
||||||||||
|
5 |
41 |
49 |
30 |
4,2 |
1,5 |
||||||||||
|
6 |
47 |
55 |
36 |
4,7 |
1,7 |
||||||||||
|
8 |
2 |
8 |
28 |
36 |
16 |
8 |
3,0 |
1,1 |
|||||||
|
3 |
36 |
44 |
24 |
3,6 |
1,3 |
||||||||||
|
4 |
44 |
52 |
32 |
4,3 |
1,5 |
||||||||||
|
5 |
52 |
60 |
40 |
5,9 |
2,1 |
||||||||||
|
6 |
60 |
68 |
48 |
6,5 |
2,3 |
||||||||||
|
10 |
2 |
10 |
4,5 |
34 |
12 |
42 |
20 |
9,0 |
8 |
4,6 |
1,6 |
||||
|
3 |
44 |
52 |
30 |
5,6 |
2,0 |
||||||||||
|
4 |
54 |
62 |
40 |
6,6 |
2,5 |
||||||||||
|
12 |
2 |
12 |
38 |
46 |
24 |
11,0 |
5,3 |
1,9 |
|||||||
|
3 |
50 |
58 |
36 |
6,4 |
2,3 |
||||||||||
|
4 |
62 |
70 |
48 |
7,5 |
2,7 |
||||||||||
|
14 |
2 |
14 |
42 |
50 |
28 |
13,0 |
6,0 |
2,2 |
|||||||
|
3 |
56 |
64 |
42 |
7,3 |
2,6 |
||||||||||
|
4 |
70 |
78 |
56 |
8,6 |
3,1 |
||||||||||
|
(15) |
2 |
15 |
45 |
53 |
30 |
14,2 |
1,2 |
2,0 |
7,7 |
2,7 |
|||||
|
3 |
60 |
68 |
45 |
9,4 |
3,4 |
||||||||||
|
4 |
75 |
83 |
60 |
11,0 |
3,9 |
||||||||||
|
16 |
2 |
16 |
48 |
56 |
32 |
15,2 |
8,2 |
2,9 |
|||||||
|
3 |
64 |
72 |
48 |
10,0 |
3,6 |
||||||||||
|
4 |
80 |
88 |
64 |
11,8 |
4,2 |
||||||||||
|
18 |
2 |
18 |
52 |
60 |
36 |
17,2 |
9,0 |
3,2 |
|||||||
|
3 |
70 |
78 |
54 |
11,1 |
4,0 |
||||||||||
|
4 |
88 |
96 |
72 |
13,1 |
4,7 |
||||||||||
|
20 |
2 |
20 |
5,5 |
58 |
16 |
68 |
40 |
5 |
19,0 |
1,5 |
10 |
16,9 |
6,0 |
||
|
3 |
78 |
88 |
60 |
20,7 |
7,4 |
||||||||||
|
4 |
98 |
108 |
80 |
24,4 |
8,7 |
||||||||||
|
22 |
2 |
22 |
62 |
72 |
44 |
21,0 |
18,2 |
6,5 |
|||||||
|
3 |
84 |
94 |
66 |
22,3 |
7,9 |
||||||||||
|
22 |
4 |
22 |
106 |
116 |
88 |
21 |
26,4 |
9,4 |
|||||||
|
25 |
2 |
25 |
68 |
78 |
50 |
24 |
20,2 |
7,2 |
|||||||
|
3 |
93 |
103 |
75 |
24,9 |
8,9 |
||||||||||
|
4 |
118 |
128 |
100 |
29,6 |
10,5 |
||||||||||
|
28 |
2 |
28 |
74 |
84 |
56 |
27 |
22,2 |
7,9 |
|||||||
|
3 |
102 |
112 |
84 |
27,5 |
9,8 |
||||||||||
|
4 |
130 |
140 |
112 |
32,7 |
11,6 |
||||||||||
|
30 |
2 |
30 |
78 |
88 |
60 |
29 |
23,6 |
8,4 |
|||||||
|
3 |
108 |
118 |
90 |
29,2 |
10,4 |
||||||||||
|
4 |
138 |
148 |
120 |
34,8 |
12,4 |
||||||||||
Примечание. Диаметр D, заключенный в скобки, применять не рекомендуется.
Пример условного обозначения скобы типа IV, D = 10 мм, l = 20 мм, из стали марки 25, с покрытием Ц15.хр:
Скоба KIV-10-20-25-Ц15.хр ГОСТ 17678-80
То же, из стали марки 25, с покрытием Кд15.хр:
Скоба KIV-10-20-25-Kд15.xp ГОСТ 17678-80
То же, из алюминиевого сплава марки Д16.А.М, с покрытием Ан.Окс.нхр:
Скоба KIV-10-20-Д16.А.М-Ан.Окс.нхр ГОСТ 17678-80
То же, из стали марки 12Х18Н10Т, с покрытием Хим.Пас:
Скоба KIV-10-20-12Х18Н10Т-Хим.Пас ГОСТ 17678-80
Тип V
1. Параметр шероховатости поверхности в местах удаления литников и облоя Rz £ 40 мкм.
2. Допуск симметричности оси отверстий d Т 0,3 мм (допуск зависимый) относительно плоскости симметрии поверхности Г.
Черт. 5
Таблица 6
Размеры в мм
|
D (пред. откл. +0,5 -0,3) |
d (пред. откл. по Н13) |
А (пред. откл. ±0,3) |
B |
L |
l |
H |
h |
S |
Масса 1000 шт., кг » |
Применяемость |
|
10 |
3,4 |
24 |
13 |
32 |
4,0 |
10 |
1,5 |
1,5 |
1,0 |
|
|
11 |
25 |
33 |
11 |
1,1 |
||||||
|
12 |
26 |
34 |
12 |
1,2 |
||||||
|
13 |
27 |
35 |
13 |
1,3 |
||||||
|
14 |
28 |
36 |
14 |
1,4 |
||||||
|
(15) |
29 |
37 |
15 |
1,5 |
||||||
|
16 |
30 |
38 |
16 |
1,6 |
||||||
|
18 |
32 |
40 |
18 |
1,7 |
||||||
|
20 |
34 |
42 |
20 |
1,9 |
||||||
|
22 |
36 |
44 |
22 |
2,1 |
||||||
|
25 |
39 |
15 |
47 |
25 |
2,6 |
|||||
|
28 |
42 |
50 |
28 |
2,8 |
||||||
|
30 |
4,5 |
47 |
18 |
57 |
5,0 |
30 |
2,0 |
2,0 |
4,7 |
|
|
32 |
49 |
59 |
32 |
4,9 |
||||||
|
36 |
53 |
63 |
36 |
5,6 |
||||||
|
40 |
57 |
67 |
40 |
6,1 |
||||||
|
45 |
62 |
72 |
45 |
6,7 |
||||||
|
50 |
68 |
20 |
78 |
50 |
2,5 |
2,5 |
9,2 |
|||
|
55 |
74 |
84 |
55 |
10,8 |
Примечание. Диаметр D, заключенный в скобки, применять не рекомендуется.
Пример условного обозначения скобы типа V, D = 16 мм, из литьевого полиамида 610:
Скоба KV-16-610 ГОСТ 17678-80
То же, из полиэтилена 20908-40:
Скоба KV-16-209 ГОСТ 17678-80
То же, из полиэтилена 21008-075:
Скоба KV-16-210 ГОСТ 17678-80
1 - 3. (Измененная редакция, Изм. № 1, 2).
4. Скобы должны изготовляться из материалов, указанных в табл. 7.
Таблица 7
|
Материал |
|
|
Скобы типов I - III для крепления трубопроводов и скобы типа IV для крепления кабелей |
Лента 25-S´B по ГОСТ 2284 |
|
Лента S-М-НТ-НО 12Х18Н10Т-3 по ГОСТ 4986 |
|
|
Лист Д16.А.МS по ГОСТ 21631 |
|
|
Допускаемый материал: лента 20-S´B по ГОСТ 2284 |
|
|
лента S-М-НТ-НО 12Х17Г9АН4-3 по ГОСТ 4986 |
|
|
|
|
|
|
|
|
|
|
|
|
|
|
|
|
|
|
|
|
Скобы типа V для крепления кабелей |
Полиамид 610 литьевой по ГОСТ 10589. Допускается изготовлять скобы из полиэтилена 20908-040 или 21008-075 2-го сорта по ГОСТ 16338 |
Примечание. S - толщина ленты или листа; В - ширина ленты.
(Измененная редакция, Изм. № 2).
5. Общие технические требования, правила приемки, методы контроля, маркировка, упаковка, хранение, транспортирование и гарантии изготовителя - по ГОСТ 17019.
ИНФОРМАЦИОННЫЕ ДАННЫЕ
1. РАЗРАБОТЧИКИ
А.В. Анфиногенов (руководитель темы), Е.Е. Муравьев, Т.П. Извольская
2. УТВЕРЖДЕН И ВВЕДЕН В ДЕЙСТВИЕ Постановлением Государственного комитета стандартов Совета Министров СССР от 17.04.80 № 1737
3. Срок проверки - 1993 г.
4. ВЗАМЕН ГОСТ 17678-72, ГОСТ 16685-71, ГОСТ 16687-71
5. ССЫЛОЧНЫЕ НОРМАТИВНО ТЕХНИЧЕСКИЕ ДОКУМЕНТЫ
|
Обозначение НТД, на который дана ссылка |
Номер пункта |
6. ПЕРЕИЗДАНИЕ июнь 1992 г. с Изменениями № 1, 2, утвержденными в июне 1985 г., декабре 1988 г. (ИУС 9-85, 3-89)
7. Проверен в 1988 г. Постановлением Госстандарта СССР от 26.06.85 № 1915 снято ограничение срока действия