Earth-moving machinery. Dozer end bits. Hole specification

ГОСТ 28905-91
(ИСО 7891-84)

МЕЖГОСУДАРСТВЕННЫЙ СТАНДАРТ

МАШИНЫ ЗЕМЛЕРОЙНЫЕ

НОЖИ БОКОВЫЕ
БУЛЬДОЗЕРНЫХ ОТВАЛОВ

ОТВЕРСТИЯ

 

 

 

 

 

ИПК ИЗДАТЕЛЬСТВО СТАНДАРТОВ
Москва

 

 

 

МЕЖГОСУДАРСТВЕННЫЙ СТАНДАРТ

Машины землеройные

НОЖИ БОКОВЫЕ БУЛЬДОЗЕРНЫХ ОТВАЛОВ

Отверстия

Earth-moving machinery. Dozer end bits. Hole specification

ГОСТ
28905-91

(ИСО 7891-84)

Дата введения 01.01.92

1. НАЗНАЧЕНИЕ И ОБЛАСТЬ ПРИМЕНЕНИЯ

Настоящий стандарт распространяется на неповоротные, поворотные, сферические и полусферические бульдозерные отвалы и устанавливает основные требования к расположению, формам и размерам отверстий под болты крепления боковых ножей бульдозерных отвалов (далее - боковых ножей).

Стандарт распространяется на вновь разрабатываемые и модернизируемые бульдозеры.

Все требования стандарта являются обязательными.

2. ОПРЕДЕЛЕНИЯ

Боковой нож - нож, расположенный по обеим сторонам среднего ножа бульдозерного отвала (черт. 1).

Черт. 1

3. РАСПОЛОЖЕНИЕ ОТВЕРСТИЙ В БОКОВЫХ НОЖАХ, КОМПЛЕКТУЕМЫХ
СО СРЕДНИМИ НОЖАМИ, ИМЕЮЩИМИ ШАГ ОТВЕРСТИЙ 152,4 мм

3.1. Расположение отверстий в боковых ножах бульдозеров должно соответствовать указанным на черт. 2-4 и в табл. 1-3.

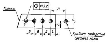
Ножи с одним рядом отверстий

Черт. 2

Таблица 1

мм

А

В

Zmin

L

70

127

85

75

50,8_3

101,6

 

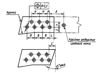
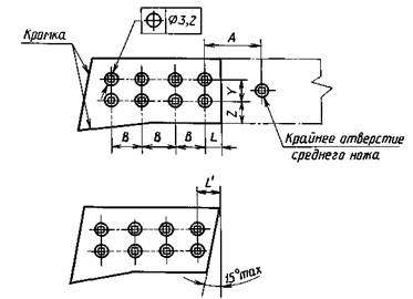
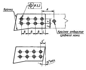
Ножи с двумя рядами отверстий.
Линейное расположение

Черт. 3

Таблица 2

А

В

Zmin

Y

L

L'

127

70

50

40

50,8_3

63,5_3

101,6

63,5

 

Ножи с двумя рядами отверстий.
Нелинейное расположение

Черт. 4

Таблица 3

мм

А

B

H

Zmin

Y

L

L'

M

152,4

70

50

75

76,2_3

88,9_3

35

76,2

101,6

82,6

0

85

45

42,5

101,6

92,1

50,8

105

85

80

0

3.2. Центр зенковки каждого отверстия должен находиться в пределах окружности диаметром 3,2 мм.

4. РАСПОЛОЖЕНИЕ ОТВЕРСТИЙ В БОКОВЫХ НОЖАХ, КОМПЛЕКТУЕМЫХ
СО СРЕДНИМИ НОЖАМИ, ИМЕЮЩИМИ ШАГ ОТВЕРСТИЙ 140 мм

4.1. Расположение отверстий в боковых ножах бульдозеров должно соответствовать указанным на черт. 5-7 и в табл. 4-6.

Ножи с одним рядом отверстий

Черт. 5

Таблица 4

А

В

Zmm

L

140

70

75

70_3

140

 

Ножи с двумя рядами отверстий. Линейное расположение

Черт. 6

Таблица 5

мм

А

В

Zmin

Y

L

L'

140

70

50

70

70_5

80

140

100

88,9_5

70

80

100

Ножи с двумя рядами отверстий. Нелинейное расположение

Черт. 7

Примечания к черт. 2-7:

1. На чертежах показан правый боковой нож. Чертеж не определяет форму бокового ножа.

2. Формы бокового ножа могут быть разными в зависимости от типа отвала (неповоротный, полусферический и т. д.).

3. При необходимости наружное отверстие допускается не выполнять.

Таблица 6

А

В

Н

Zmin

Y

L

L'

M

140

70

50

80

70_5

88,9_5

35

100

140

80

50

100

70

4.2. Центр зенковки отверстия должен находиться в пределах окружности диаметром 3,2 мм.

5. ОТВЕРСТИЕ ПОД БОЛТ КРЕПЛЕНИЯ

Формы и размеры отверстий под болты крепления - по ГОСТ 28771.

 

ИНФОРМАЦИОННЫЕ ДАННЫЕ

1. РАЗРАБОТАН И ВНЕСЕН Министерством тяжелого машиностроения СССР

РАЗРАБОТЧИКИ

А.Я. Ландсман, И.А. Бутрин, А.В. Жаворонков, П.Г. Ваганов, B.C. Романов, B.C. Калинин

2. УТВЕРЖДЕН И ВВЕДЕН В ДЕЙСТВИЕ Постановлением Государственного комитета СССР по управлению качеством продукции и стандартам от 30.01.91 № 73

Стандарт подготовлен методом прямого применения международного стандарта ИСО 7891-84 «Машины землеройные. Боковые ножи бульдозеров. Отверстия» и полностью ему соответствует

3. ССЫЛОЧНЫЕ НОРМАТИВНО-ТЕХНИЧЕСКИЕ ДОКУМЕНТЫ

Обозначение НТД, на который дана ссылка

Номер раздела

ГОСТ 28771-90

5

4. ПЕРЕИЗДАНИЕ. Ноябрь 2004 г.

СОДЕРЖАНИЕ

1 Назначение и область применения

2 Определения

3 Расположение отверстий в боковых ножах, комплектуемых со средними ножами, имеющими шаг отверстий 152,4 мм

4 Расположение отверстий в боковых ножах, комплектуемых со средними ножами, имеющими шаг отверстий 140 мм

5 Отверстие под болт крепления