ГОСТ Р 50460-92
ГОСУДАРСТВЕННЫЙ СТАНДАРТ РОССИЙСКОЙ ФЕДЕРАЦИИ
ЗНАК
СООТВЕТСТВИЯ
ПРИ ОБЯЗАТЕЛЬНОЙ СЕРТИФИКАЦИИ
Форма, размеры
и технические требования
ГОССТАНДАРТ РОССИИ
Москва
Предисловие
1 РАЗРАБОТАН Всероссийским научно-исследовательским институтом сертификации (ВНИИС) Госстандарта России и Всероссийским научно-исследовательским институтом комплексной информации по стандартизации и качеству (ВНИИКИ) Госстандарта России
ВНЕСЕН Главным управлением технической политики в области сертификации Госстандарта России
2 УТВЕРЖДЕН И ВВЕДЕН В ДЕЙСТВИЕ Постановлением Госстандарта России от 28 декабря 1992 г. № 1570
3 ВВЕДЕН ВПЕРВЫЕ
4 ИЗДАНИЕ (март 2007 г.) с Изменениями № 1, 2, 3, принятыми в ноябре 1999 г., сентябре 2000 г., июне 2001 г. (ИУС 12-99, 12-2000, 9-2001)
ГОСТ Р 50460-92
ГОСУДАРСТВЕННЫЙ СТАНДАРТ РОССИЙСКОЙ ФЕДЕРАЦИИ
|
ЗНАК СООТВЕТСТВИЯ ПРИ ОБЯЗАТЕЛЬНОЙ СЕРТИФИКАЦИИ Форма, размеры и технические требования Mark of conformity for mandatory
certification. |
Дата введения 1993-07-01
1 Настоящий стандарт устанавливает форму, размеры и технические требования к знаку соответствия (в том числе к знаку соответствия, защищенному от подделок), применяемому в Системе сертификации ГОСТ Р для указания соответствия маркированной им продукции, работ и услуг требованиям, предусмотренным для обязательного подтверждения соответствия (рисунки 1 - 4).
(Измененная редакция, Изм. № 2).
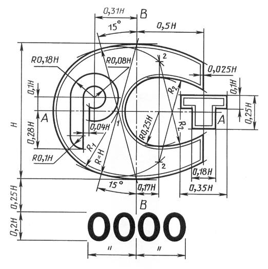
2 Размеры знака соответствия определяет предприятие (организация, учреждение), получившее право на его применение, установлением базового размера H (рисунок 5). Базовый размер H должен быть не менее 4 мм.
Размеры знака соответствия должны гарантировать четкость и различимость его элементов невооруженным глазом.
Код органа по сертификации, выдавшего сертификат соответствия, наносят на расстоянии 0,25 H под графическим изображением знака соответствия по рисунку 5, симметрично относительно вертикальной оси В знака шрифтом, приведенным на рисунке 6, высотой 0,2 H.
При применении знака соответствия для продукции, соответствие которой подтверждено декларацией о соответствии, код органа по сертификации, зарегистрировавшего декларацию о соответствии, под графическим изображением знака соответствия не наносится.
(Измененная редакция, Изм. № 1).
3 Изображение знака соответствия должно быть четко отличимым от поверхности изделия.
4 Знак соответствия выполняют различными технологическими способами, обеспечивающими его четкое и ясное изображение в течение всего срока службы изделия.
5 Знак соответствия, защищенный от подделок, представляет собой предназначенную для наклейки на поверхность маркирования тонкую многослойную основу, внутри которой находится ограниченный окружностью диаметром 12 мм рельеф, создающий изображение, наблюдаемое визуально.
В центре окружности в зависимости от угла зрения должно просматриваться графическое изображение знака соответствия, выполненное согласно рисункам 1 и 5 без кода органа по сертификации, и меняющий свою форму характерный узор из тонких линий.
В верхней части круга, содержащего знак соответствия, защищенный от подделок, имеется трехразрядное буквенное обозначение серии, а в нижней - шестизначный порядковый номер данного экземпляра знака соответствия.
При попытке термического или механического воздействия на основу знака соответствия, защищенного от подделок, она должна разрушаться.
(Измененная редакция, Изм. № 2, 3).
Рисунок 1

Рисунок 2

Рисунок 3
Рисунок 4
Рисунок 5
Рисунок 6
Ключевые слова: знак соответствия при обязательной сертификации продукции; форма знака соответствия; размеры знака соответствия; технические требования к знаку соответствия