
ГОСУДАРСТВЕННЫЙ СТАНДАРТ СОЮЗА ССР
НАСОСЫ ПИТАТЕЛЬНЫЕ
ЭНЕРГЕТИЧЕСКИХ БЛОКОВ АЭС
ОБЩИЕ ТЕХНИЧЕСКИЕ УСЛОВИЯ
ГОСТ 24464-80
ГОСУДАРСТВЕННЫЙ КОМИТЕТ СССР ПО СТАНДАРТАМ
Москва
РАЗРАБОТАН Министерством химического и нефтяного машиностроения
ИСПОЛНИТЕЛИ
А. Я. Ильченко (руководитель темы), Б. И. Остапенко, В. П. Недоспасов, В. Л. Лысенко, М. Н. Иванов
ВНЕСЕН Министерством химического и нефтяного машиностроения
Член Коллегии А. М. Васильев
УТВЕРЖДЕН И ВВЕДЕН В ДЕЙСТВИЕ Постановлением Государственного комитета СССР по стандартам от 19 декабря 1980 г. № 5893
ГОСУДАРСТВЕННЫЙ СТАНДАРТ СОЮЗА ССР
|
НАСОСЫ
ПИТАТЕЛЬНЫЕ Общие технические условия Feed pumps for nuclear power plant. |
ГОСТ |
Постановлением Государственного комитета СССР по стандартам от 19 декабря 1980 г. № 5893 срок действия установлен
с 01.01.1982 г.
до 01.01.1987 г.
Настоящий стандарт распространяется на основные, аварийные и предвключенные центробежные питательные насосы с приводом от электродвигателя (ПЭА) и с приводом от паровой турбины (ПТА), предназначенные для подачи питательной воды в энергетических блоках атомных электростанций (АЭС), а также атомных теплоэлектроцентралей (АТЭЦ).
(Измененная редакция, Изм. № 2).
Питательная вода должна иметь водородный показатель рН 6,8 - 9,2, радиоактивность не более 3,7·106 Бк·м-3 и не должна содержать твердых частиц размером более 0,1 мм и концентрацией более 5 мг/л.
1.1. Основные параметры насосов для номинального режима должны соответствовать указанным в табл. 1.
Рекомендуемые рабочие части характеристик насосов должны соответствовать указанным на чертеже 1.
(Измененная редакция, Изм. № 2).
Таблица 1
|
Подача Q |
Напор Н, м (пред. откл. ± 3 %) |
Давление насоса |
Допускаемый кавитационный запас, м |
Давление на входе в насос, не более |
Мощность, кВт |
КПД, %, не менее |
Частота вращения (синхронная) |
Температура питательной воды на входе в насос, не более |
Габаритные размеры, мм, не более |
Масса, кг, не более |
||||||||
|
м3/с |
м3/ч |
МПа |
кгс/см2 |
МПа |
кгс/см2 |
с-1 |
об/мин |
К |
°С |
Ширина |
Длина |
Высота |
||||||
|
Основные питательные насосы |
||||||||||||||||||
|
ПЭА 850-65 |
0,236 |
850 |
714 |
6,34 |
64,6 |
9,0 |
0,88 |
9 |
1870 |
80 |
50 |
3000 |
438 |
165 |
1680 |
2470 |
1410 |
5350 |
|
ПЭА 1650-75 |
0,458 |
1650 |
830 |
7,33 |
74,7 |
15,0 |
4100 |
82 |
443 |
170 |
1760 |
2780 |
1980 |
10230 |
||||
|
ПЭА 1650-80 |
910 |
7,85 |
80,0 |
1,47 |
15 |
4340 |
83 |
463 |
190 |
1850 |
3000 |
2000 |
11600 |
|||||
|
ПТА 3750-75 |
1,042 |
3750 |
810 |
7,19 |
73,3 |
135,0 |
2,65 |
27 |
9130 |
82 |
58,3 |
3500 |
438 |
165 |
2160 |
3460 |
2165 |
20200 |
|
ПТА 3600-65 |
1,000 |
3600 |
750 |
6,46 |
65,9 |
135 |
3,92 |
40 |
7890 |
82 |
91,7 |
5500 |
463 |
190 |
2140 |
2310 |
2025 |
15000 |
|
ПТА 2800-65 |
0,778 |
2800 |
95 |
6140 |
||||||||||||||
|
Аварийные питательные насосы |
||||||||||||||||||
|
ПЭА 65-50 |
0,018 |
65 |
580 |
5,14 |
52,4 |
6,0 |
2,35 |
24 |
144 |
65 |
50 |
3000 |
438 |
165 |
980 |
1860 |
1010 |
1560 |
|
ПЭА 150-85 |
0,042 |
150 |
910 |
8,07 |
82,3 |
7,5 |
0,98 |
10 |
490 |
69 |
1120 |
2110 |
1212 |
3500 |
||||
|
ПЭА 250-75 |
0,069 |
250 |
830 |
7,33 |
74,7 |
9,0 |
0,88 |
9 |
680 |
75 |
443 |
170 |
1140 |
1960 |
1180 |
2815 |
||
|
ПЭА 250-80 |
880 |
7,58 |
77,3 |
1,47 |
15 |
725 |
73 |
463 |
190 |
1300 |
2320 |
1340 |
4650 |
|||||
|
Предвключенные питательные насосы |
||||||||||||||||||
|
ПТА 3800-20 |
1,056 |
3800 |
215 |
1,90 |
19,4 |
17,0 |
0,98 |
10 |
2450 |
82 |
30 |
1800 |
438 |
165 |
1875 |
2380 |
1880 |
7150 |
|
ПТА 3600-16 |
1,000 |
3600 |
180 |
1,55 |
15,8 |
15 |
1,47 |
15,0 |
1890 |
82 |
31,7 |
1900 |
463 |
190 |
1780 |
2325 |
1895 |
6000 |
|
0,778 |
2800 |
200 |
1,72 |
17,5 |
1630 |
|||||||||||||
(Измененная редакция, Изм. № 2).
Примечания:
1. Исключен, Изм. № 2..
2. В условном обозначения насосов значения давления в кгс/см2 округлены.
Рабочие части характеристик Q - H
Черт. 1.
1.2. Насосы должны иметь постоянно падающую напорную характеристику в интервале подач от 25 до 110 % номинальной. При этом максимальный напор не должен превышать значение номинального напора более чем на 30 % для насосов с подачей 0,236 м3/с (850 м3/ч) и выше более чем на 18 % для остальных насосов.
Пример условного обозначения питательного насоса для АЭС с приводом от электродвигателя, подачей 0,236 м3/с (850 м3/ч) и давлением 6,34 МПа (64,6 кгс/см2):
Насос ПЭА 850-65 ГОСТ 24464-80
То же, с приводом от паровой турбины, подачей 1,056 м3/с (3800 м3/ч) и давлением 1,90 МПа (19,4 кгс/см2)
Насос ПТА 3800-20 ГОСТ 24464-80
При модернизации насосов (или совершенствовании конструкции без изменения подачи и напора) в обозначение типоразмера через тире следует вводить цифры, указывающие порядковый номер модернизации по системе нумерации предприятия-изготовителя.
2.1. Насосы должны изготовляться в соответствии с требованиями настоящего стандарта и технических условий на насосы конкретных типоразмеров по рабочим чертежам, утвержденным в установленном порядке.
2.2. Корпуса насосов должны соответствовать требованиям «Правил устройства и безопасной эксплуатации оборудования атомных электростанций, опытных и исследовательских ядерных реакторов и установок», утвержденных Госгортехнадзором СССР и Госкомитетом по использованию атомной энергии СССР.
2.3. Насосы должны изготовляться в климатическом исполнении УХЛ категории размещения 4 по ГОСТ 15150-69.
2.4. Группа надежности насосов - I по ГОСТ 6134-71.
2.5. В насосах или на их плитах (рамах) должны быть предусмотрены регулирующие устройства для выверки их положения на фундаменте и места для установки уровня.
Места для установки уровня должны быть указаны на монтажном чертеже.
2.6. Суммарные внешние утечки жидкости через концевые уплотнения ротора насоса не должны превышать 0,1 м3/ч. Отвод утечек должен быть организованным.
2.7. Наработка на отказ основных и предвключенных насосов - не менее 6300 ч.
Установленный ресурс до капитального ремонта основных и предвключенных насосов - не менее 25000 ч.
Назначенный срок службы аварийных насосов до капитального ремонта - не менее 5 лет.
Вероятность безотказной работы аварийных насосов за 1000 ч - не менее 0,95.
Установленный срок службы насосов до списания - 30 лет.
Наработка на отказ насосов ПЭА 850-65 и ПЭА 1650-80 - не менее 8000 ч.
Критерии отказов и предельных состояний насосов должны быть указаны в технических условиях на конкретную продукцию.
(Измененная редакция, Изм. № 2).
2.8, 2.9. (Исключены, Изм. № 2).
2.10. Необходимое снижение напора насосов при эксплуатации достигается обточкой рабочих колес по наружному диаметру до 5 % его первоначального значения в соответствии с эксплуатационной документацией.
2.11. Конструкция насосов должна быть рассчитана для установки их на АЭС в сейсмических районах.
2.12. Показатели ремонтопригодности насосов должны быть указаны в технических условиях на насос конкретного типоразмера,
2.13. Среднее квадратическое значение виброскорости, измеренное на корпусах подшипников, не должно быть более 7 мм/с.
2.14. Наружные поверхности насоса должны иметь стойкие лакокрасочные покрытия. Класс покрытия насоса не ниже - VI, условия эксплуатации покрытия - 8 по ГОСТ 9.032-74.
(Измененная редакция, Изм. № 1).
2.15. Колеса и роторы в сборе должны быть отбалансированы. Класс точности балансировки роторов - 3 по ГОСТ 22061-76.
(Измененная редакция, Изм. № 2).
3.1. Общие требования безопасности насосов - по ГОСТ 12.2.003-74.
3.2. Муфта, соединяющая валы насоса и привода, должна быть ограждена.
Конструкция ограждения должна исключать возможность его снятия без применения инструмента.
3.3. На каждом насосе и крупногабаритных деталях должны быть предусмотрены места для строповки при выполнении погрузочно-разгрузочных, монтажных и ремонтных работ. Места и схема строповки должны быть указаны на монтажном чертеже.
3.4. Направление вращения ротора насоса должно быть обозначено стрелкой, на корпусе насоса, окрашенной в красный цвет.
3.5. В насосах должны быть предусмотрены:
устройства для визуального наблюдения за наличием масла в подшипниках;
гнезда для установки датчиков дистанционного контроля температуры подшипников насоса.
3.6. Техническое обслуживание насоса, связанное с его частичной разборкой, подтяжкой резьбовых соединений, заменой масла и т. д. должно производиться после его останова и остывания.
3.7. Конструкция насосов и объем защиты должны обеспечивать нормальную их работу без обслуживающего персонала и автоматический останов агрегата при снижении давления ниже допустимого в напорном патрубке насоса и в масляной магистрали (для насосов с принудительной системой смазки).
Контроль технического состояния насоса должен проводиться с применением индивидуальных средств защиты органов слуха в течение 15 мин в смену.
Эксплуатация насосов без средств защиты и контрольно-измерительных приборов не допускается.
3.8. Октавные уровни звуковой мощности LР и корректированные уровни звуковой мощности LPA насосных агрегатов при комплектовании их электродвигателями 1-го класса по ГОСТ 16372-84 не должны превышать значений, указанных в табл. 2, и должны указываться в паспорте.
При применении электродвигателей 2 и 3-го классов по ГОСТ 16372-77 уровни звуковой мощности насосных агрегатов должны быть ниже указанных в табл. 2 на 5 и 10 дБ·А, соответственно.
(Измененная редакция, Изм. № 2).
Таблица 2
|
Октавные уровни звуковой мощности LP, дБ для среднегеометрических частот октавных полос, Гц |
Корректированные уровни звуковой мощности LPА, дБ·А |
||||||||
|
63 |
125 |
250 |
500 |
1000 |
2000 |
4000 |
8000 |
||
|
ПЭА 850-65; ПЭА 1650-75; ПЭА 1650-80 |
130 |
123 |
117 |
114 |
111 |
109 |
107 |
105 |
116 |
|
ПЭА 65-50 |
126 |
119 |
113 |
110 |
107 |
105 |
103 |
101 |
112 |
|
ПЭА 150-85; ПЭА 250-75; ПЭА 250-80 |
132 |
125 |
119 |
116 |
113 |
111 |
103 |
107 |
118 |
(Измененная редакция, Изм. № 2).
3.9. Уровень звука в контрольных точках LA и уровень звукового давления Li в октавных полосах частот для насосов с приводом от паровой турбины не должны превышать значений, приведенных в табл. 3.
Таблица 3
|
Номера контрольных точек |
Уровни звукового давления Li, дБ в октавных полосах частот со среднегеометрическими частотами, Гц |
Уровень звука LA, дБ·А |
||||||||
|
63 |
125 |
250 |
500 |
1000 |
2000 |
4000 |
8000 |
|||
|
ПТА 3750-75 |
1 |
98 |
96 |
84 |
83 |
83 |
88 |
72 |
64 |
94,5 |
|
2 |
90 |
90 |
84 |
85 |
83 |
86 |
72 |
67 |
90 |
|
|
3 |
96 |
94 |
84 |
82 |
82 |
85 |
72 |
65 |
88 |
|
|
4 |
91 |
93 |
84 |
82 |
82 |
85 |
72 |
65 |
87,5 |
|
|
5 |
89 |
90 |
82 |
83 |
83 |
83 |
73 |
63 |
92 |
|
|
ПТА 3600-65 |
1 |
- |
- |
- |
- |
- |
- |
- |
- |
- |
|
2 |
- |
- |
- |
- |
- |
- |
- |
- |
- |
|
|
3 |
- |
- |
- |
- |
- |
- |
- |
- |
- |
|
|
4 |
- |
- |
- |
- |
- |
- |
- |
- |
- |
|
|
5 |
- |
- |
- |
- |
- |
- |
- |
- |
- |
|
|
ПТА 3800-20 |
1 |
88 |
95 |
83 |
84 |
84 |
88 |
74 |
65 |
88 |
|
2 |
89 |
85 |
83 |
84 |
84 |
84 |
74 |
68 |
90 |
|
|
3 |
88 |
84 |
85 |
86 |
87 |
82 |
72,5 |
69 |
88 |
|
|
4 |
89 |
90,5 |
85,5 |
88 |
87 |
82 |
73 |
65 |
90 |
|
|
5 |
91 |
89 |
84 |
84 |
83 |
85 |
73 |
67 |
89 |
|
|
ПТА 3600-16 |
1 |
- |
- |
- |
- |
- |
- |
- |
- |
- |
|
2 |
- |
- |
- |
- |
- |
- |
- |
- |
- |
|
|
3 |
- |
- |
- |
- |
- |
- |
- |
- |
- |
|
|
4 |
- |
- |
- |
- |
- |
- |
- |
- |
- |
|
|
5 |
- |
- |
- |
- |
- |
- |
- |
- |
- |
|
Примечания:
1. Значения уровней звукового давления и уровней звука в контрольных точках, не указанных в табл. 3, будут внесены в таблицу после освоения насосов соответствующих типоразмеров.
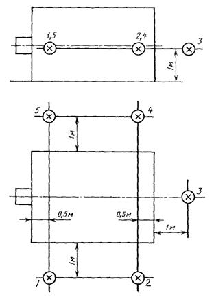
2. Координаты контрольных измерительных точек приведены на черт. 2.
(Введено дополнительно, Изм. № 2).
Координаты контрольных точек для измерения уровней звука и звукового давления насосов с приводом от паровой турбины
Черт. 2.
4.1. Насосы должны быть укомплектованы:
электродвигателем (для насосов с приводом от электродвигателя);
соединительной муфтой;
запасными частями, специальным инструментом и приспособлениями в соответствии с ведомостью ЗИП;
устройствами автоматики и КИП;
вспомогательным оборудованием в соответствии с техническими условиями на насосы конкретных типоразмеров.
4.2. К насосам должна быть приложена эксплуатационная документация по ГОСТ 2.601-68 в соответствии с техническими условиями на насосы конкретных типоразмеров.
5.1. Правила приемки - по ГОСТ 23104-78.
6.1. Методы испытаний - по ГОСТ 23104-78.
6.2. Измерение параметров вибрации - по ГОСТ 13731-68, воздушного шума - по ГОСТ 23941 и ГОСТ 12.1.028-80 или ГОСТ 12.1.026-80.
(Введен дополнительно, Изм. № 2).
7.1. Маркировка, упаковка, транспортирование и хранение - по ГОСТ 23104-78.
8.1. Изготовитель должен гарантировать соответствие насосов требованиям настоящего стандарта при соблюдении правил транспортирования, хранения, монтажа и эксплуатации установленных настоящим стандартом и эксплуатационной документацией.
8.2. Гарантийный срок эксплуатации насосов с учетом использования запасных деталей - 24 мес со дня ввода насосов в эксплуатацию.
СОДЕРЖАНИЕ