АЛЬБОМ ТИПОВЫХ КОНСТРУКЦИЙ
ОКНА СМОТРОВЫЕ
СТАЛЬНЫХ СОСУДОВ И АППАРАТОВ
Типы, конструкция и
размеры.
Технические требования
АТК 24.201.10-90
АЛЬБОМ ТИПОВЫХ КОНСТРУКЦИЙ
|
ОКНА СМОТРОВЫЕ СТАЛЬНЫХ СОСУДОВ И АППАРАТОВ Типы, конструкция и размеры. Технические требования |
Дата введения 01.01.91
Настоящий альбом распространяется на окна смотровые стальных сосудов и аппаратов по ОСТ 28-291, работающих при условном давлении до 1,6 МПа, под вакуумом с остаточным давлением до 665 Па и температуре от минус 40 до плюс 250 °С.
Конкретные параметры применения окон смотровых определяются техническими условиями на стекла.
Типы окон смотровых приведены в табл. 1.
Таблица 1
|
Эскиз |
Диаметр в свету, D, мм |
Давление условное, Ру*, МПа |
Температура, °С |
|
|
1 |
|
50 |
0,6; 1.0; 1,6 |
от минус 40 до плюс 250 |
|
70 |
||||
|
120 |
||||
|
170 |
0,6 |
|||
|
2 |
|
50 |
0,6; 1.0; 1,6 |
|
|
70 |
||||
|
120 |
||||
|
170 |
0,6 |
|||
|
3 |
|
50 |
0,6; 1.0; 1,6 |
|
|
70 |
||||
|
120 |
||||
|
170 |
0,6 |
* Величина условного давления принимается по рабочему давлению смотровых стекол.
2.1. Конструкция и основные размеры окон смотровых типа 1 должны соответствовать черт. 1 и табл. 2.
1 - фланец D - АТК 24.201.10-90; 2-стакан D- АТК 24.201.10-90; 3 - бобышка 1-D - АТК 24.201.10-90; 4 - прокладка 1-d×D АТК 24.201.10-90; 5, 6 - прокладка 1 (2)-d×D АТК 24.201.10-90; 7 - стекло; 8 - шпилька по ОСТ 26-2039; 9 - гайка по ОСТ 26-2038.
Черт. 1.
Таблица 2
Размеры в мм
|
D1 |
H |
Масса теоретическая, кг |
|
|
50 |
180 |
97 |
10,10 |
|
70 |
200 |
107 |
12,60 |
|
120 |
255 |
117 |
20,70 |
|
170 |
310 |
117 |
28,50 |
Пример условного обозначения окна смотрового типа 1 диаметром в свету 50 мм, на условное давление 1,6 МПа:
ОКНО 1-50-1,6 АТК 24.201.10-90
2.1.1. Конструкция, размеры и масса фланцев (поз. 1) окон смотровых типов 1, 2, 3 должны соответствовать указанным на черт. 2 и в табл. 3.
Черт. 2.
Таблица 3
Размеры в мм
|
D2 |
D3 |
D5 |
h |
n |
Масса теоретическая, кг |
|
|
50 |
125 |
100 |
82 |
16 |
4 |
1,07 |
|
70 |
145 |
120 |
102 |
1,32 |
||
|
120 |
195 |
170 |
152 |
24 |
8 |
2,36 |
|
170 |
245 |
220 |
202 |
3,95 |
Примечание: Масса подсчитана при плотности материала 7,85 г/см3.
Пример условного обозначения фланца диаметром в свету 50 мм из стали 09Г2С:
ФЛАНЕЦ 50-09Г2С АТК 24.201.10-90
2.1.2. Конструкция, размеры и масса стаканов (поз. 2) окон смотровых типа 1 должны соответствовать указанным на черт. 3 и в табл. 4.
Черт. 3.
Таблица 4
Размеры в мм
|
D1 |
D3 |
D4 |
D5 |
D6 |
h |
h1 |
d |
n |
Масса теоретическая, кг |
|
|
50 |
180 |
100 |
150 |
82 |
130 |
30 |
14 |
14 |
4 |
3,35 |
|
70 |
200 |
120 |
170 |
102 |
150 |
35 |
16 |
4,70 |
||
|
120 |
255 |
170 |
225 |
152 |
200 |
18 |
8 |
6,62 |
||
|
170 |
310 |
220 |
20 |
202 |
250 |
20 |
9,62 |
Примечание: Масса подсчитана при плотности материала 7,85 г/см3.
Пример условного обозначения стакана диаметром в свету 50 мм из стали 09Г2С:
СТАКАН 50-09Г2С АТК 24.201.10-90
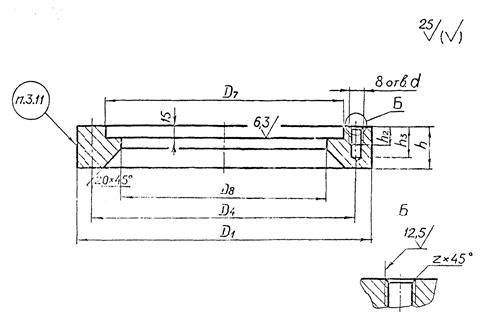
2.1.3. Конструкция, размеры и масса бобышек (поз. 3) окон смотровых типа 1 должны соответствовать указанным на черт. 4 и в табл. 5.
Черт 4.
Таблица 5
Размеры в мм
|
D1 |
D4 |
D7 |
D8 |
d |
h |
h2 |
h3 |
z |
Масса теоретическая, кг |
|
|
50 |
180 |
150 |
131 |
100 |
М12 |
45 |
12 |
23 |
1,6 |
4,80 |
|
70 |
200 |
170 |
151 |
120 |
5,45 |
|||||
|
120 |
255 |
225 |
201 |
170 |
М16 |
50 |
16 |
27 |
2,0 |
8,74 |
|
170 |
310 |
280 |
251 |
220 |
11,77 |
Примечание: Масса подсчитана при плотности материала 7,85 г/см3.
Пример условного обозначения бобышки окна смотрового типа 1 диаметром в свету 50 мм из стали 09Г2С:
БОБЫШКА 1-50-09Г2С АТК24.201.10-90
2.1.4. Конструкция, размеры и масса прокладок типа 1 окон смотровых должны соответствовать указанным на черт. 5 и в табл. 6.
Черт. 5.
Таблица 6
Размеры в мм
|
D |
Масса теоретическая, кг |
|
|
60 |
80 |
0,012 |
|
80 |
100 |
0,015 |
|
106 |
130 |
0,020 |
|
126 |
150 |
0,024 |
|
170 |
200 |
0,033 |
|
220 |
250 |
0,041 |
Примечание: Масса подсчитана при плотности материала 7,85 г/см3.
Пример условного обозначения прокладки типа 1 с диаметрами d = 70 мм и D = 100 мм, из паронита марки ПОН:
ПРОКЛАДКА 1-70×100 - ПОН АТК 24.201.10-90
2.1.5. Конструкция, размеры и масса прокладок типа 2 окон смотровых должны соответствовать указанным на черт. 6 и в табл. 7.
1 - прокладка; 1-d×D АТК 24.201.10-90; 2 - чехол.
Черт. 6.
Таблица 7
Размеры в мм
|
D |
D1 |
Прокладка |
Масса теоретическая, кг |
||
|
дет. 2 |
общая |
||||
|
60 |
80 |
50 |
1-50×80 |
0,006 |
0,018 |
|
80 |
100 |
70 |
1-70×100 |
0,008 |
0,023 |
|
106 |
130 |
95 |
1-100×130 |
0,011 |
0,031 |
|
126 |
150 |
115 |
1-120×150 |
0,018 |
0,042 |
|
170 |
200 |
160 |
1-170×200 |
0,025 |
0,058 |
|
220 |
250 |
210 |
1-220×250 |
0,032 |
0,073 |
Пример условного обозначения прокладки типа 2 с диаметрами d = 70мм и D = 100 мм:
ПРОКЛАДКА 2-70×100 АТК 24.201.10-90
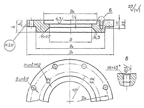
2.2. Конструкция, размеры и масса окон смотровых типа 2 должны соответствовать указанным на черт. 7 и в табл. 8.
1 - фланец D - АТК 24.201.10 -90; 2 - стекло; 3 - бобышка 2-D - АТК 24.201.10-90; 4 - прокладка 1-d×D АТК 24.201.10-90; 5 - прокладка 1 (2)-d×D АТК 24.201.10-90; 6 - шпилька по ОСТ 26-2039; 7 - гайка по ОСТ 26-2038.
Черт.7.
Таблица 8
Размеры в мм
|
D2 |
H |
Масса теоретическая, кг |
|
|
50 |
125 |
75 |
4,1 |
|
70 |
145 |
80 |
5,2 |
|
120 |
195 |
85 |
9,0 |
|
170 |
245 |
12,1 |
Пример условного обозначения окна смотрового типа 2 диаметром в свету 70 мм, на условное давление 0,6 МПа:
ОКНО 2-70-0,6 АТК 24.201.10-90
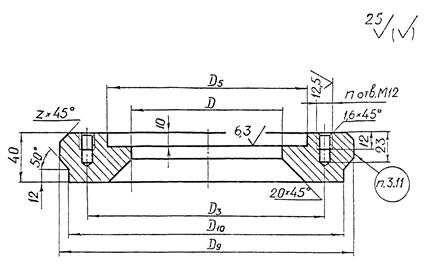
2.2.1. Конструкция, размеры и масса бобышек (поз. 3) окон смотровых типа 2 должны соответствовать указанным на черт. 8 и в табл. 9.
Черт. 8.
Таблица 9
Размеры в мм
|
D2 |
D3 |
D5 |
n |
Масса теоретическая, кг |
|
|
50 |
125 |
100 |
82 |
4 |
2,55 |
|
70 |
145 |
120 |
102 |
3,12 |
|
|
120 |
195 |
170 |
152 |
8 |
4,41 |
|
170 |
245 |
220 |
202 |
5,82 |
Примечание: Масса подсчитана при плотности материала 7,85 г/см3.
Пример условного обозначения бобышки окна смотрового типа 2 диаметром в свету 70 мм из стали 09Г2С:
БОБЫШКА 2-70-09Г2С АТК 24.201.10-90
2.3. Конструкция, размеры и масса окон смотровых типа 3 должны соответствовать указанным на черт. 9 и в табл. 10.
1 -фланец 1-D - АТК 24.201.10-90; 2 - патрубок; 3 - бобышка 3-D - АТК 24.201.10-90; 4 - прокладка 1-d×D АТК 24.201.10-90; 5 - прокладка 1 (2)-d×D АТК 24.201.10-90; 6 - стекло; 7 - шпилька по ОСТ 26-2039; 8 - гайка по ОСТ 26-2038.
Черт. 9.
Таблица 10
Размеры в мм
|
D2 |
H |
dн |
l |
s |
Масса теоретическая, кг |
|
|
50 |
125 |
116 |
133 |
55 |
6 |
5,5 |
|
70 |
145 |
122 |
159 |
7,5 |
||
|
120 |
195 |
142 |
219 |
70 |
8 |
14,0 |
|
170 |
245 |
142 |
273 |
19,0 |
Пример условного обозначения окна смотрового типа 3 диаметром в свету 70 мм на условное давление 1,6 МПа:
ОКНО 3-70-1.6 АТК 24.201.10-90
2.3.1. Конструкция, размеры и масса бобышек (поз. 2) окон смотровых типа 3 должны соответствовать указанным на черт. 10 и в табл. 11.
Черт. 10.
Таблица 11
Размеры в мм
|
D3 |
D5 |
D9 |
D10 |
z |
n |
Масса теоретическая, кг |
|
|
50 |
100 |
82 |
133 |
120 |
4 |
4 |
2,82 |
|
70 |
120 |
102 |
159 |
146 |
7 |
3,87 |
|
|
120 |
170 |
152 |
219 |
202 |
12 |
8 |
6,32 |
|
170 |
220 |
202 |
273 |
256 |
14 |
8,70 |
Примечание: Масса подсчитана при плотности материала 7,85 г/см3.
Пример условного обозначения бобышки окна смотрового типа 3 диаметром в свету 70 мм из стали 09Г2С:
БОБЫШКА 3-70-09Г2С АТК 24.201.10-90
3.1. Окна смотровые должны изготовляться в соответствии с требованиями настоящего альбома, по рабочей документации.
3.3. Материалы крепежных деталей для соединений с фланцами (стаканами) из углеродистых сталей: шпильки - 35Х, 40Х, 38ХА по ГОСТ 4543, гайки - 25, 30, 35, 40 по ГОСТ 1050; из сталей аустенитного класса: шпильки - 37Х12Н8Г8МФБ по ГОСТ 5632, гайки - 12Х18Н10Т, 10Х17Н13М2Т по ГОСТ 5632.
Допускается применение других марок сталей крепежных деталей с механическими свойствами не ниже указанных и коэффициентом линейного расширения близким коэффициенту линейного расширения материала фланца, стакана. Применение материалов с разницей коэффициентов линейного расширения более 10 % допускается в случаях, обоснованных расчетом на прочность и герметичность.
Тип 1 - паронит по ГОСТ 481, картон асбестовый по ГОСТ 2850;
Тип 2 - чехол из фторопласта 4 по ТУ 95-81; наполнитель - прокладка типа 1.
Прокладка типа 2 применяется для поз. 5 и 6 смотровых окон типа 1, и поз. 5 смотровых окон типа 2 и 3.
Допускается применение других мягких материалов для прокладок типа 1 по условиям эксплуатации.
3.6. Предельные отклонения от номинальных размеров деталей:
D; D8 - по Н16;
D1; D2; D9 - по h16;
D5; D7 - по Н12;
D6; D10 - по h12;
d - по Н15.
Предельные отклонения углов ± 5°.
Неуказанные предельные
отклонения размеров: Н14; h14;
.
3.7. Позиционный допуск осей отверстий для крепежных деталей (допуск зависимый) в диаметральном выражении не должен быть более 1 мм.
3.9. Допуск перпендикулярности осей резьбовых отверстий шпильки относительно поверхности Æ 0,2 мм (допуск зависимый).
3.10. Фланцевые соединения смотровых окон рассчитаны по методике, приведенной в обязательном приложении 1, при температуре 120 - 160 °С и прокладке из паронита. Величины крутящих моментов и схема затяжки гаек приведены в обязательном приложении 2.
3.11. При самостоятельной поставке окон смотровых на деталях должна быть. выполнена следующая маркировка:
- товарный знак предприятия-изготовителя или его сокращенное наименование;
- условное обозначение (без наименования детали) и марка материала изделия.
Маркировку производить в местах, указанных на чертеже.
Маркировку прокладок производить на бирках.
3.12. На окна смотровые, при необходимости, могут устанавливаться для подсветки стандартные светильники. Тип светильника должен соответствовать требованиям безопасности данного производства.
3.13. Необходимость установки и конструкция защитных устройств, обеспечивающих безопасность при самопроизвольном разрушении стекла, определяется по условиям эксплуатации сосудов и аппаратов.
Обязательное
Настоящие рекомендации устанавливают метод расчета на прочность и герметичность фланцевых соединений смотровых окон для сосудов и аппаратов из сталей, изготавливаемых в соответствии с требованиями ОСТ 26-291.
1. ОБЩИЕ ТРЕБОВАНИЯ
1.1. Условные обозначения.
bni - ширина прокладки, мм*;
D - диаметр фланца, стакана (в свету), мм;
D1, D2 - наружный диаметр стакана, фланца, мм;
D3, D4 - диаметр окружности расположения шпилек фланца, стакана, мм;
D5 - диаметр проточки во фланце, стакане, мм;
D6 - диаметр выступа в стакане, мм;
Dспi - средний диаметр прокладки, мм;
hnl - толщина прокладки, мм;
dj - диаметр стержня шпильки, мм**;
fвj - площадь поперечного сечения шпильки по внутреннему диаметру резьбы, мм2;
________________
* Индекс i принимает значения 1, 2, 3.
** Индекс j принимает значения 1, 2.
Lj - свободная длина шпильки, мм;
h, hc - толщина фланца, стакана, мм;
hст - толщина стекла, мм;
h1, h2 - глубина проточки во фланце, стакане, мм;
zj - число шпилек во фланце, стакане, шт.;
E, Ec - модуль продольной упругости материала фланца, стакана, МПа;
Ебj - модуль продольной упругости материала шпилек, МПа;
Еni - модуль упругости материала прокладки, МПа;
р - расчетное давление, МПа;
t, tф, tб - расчетная температура среды, фланца, стакана, шпилек, °С;
aф, aс, aб - коэффициент линейного расширения материала фланца, стакана, шпилек, 1/град.
1.2. Типы фланцевых соединений смотровых окон приведены на черт. 1 - 2.
1.3. Расчеты следует проводить для соединений:
1 - фланец - стакан;
2 - стакан - бобышка.
1.4. Расчетная температура элементов фланцевых соединений определяется на основании теплотехнических расчетов или результатов испытаний.
Допускается принимать расчетную температуру:
фланца, стакана - t;
шпилек - 0, 97 t.

Черт. 1.

Черт. 2.
1.5. Допускаемое напряжение для шпилек определяется по формуле:
![]()
где sт - минимальное значение условного предела текучести материала шпилек, МПа;
пт - коэффициент запаса прочности по пределу текучести
для затяжки и рабочих условий:
для углеродистых сталей пт = 2,1;
для аустенитных сталей пт = 1,8.
Для условий испытания величина
может быть
увеличена не более, чем на 20 %.
1.6. Допускаемое напряжения для фланца, стакана
для затяжки и рабочих условий:
![]()
для условий испытания
![]()
где
,
- принимаются по ГОСТ 14249.
2. РАСЧЕТ ВСПОМОГАТЕЛЬНЫХ ВЕЛИЧИН
2.1. Характеристики для i-той прокладки принимаются по табл.
2.2. Податливость прокладки, мм/Н
![]()
2.3. Угловая жесткость прокладки, мм·Н
![]()
2.4. Податливость шпилек, мм/Н

где
![]()
![]()
2.5. Изгибная жесткость шпилек, мм/Н

2.6. Параметры фланца*.
Момент инерции сечения фланца, мм4
![]()
где

______________
* Размеры D5, D6 принимаются по табл. 4 раздела 2.
|
Коэффициент, m |
Удельное давление обжатия прокладки, qобж, МПа |
Допускаемое удельное давление [q], МПа |
Модуль упругости, Еп×10-5, МПа |
|
|
Резина по ГОСТ 7338 с твердостью по Шору А до 65 единиц |
0,5 |
2,0 |
18,0 |
|
|
Резина по ГОСТ 7338 с твердостью по Шору А более 65 единиц |
1,0 |
4,0 |
20,0 |
|
|
Картон асбестовый по ГОСТ 2850 при толщине 1 ¸ 3 мм |
2,5 |
20,0 |
130,0 |
0,02 |
|
Паронит по ГОСТ 481 при толщине не более 2 мм |
2,5 |
20,0* |
130,0 |
0,02 |
Примечание: Для сред с высокой проникающей способностью (водород, гелий, легкие нефтепродукты, сжиженные газы и т. п.) qобж = 35,0 МПа.
Угловая жесткость фланца
![]()
Угловая податливость системы фланец - шпильки - прокладка
![]()
2.7. Параметры стакана
![]()
где
![]()

Угловая жесткость стакана
![]()
Угловая податливость системы стакан - шпильки - прокладка
![]()
3. КОЭФФИЦИЕНТ ЖЕСТКОСТИ ФЛАНЦЕВОГО СОЕДИНЕНИЯ
3.1. Коэффициент жесткости соединения фланец - стакан
![]()
где

3.2. Коэффициент жесткости соединения стакан - бобышка

4. РАСЧЕТ НАГРУЗОК
4.1. Равнодействующая внутреннего давления, Н
![]()
4.2. Реакция прокладки в рабочих условиях, Н
![]()
4.3 Усилие, возникающее от температурных деформаций, Н, для соединения фланец - стакан
![]()
для соединения стакан - бобышка
![]()
4.4. Нагрузка, в шпильках в условиях монтажа принимается большей из следующих значений, Н*

_____________
* При определении Рбi величина Qti учитывается при Qt < 0.
4.5. Приращение нагрузки в шпильках в рабочих условиях, Н
![]()
5. РАСЧЕТ ШПИЛЕК
5.1. Условие прочности шпилек

где
- допускаемое напряжение для
шпилек при расчетной температуре, МПа.
5.2. Величина крутящего момента на ключе при затяжке гаек, Н·мм
![]()
где x = 0,26 - при смазке;
x = 0,37 без смазки.
6. УСЛОВИЕ ПРОЧНОСТИ ПРОКЛАДКИ
![]()
7. РАСЧЕТ ФЛАНЦА, СТАКАНА
7.1. Угол поворота
фланца
![]()
стакана
![]()
7.2. Кольцевое напряжение
во фланце
![]()
в стакане
![]()
7.3. Условия прочности
фланца
![]()
стакана
![]()
8. УСЛОВИЯ ГЕРМЕТИЧНОСТИ
![]()
где ![]()
![]()
где i = 2,3.
Обязательное
Затяжка гаек должна производиться ключом по ТУ 2-035-0677 крутящими моментами, приведенными в таблице, в последовательности, указанной на чертеже.
|
Диаметр в свету, D, мм |
Крутящий момент на ключе при затяжке, кН·мм |
|
|
для шпилек фланца |
для шпилек стакана |
|
|
50 |
50 |
50 |
|
70 |
64 |
58 |
|
120 |
50 |
105 |
|
170 |
67 |
133 |

ИНФОРМАЦИОННЫЕ ДАННЫЕ
1. РАЗРАБОТАН И ВНЕСЕН УкрНИИхиммаш.
РАЗРАБОТЧИКИ
Г. В. Почтарев (руководитель темы), В. В. Проголаев, Л. П. Гапонова, Т. П. Голубова
2. УТВЕРЖДЕН И ВВЕДЕН В ДЕЙСТВИЕ УКАЗАНИЕМ Министерства тяжелого машиностроения СССР от 20.09.90 № АВ-002-1-8993.
3. ЗАРЕГИСТРИРОВАН НИИХИММАШ за № б/н от 27.11.1990 г.
4. Сведения о сроках и периодичности проверки документа
Срок первой проверки 1995 г.
Периодичность проверки 5 лет.
5. ВЗАМЕН ОСТ 26-01-341-80.
ССЫЛОЧНЫЕ НОРМАТИВНО-ТЕХНИЧЕСКИЕ ДОКУМЕНТЫ
|
Обозначение НТД, на которые дана ссылка |
Номер пункта, подпункта, перечисления приложения |
|
ГОСТ 1050-74 |
|
|
ГОСТ 7338-77 |
|
|
ГОСТ 21836-88 |
|
|
ГОСТ 24643-81 |
|
|
ОСТ 26-291-87 |
|
|
ОСТ 26-2038-77 |
черт. 1, 7, 9 |
|
ОСТ 26-2039-77 |
черт. 1, 7, 9 |
|
ТУ 2-035-067-78 |
|
|
ТУ 95-81-81 |
ПОЯСНИТЕЛЬНАЯ ЗАПИСКА
к проекту альбома типовых конструкций «Окна смотровые стальных сосудов и аппаратов. Типы, конструкция и размеры. Технические требования» (окончательная редакция, представляемая на утверждение)
1. ОСНОВАНИЕ ДЛЯ РАЗРАБОТКИ АЛЬБОМА
Работа выполняется согласно графика работ по стандартизации и метрологии Минтяжмаша СССР на 1990 г. и плана работ УкрНИИхиммаша по теме 1205-90-310.
2. ЦЕЛИ И ЗАДАЧИ РАЗРАБОТКИ АЛЬБОМА
В соответствии с Постановлением Совета Министров СССР от 21.04.88 № 484 «О перестройке деятельности и организационной структуры Госстандарта СССР» ОСТ 26-01-431-80 «Окна смотровые стальных сосудов и аппаратов. Типы, конструкция и размеры» переоформлен в альбом типовых конструкций.
Во второй редакции проведен расчет деталей смотровых окон на прочность и герметичность по методике УкрНИИхиммаша.
Значительно (от 15 до 30 %) снижена масса смотровых окон, сокращено количество крепежных деталей. Проведена унификация деталей для различных типов окон.
3. ХАРАКТЕРИСТИКА ОБЪЕКТА СТАНДАРТИЗАЦИИ
Альбом устанавливает три типа смотровых окон:
Тип 1 - пакетной конструкции, ввариваемые в крупногабаритные сосуды и аппараты;
Тип 2 - на бобышках, ввариваемых в малогабаритные сосуды и аппараты;
Тип 3 - на штуцерах, ввариваемых в аппараты и сосуды с теплоизоляцией.
Все типы окон имеют четыре типоразмера с диаметром в свету 50, 70, 120, 170 мм. Окна смотровые устанавливаются на сосудах и аппаратах, работающих под давлением до 1,6 МПа и рабочих температурах от минус 40 до плюс 250 °С.
Материалы деталей приняты по ОСТ 26-291-87, материалы шпилек и гаек указаны в альбоме. В окнах смотровых применены стекла по ГОСТ 21836-88, а также по другим нормативным документам.
В альбоме даны конструкции, размеры, допуски на составные детали окон смотровых. Конструкция фланца (поз. 1) принята для всех типов единая.
Альбомом оговорена возможность установки светильников стандартной конструкции для подсветки. В альбоме установлено требование по защите стекол от самопроизвольного разрушения по условиям эксплуатации сосудов и аппаратов.
4. ТЕХНИКО-ЭКОНОМИЧЕСКАЯ ЭФФЕКТИВНОСТЬ ОТ ВНЕДРЕНИЯ АЛЬБОМА
В альбоме снижена металлоемкость изделий от 15 до 30 %, повышена унификация составных частей. Разработка альбома сэкономит средства на проектирование, снизит трудоемкость при изготовлении.
5. ВНЕДРЕНИЕ И ПРОВЕРКА АТК
Данный нормативный документ предполагается ввести в действие с 01.01.90 г. Периодичность проверки альбома 5 лет.
6. ВЗАИМОСВЯЗЬ С ДРУГИМИ НТД
Альбом типовых конструкций взаимосвязан с ссылочными нормативно-техническими документами, приведенными в АТК.
7. СВЕДЕНИЯ О РАССЫЛКЕ НА ОТЗЫВ
Первая редакция альбома была разослана 13 организациям и предприятиям. Получено 12 отзывов, из них 8 не имели замечаний. 72 % замечаний во второй редакции были приняты. По предложению з-да ???? методика расчета прочности и герметичности фланцевых соединений смотровых окон.
8. СВЕДЕНИЯ О СОГЛАСОВАНИИ
Выбор типовых конструкций «Окна смотровых стальных сосудов и аппаратов, Типы, конструкция и размеры. Технические требования» согласован с СМПО им. Фрунзе и НПО «Карбонат».
9. ИСТОЧНИКИ ИНФОРМАЦИИ
ОСТ 26-01-341-80 Окна смотровые стальных сосудов и аппаратов. Типы, конструкция и размеры. Технические требования.
ГОСТ 21836-88 Стекла смотровые для промышленных условий. Технические условия.
ГОСТ 15180-86 Прокладки плоские эластичные. Основные параметры и размеры.
Стандарты систем стандартов ГСС и ЕСКД.
Зав. отделом стандартизации
УкрНИИхиммаш В. В. Проголаев
Руководитель разработки Г. В. Почтарев
СОДЕРЖАНИЕ