
ГОСУДАРСТВЕННЫЙ СТАНДАРТ СОЮЗА ССР
Детали крепления трубопроводов
ХОМУТЫ ОДНОСТОРОННИЕ
Конструкция и размеры
ГОСТ 24139-80
ИЗДАТЕЛЬСТВО СТАНДАРТОВ
Москва
ГОСУДАРСТВЕННЫЙ СТАНДАРТ СОЮЗА ССР
|
Детали крепления трубопроводов Хомуты односторонние Конструкция и размеры Pipe-line fastening parts. |
ГОСТ Взамен |
Постановлением Государственного комитета СССР по стандартам от 25 апреля 1980 г. № 1891 срок введения установлен
с 01.01.81
Проверен в 1989 г. Постановлением Госстандарта от 25.06.90 № 1792 срок действия продлен
до 01.01.96
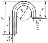
1. Настоящий стандарт распространяется на односторонние хомуты диаметром D от 14 до 200 мм.
2. Конструкция и размеры односторонних хомутов должны соответствовать указанным на чертеже и в таблице.

Размеры, мм
|
D |
H |
h |
d |
l,
|
Масса, |
Применяемость |
|
± 1 |
||||||
|
14 |
38 |
18 |
М6 |
25 |
0,014 |
|
|
16 |
40 |
19 |
0,015 |
|||
|
18 |
42 |
20 |
0,016 |
|||
|
20 |
45 |
21 |
0,017 |
|||
|
22 |
55 |
24 |
М8 |
34 |
0,035 |
|
|
25 |
57 |
25 |
0,037 |
|||
|
28 |
60 |
27 |
0,039 |
|||
|
32 |
65 |
29 |
0,043 |
|||
|
36 |
68 |
31 |
0,046 |
|||
|
40 |
72 |
38 |
0,052 |
|||
|
45 |
77 |
40 |
0,060 |
|||
|
50 |
90 |
45 |
М10 |
40 |
0,098 |
|
|
55 |
95 |
48 |
0,105 |
|||
|
60 |
100 |
50 |
0,111 |
|||
|
65 |
105 |
52 |
0,117 |
|||
|
70 |
115 |
57 |
М12 |
50 |
0,186 |
|
|
75 |
120 |
60 |
0,193 |
|||
|
80 |
125 |
62 |
0,202 |
|||
|
85 |
130 |
65 |
0,212 |
|||
|
90 |
135 |
67 |
0,219 |
|||
|
95 |
140 |
70 |
0,230 |
|||
|
100 |
145 |
72 |
0,239 |
|||
|
105 |
150 |
80 |
0,249 |
|||
|
110 |
155 |
82 |
0,262 |
|||
|
115 |
160 |
85 |
0,271 |
|||
|
120 |
180 |
91 |
М16 |
60 |
0,525 |
|
|
125 |
185 |
94 |
0,541 |
|||
|
130 |
190 |
96 |
0,558 |
|||
|
135 |
195 |
98 |
0,572 |
|||
|
140 |
200 |
101 |
0,590 |
|||
|
145 |
205 |
104 |
0,607 |
|||
|
150 |
210 |
106 |
0,623 |
|||
|
155 |
215 |
114 |
0,648 |
|||
|
160 |
220 |
116 |
0,662 |
|||
|
165 |
225 |
118 |
0,678 |
|||
|
170 |
230 |
121 |
0,696 |
|||
|
175 |
235 |
124 |
0,713 |
|||
|
180 |
240 |
126 |
0,729 |
|||
|
185 |
245 |
128 |
0,744 |
|||
|
190 |
250 |
131 |
0,762 |
|||
|
195 |
255 |
134 |
0,779 |
|||
|
200 |
260 |
136 |
0,795 |
|||
Пример условного обозначения одностороннего хомута D=50 мм из стали марки ВСт3сп с покрытием Ц9.хр:
Хомут 50-ВСт3сп¾Ц9.хр. ГОСТ 24139-80
3. Допуск параллельности и перекос осей поверхности d не должны быть более 2 мм.
4. Технические требования – по ГОСТ 24140-80.