ГОСТ 26314-98
МЕЖГОСУДАРСТВЕННЫЙ СТАНДАРТ
ТРАПЫ СУДОВЫЕ СТАЦИОНАРНЫЕ
Технические условия
МЕЖГОСУДАРСТВЕННЫЙ СОВЕТ
ПО СТАНДАРТИЗАЦИИ, МЕТРОЛОГИИ И СЕРТИФИКАЦИИ
Минск
Предисловие
1 РАЗРАБОТАН Украинским научно-исследовательским институтом стандартизации и сертификации в судостроении (УкрГОСНИИСС), Техническим комитетом по стандартизации ТК 15
ВНЕСЕН Государственным комитетом стандартизации, метрологии и сертификации Украины
2 ПРИНЯТ Межгосударственным Советом по стандартизации, метрологии и сертификации (протокол № 14 от 12 ноября 1998 г.)
За принятие проголосовали:
|
Наименование национального органа по стандартизации |
|
|
Азербайджанская Республика |
Азгосстандарт |
|
Республика Армения |
Армгосстандарт |
|
Республика Беларусь |
Госстандарт Республики Беларусь |
|
Республика Казахстан |
Госстандарт Республики Казахстан |
|
Российская Федерация |
Госстандарт России |
|
Республика Таджикистан |
Таджикгосстандарт |
|
Туркменистан |
Главгосслужба «Туркменстандартлары» |
|
Республика Узбекистан |
Узгосстандарт |
|
Украина |
Госстандарт Украины |
3 Постановлением Государственного комитета Российской Федерации по стандартизации и метрологии от 8 августа 2001 г. № 324-ст межгосударственный стандарт ГОСТ 26314-98 введен в действие непосредственно в качестве государственного стандарта Российской Федерации с 1 января 2002 г.
4 ВЗАМЕН ГОСТ 26314-84
ГОСТ 26314-98
МЕЖГОСУДАРСТВЕННЫЙ СТАНДАРТ
ТРАПЫ СУДОВЫЕ СТАЦИОНАРНЫЕ
Технические условия
Stationary ships ladders. Specifications
Дата введения 2002-01-01
Настоящий стандарт распространяется на судовые стационарные трапы (далее - трапы) и ступеньки скоб-трапов, устанавливаемые на надводных судах и плавсредствах.
Стандарт не распространяется на местные и специальные трапы и трапы, встроенные в корпусные конструкции.
Требования настоящего стандарта являются обязательными.
В настоящем стандарте использованы ссылки на следующие стандарты:
ГОСТ 9.014-78 Единая система защиты от коррозии и старения. Временная противокоррозионная защита изделий. Общие требования
ГОСТ 26.020-80 Шрифты для средств измерений и автоматизации
ГОСТ 380-94 Сталь углеродистая обыкновенного качества. Марки
ГОСТ 503-81 Лента холоднокатаная из низкоуглеродистой стали. Технические условия
ГОСТ 3242-79 Соединения сварные. Методы контроля качества
ГОСТ 3282-74 Проволока стальная низкоуглеродистая общего назначения. Технические условия
ГОСТ 4784-97 Алюминий и сплавы алюминиевые деформируемые. Марки
ГОСТ 5264-80 Ручная дуговая сварка. Соединения сварные. Основные типы, конструктивные элементы и размеры
ГОСТ 6009-74 Лента стальная горячекатаная. Технические условия
ГОСТ 9109-81 Грунтовка ФЛ-03 К и ФЛ-03 Ж. Технические условия
ГОСТ 12707-77 Грунтовки фосфатирующие. Технические условия
ГОСТ 14192-96 Маркировка грузов
ГОСТ 14771-76 Дуговая сварка в защитном газе. Соединения сварные. Основные типы, конструктивные элементы и размеры
ГОСТ 14806-80 Дуговая сварка алюминия и алюминиевых сплавов в инертных газах. Соединения сварные. Основные типы, конструктивные элементы и размеры
ГОСТ 15102-75 Контейнер универсальный металлический закрытый номинальной массой брутто 5,0 т. Технические условия
ГОСТ 15150-69 Машины, приборы и другие технические изделия. Исполнения для различных климатических районов. Категории, условия эксплуатации, хранения и транспортирования в части воздействия климатических факторов внешней среды
ГОСТ 18477-79 Контейнеры универсальные. Типы, основные параметры и размеры
ГОСТ 24597-81 Пакеты тарно-штучных грузов. Основные параметры и размеры
ГОСТ 24643-81 Основные нормы взаимозаменяемости. Допуски формы и расположения поверхностей. Числовые значения
ГОСТ 29329-92 Весы для статического взвешивания. Общие технические требования.
3.1 Типы и исполнения трапов и ступенек скоб-трапов должны соответствовать таблице 1.
Таблица 1
|
Наименование |
Конструкция ступенек |
Исполнение |
|
|
1 |
Наклонный трап |
Фланцевая |
1-ф |
|
1-2ф |
|||
|
Решетчатая |
1-р |
||
|
Непрерывная |
1-н |
||
|
Двухпрутковая |
1-дп |
||
|
Трехпрутковая |
1-тп |
||
|
1-2тп* |
|||
|
2 |
Вертикальный трап |
Однопрутковая |
2-п |
|
2-2п* |
|||
|
Двухпрутковая |
2-дп |
||
|
2-2дп* |
|||
|
Трубчатая |
2-т |
||
|
3 |
Ступенька скоб-трапа |
Прутковая |
3-п |
|
3-2п |
|||
|
Трубчатая |
3-т |
||
|
* Конструкторская документация для исполнений 1-2тп, 2-2п, 2-2дп разрабатывается по заявкам предприятий. |
|||
3.2 Трапы исполнений 1-ф, 1-2ф и 1-р могут изготовляться с подшивкой и без подшивки.
3.3 Основные параметры и размеры трапов должны соответствовать рисункам 1 - 10 и таблицам 2 - 8.
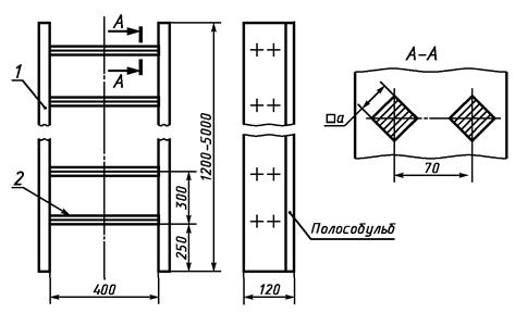
1 - тетива; 2 - ступенька; 3 - подшивка
Рисунок 1 - Тип 1, исполнения 1-ф, 1-2ф, 1-р
Таблица 2
Размеры в миллиметрах
|
α |
B |
H |
l |
Масса 1 м стального трапа, кг |
||
|
без подшивки |
с подшивкой |
|||||
|
1-ф |
50° |
600 |
1000 - 3120 |
200 - 240 |
42,0 |
54,0 |
|
800 |
1000 - 3250 |
51,0 |
63,0 |
|||
|
1000 |
1400 - 3360 |
60,0 |
72,0 |
|||
|
1-р |
55° |
600 |
1000 - 3120 |
42,0 |
50,0 |
|
|
800 |
1000 - 3120 |
43,5 |
51,5 |
|||
|
1-ф |
600 |
520 - 3600 |
45,0 |
54,0 |
||
|
800 |
800 - 3600 |
51,0 |
63,0 |
|||
|
60° |
600 |
720 - 3570 |
240 - 255 |
43,0 |
52,0 |
|
|
800 |
1440 - 3070 |
49,5 |
61,0 |
|||
|
600 |
720 - 3070 |
15,0* |
18,0* |
|||
|
800 |
1920 - 3070 |
19,0* |
22,0* |
|||
|
65° |
500 |
640 - 2680 |
250 - 270 |
29,0 |
35,0 |
|
|
70° |
670 - 2830 |
14,5 |
17,0* |
|||
|
1-2ф |
670 - 2560 |
6,7 |
7,8* |
|||
|
* Трапы из алюминиево-магниевого сплава - для судов, не поднадзорных Морскому Регистру судоходства (классификационному обществу). |
||||||
Масса 1 м стального трапа - 62,0 кг
1 - тетива; 2 - ступенька
Рисунок 2 - Тип 1, исполнение 1-н
1 - тетива; 2 - ступенька
Рисунок 3 - Тип 1, исполнение 1-дп
Таблица 3
Размеры в миллиметрах
|
α |
H |
l |
Масса 1 м стального трапа, кг |
|
|
1-дп |
60° |
1110 - 3560 |
245 |
38,8 |
|
3805 - 4295 |
47,2 |
|||
|
70° |
2560 - 2830 |
270 |
34,3 |

1 - тетива; 2 - ступенька
Рисунок 4 - Тип 1, исполнения 1-тп, 1-2тп
Таблица 4
Размеры в миллиметрах
|
Исполнение трапа |
α |
H |
H1 |
Масса 1 м стального трапа, кг |
|
1-тп |
18 |
580 |
510 |
41,0 |
|
835 |
765 |
|||
|
1090 |
1020 |
|||
|
1345 |
1275 |
|||
|
1600 |
1530 |
|||
|
1855 |
1785 |
|||
|
2110 |
2040 |
|||
|
2365 |
2295 |
|||
|
2620 |
2550 |
|||
|
2875 |
2805 |
|||
|
3130 |
3060 |
|||
|
3385 |
3315 |
|||
|
3640 |
3570 |
|||
|
1-2тп* |
22 |
580 |
510 |
50,0 |
|
835 |
765 |
|||
|
1090 |
1020 |
|||
|
1345 |
1275 |
|||
|
1600 |
1530 |
|||
|
1855 |
1785 |
|||
|
2110 |
2040 |
|||
|
2365 |
2295 |
|||
|
2620 |
2550 |
|||
|
2875 |
2805 |
|||
|
3130 |
3060 |
|||
|
3385 |
3315 |
|||
|
3640 |
3570 |
|||
|
* Трапы для судов, поставляемых на экспорт. |
||||
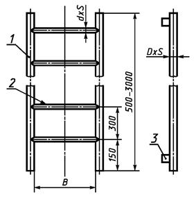
1 - тетива; 2 - ступенька
Рисунок 5 - Тип 2, исполнения 2-п, 2-2п
Таблица 5
Размеры в миллиметрах
|
B |
α |
S × c |
Масса 1 м стального трапа, кг |
|
|
2-п |
300 |
20 |
8×60 |
3,6* |
|
400 |
18 |
6×60 |
9,7 |
|
|
2-2п** |
22 |
10×60 |
15,5 |
|
|
* Трапы из алюминиево-магниевого сплава - для судов, не поднадзорных Морскому Регистру судоходства (классификационному обществу). ** Трапы для судов, поставляемых на экспорт. |
||||
1 - тетива; 2 - ступенька
Рисунок 6 - Тип 2, исполнения 2-дп, 2-2дп
Таблица 6
|
α, мм |
Масса 1 м стального трапа, кг |
|
|
2-дп |
18 |
25,6 |
|
2-2дп* |
22 |
31,2 |
|
* Трапы для судов, поставляемых на экспорт. |
||
1 - тетива; 2 - ступенька; 3 - обух
Рисунок 7 - Тип 2, исполнение 2-т
Таблица 7
Размеры в миллиметрах
|
B |
D × S |
d × S |
Масса 1 м стального трапа, кг, не более |
|
|
2-т |
300 |
32×3 |
22×3 |
2,2* |
|
400 |
38×3 |
25×3 |
2,8* |
|
|
33,5×3,2 |
21,3×2,8 |
6,7 |
||
|
* Трапы из алюминиево-магниевого сплава - для судов, не поднадзорных Морскому Регистру судоходства (классификационному обществу). |
||||
Рисунок 8 - Тип 3, исполнение 3-п
Таблица 8
|
H, мм |
Масса стальной ступеньки скоб-трапа, кг |
|
|
3-п |
150 |
2,2 |
|
140 |
0,8* |
|
|
* Ступенька скоб-трапа из алюминиево-магниевого сплава - для судов, не поднадзорных Морскому Регистру судоходства (классификационному обществу). |
||
Материал - сталь
Масса - 2,2 кг
Рисунок 9 - Тип 3, исполнение 3-2п
Материал - алюминиево-магниевый сплав
Масса - 0,43 кг
1 - ступенька; 2 - фланец; 3 - кница
Рисунок 10 - Тип 3, исполнение 3-т
3.4 Высоту H1 для всех исполнений наклонного трапа, указанных в таблице 1, определяют по формуле
H1 = nl,
где n - количество ступенек;
l - шаг ступеньки.
3.5 Схемы условного обозначения трапов
Трап типа 1
Пример условного обозначения наклонного трапа с решетчатой ступенькой, исполнения 1-р, с углом наклона 55°, шириной 600 мм, высотой 1150 мм, без подшивки, из стали:
Трап 1-р-55°-600×1150 ГОСТ 26314-98
То же, наклонного трапа с фланцевой ступенькой, исполнения 1-ф, с углом наклона 70°, шириной 500 мм, высотой 1150 мм, без подшивки, из алюминиево-магниевого сплава:
Трап 1-ф-70°-500×1150 АМг ГОСТ 26314-98
То же, исполнения 1-2ф:
Трап 1-2ф-70°-500×1150 АМг ГОСТ 26314-98
То же, с подшивкой:
Трап 1-2ф-70°-500×1150 П АМг ГОСТ 26314-98
Трап типа 2
Пример условного обозначения вертикального трапа с однопрутковой ступенькой, исполнения 2-п, шириной 300 мм, длиной 600 мм, из алюминиево-магниевого сплава:
Трап 2-п-300×600 АМг ГОСТ 26314-98
То же, вертикального трапа с двухпрутковой ступенькой, исполнения 2-дп, шириной 400 мм, длиной 1200 мм, из стали:
Трап 2-дп-400×1200 ГОСТ 26314-98
То же, исполнения 2-2дп:
Трап 2-2дп-400×1200 ГОСТ 26314-98
Скоб-трап типа 3
Пример условного обозначения пруткового скоб-трапа, исполнения 3-п, из алюминиево-магниевого сплава:
Трап 3-п АМг ГОСТ 26314-98
То же, из стали:
Трап 3-п ГОСТ 26314-98
То же, исполнения 3-2п:
Трап 3-2п ГОСТ 26314-98
4.1 Характеристики
4.1.1 Требования надежности
4.1.1.1 Средний срок службы внутренних трапов и ступенек скоб-трапов - 25 лет, наружных - 10 лет.
4.1.1.2 Средний срок сохраняемости - 20 лет.
4.1.2 Требования эргономики
4.1.2.1 Ступеньки всех видов трапов должны иметь надежное ограждение с боков, исключающее возможность соскальзывания ног в сторону.
4.1.2.2 Конструкция ступеней вертикальных трапов, не имеющих поручней, должна обеспечивать возможность удобного охвата ступеней руками при подъеме и спуске с трапа.
4.1.3 Требования технологичности
4.1.3.1 Конструктивные элементы сварных швов: стальных трапов - по ГОСТ 5264 и ГОСТ 14771, трапов из алюминиево-магниевого сплава - по ГОСТ 14806.
4.1.3.2 Сварные швы должны быть зачищены, их поверхности не должны иметь механических повреждений, снижающих прочность и товарный вид наклонных и вертикальных трапов.
4.1.4 Конструктивные требования
4.1.4.1 Наклонные и вертикальные трапы, а также ступеньки скоб-трапов должны быть изготовлены в соответствии с требованиями настоящего стандарта по конструкторской документации, утвержденной в установленном порядке.
4.1.4.2 Ступеньки трапов исполнений 1-ф, 1-2ф должны быть изготовлены из фланцевого гладкого или рифленого листа толщиной не менее 4 мм, а трапов 1-н - из листа толщиной не менее 3 мм.
4.1.4.3 Отклонение фактической массы трапов от расчетной не должно превышать 8 % для исполнений 2-т и 3-т и 5 % - для остальных исполнений.
4.1.4.4 Материалы основных деталей трапов и ступенек скоб-трапов должны соответствовать таблице 9.
Таблица 9
|
Материал |
|
|
1-ф, 1-р, 1-н, 1-дп, 1-тп, 1-2тп, 2-п, 2-дп, 2-2дп, 2-2п, 2-т, 3-п, 3-2п |
Ст. 3пс по ГОСТ 380 |
|
1-ф, 1-2ф, 2-п, 2-т, 3-п, 3-т |
АМг5, АМг6 по ГОСТ 4784 |
Допускается применять хорошо свариваемые другие материалы с пределом текучести и относительным удлинением не ниже, чем у перечисленных материалов.
Подшивку трапов исполнений 1-ф, 1-2ф, 1-р, устанавливаемых во внутренних помещениях, допускается изготовлять из материалов, применяемых для зашивки помещений.
4.1.4.5 Трапы и ступеньки скоб-трапов должны быть покрыты грунтовкой:
стальные - ФЛ-03 К по ГОСТ 9109 в два слоя;
из алюминиево-магниевого сплава - ВЛ-02 по ГОСТ 12707 в один слой и ФЛ-03 Ж по ГОСТ 9109 в два слоя.
Трапы и ступеньки скоб-трапов могут быть покрыты другими грунтовками, предусмотренными действующей нормативной документацией на конкретные схемы покрытия.
Передние планки трапов типа 1 и ступеньки трапов 2-т и скоб-трапов 3-т из алюминиево-магниевого сплава должны быть подвергнуты твердому оксидированию по действующей нормативной документации.
4.1.4.6 По требованию потребителей допускается поставлять трапы и ступени скоб-трапов законсервированными (без грунтовки).
4.1.4.7 Предельные отклонения размеров - по конструкторской документации.
4.1.4.8 Допуск прямолинейности по длине трапа должен соответствовать 16-й степени точности по ГОСТ 24643.
4.2 Комплектность
4.2.1 Трапы и ступеньки скоб-трапов должны поставляться комплектно.
4.2.2 В комплект поставки должны входить трапы в сборе.
4.3 Маркировка
4.3.1 Каждый трап и ступенька скоб-трапа должны иметь маркировку, содержащую:
наименование или товарный знак предприятия-изготовителя;
условное обозначение изделия;
обозначение основного конструкторского документа;
дату изготовления (месяц, год);
клеймо ОТК;
массу изделия, если она более 40 кг.
4.3.2 Каждый трап и ступенька скоб-трапа, поставляемые на экспорт, должны иметь маркировку, содержащую:
надпись по условиям контракта или «Сделано в ...» (страна-изготовитель);
условное обозначение изделия;
обозначение основного конструкторского документа;
дату изготовления (месяц, год);
клеймо ОТК.
4.3.3 Маркировку выполняют ударным способом шрифтом 6-Пр5 по ГОСТ 26.020. Место маркировки указывают в конструкторской документации.
4.4 Упаковка
4.4.1 Трапы в сборе поставляют без упаковки, пакетами. Размеры пакетов не должны превышать 5000 мм × 850 мм × 1250 мм.
Ступеньки скоб-трапов поставляют пакетами по ГОСТ 24597 с использованием одноразовых средств пакетирования.
4.4.2 Трапы должны быть уложены в пакеты (по типам изделий) массой не более 1,0 т и скреплены металлической лентой по ГОСТ 503 и ГОСТ 6009 или стальной проволокой диаметром 5 - 7 мм по ГОСТ 3282 не менее чем в двух местах.
Ступеньки скоб-трапов должны быть уложены в пакеты (по типам изделий) массой не более 400 кг и прочно обвязаны стальной проволокой диаметром 5 - 7 мм по ГОСТ 3282 не менее чем в двух местах.
Концы проволоки должны увязываться не менее чем в 2 - 3 оборота с их прочной укруткой.
4.4.3 Допускается поставлять трапы в контейнерах по ГОСТ 18477, ступеньки скоб-трапов - в контейнерах по ГОСТ 15102 и ГОСТ 18477 без пакетирования.
4.4.4 Трапы и ступеньки скоб-трапов, загрунтованные согласно 4.1.4.5, консервации не подлежат. Трапы и ступеньки скоб-трапов, поставляемые согласно 4.1.4.6, консервируют по варианту защиты В3-1 по ГОСТ 9.014.
5.1 Углы установки трапов на судах должны быть не более:
50° - в жилых, общественных и служебных помещениях;
55° - на палубах, в помещениях машинных и котельных отделений.
На малых судах, где площадки перед трапами меньше требуемых согласно 5.3, допускается увеличение углов установки трапов на малоходовых местах на 5°.
В исключительных случаях допускаются углы наклона до 65° трапов, которые стоят отдельно в машинных и котельных отделениях и предназначены для подъема к оборудованию.
5.2 Наклонные трапы с фланцевой ступенькой и углами наклона 65° и 70°, вертикальные трапы с трубчатой ступенькой и трубчатые скоб-трапы допускается устанавливать только на малых судах и быстроходных катерах.
5.3 Перед входом на трап и при сходе с трапа должны быть предусмотрены свободные площадки. Длина площадок для наружных наклонных трапов должна быть не менее 800 мм, для внутренних и вертикальных трапов - не менее 600 мм.
Ширина промежуточных площадок, соединяющих два (и более) трапа, должна быть не менее ширины наиболее широкого из этих трапов.
Между площадками и трапом не допускается установка комингсов.
5.4 При длине наклонных трапов более 4000 мм (для судов речного флота) и более 6000 мм (для судов морского и промыслового флота), а также для вертикальных трапов более 9000 мм должны быть предусмотрены промежуточные площадки в соответствии с 5.3.
5.5 На вертикальных трапах с прутковой ступенькой исполнений 2-п, 2-дп, трапах с трубчатой ступенькой шириной 300 мм при длине 2100 мм и более и на вертикальных трапах с прутковой ступенькой исполнения 2-2дп при длине 2500 мм и более должен быть установлен промежуточный обух для крепления трапа на середине его длины.
5.6 На каждой ступеньке трапов 1-ф, 1-2ф и 1-н по всей длине для предотвращения скольжения должны быть установлены рифленые планки шириной не менее 35 мм, с глубиной рифления 3 мм, направление рифления - параллельно кромке ступеньки.
Рифленые планки должны быть надежно закреплены и равномерно прилегать по всей длине к ступеньке.
Крепежные детали не должны выступать над рифлениями планок.
Не допускается вместо установки рифленых планок выполнять рифление на ступеньках сваркой.
5.7 Ширина ступеньки трапов 1-ф и 1-р с углами наклона до 55° должна быть не менее 200 мм, трапов 1-н - не менее 220 мм, трапов 1-ф, 1-тп с углом наклона 60° и трапов 1-ф, 1-2ф с углами наклона 70° - не менее 150 мм.
5.8 Открытая ширина ступеньки наклонных трапов с углами наклона 50° должна быть не менее 160 мм, 55° и 60° - не менее 140 мм.
5.9 Ячейки ступеньки трапов 1-р должны быть такими, чтобы через них проходил прямоугольник размерами не более 30 мм × 40 мм.
5.10 Передние кромки ступенек наклонных трапов не должны выступать за пределы тетивы трапа.
5.11 Расстояние от задней кромки верхней ступеньки наклонных трапов до подшивки или корпусной конструкции по горизонтали не должно быть более 40 мм.
5.12 Подшивка наклонных трапов должна быть расположена на расстоянии не менее 240 мм по горизонтали от передней кромки ступеньки.
5.13 Наклонный трап в рабочем положении должен выдерживать вертикальную сосредоточенную нагрузку, приложенную к середине каждой третьей ступеньки и равную 1000 Н (100 кгс).
5.14 Расстояние от центра ступеньки вертикальных трапов и скоб-трапов до переборок или других конструкций, расположенных за трапом, должно быть не менее 150 мм.
5.15 Кромки тетив, обушков и передних фланцев ступенек должны быть закруглены, сварные швы - зачищены.
6.1 Для проверки соответствия трапов и ступенек скоб-трапов требованиям настоящего стандарта проводят приемосдаточные испытания.
6.2 Трапы и ступеньки скоб-трапов для приемки предъявляют партиями. Партия должна состоять из трапов одного типа, изготовленных из одинакового материала.
Количество изделий в партии должно быть не более 200 шт.
6.3 На приемку предъявляют трапы, которые прошли операционный контроль на соответствие требованиям 4.1.3.1, 4.1.3.2; 4.1.4.2, 4.1.4.5.
6.4 При приемке трапы (ступеньки скоб-трапов) должны быть подвергнуты выборочному контролю на соответствие требованиям раздела 4, 4.1.4.3, 4.1.4.6 - 4.1.4.8, 5.6 - 5.12: 2 % трапов (ступенек скоб-трапов) от партии, но не менее одного трапа (ступеньки скоб-трапа) каждого исполнения.
6.5 Средний срок службы, средний срок сохраняемости трапов и ступенек скоб-трапов согласно 4.1.1.1, 4.1.1.2 обеспечиваются выбором материала, защитных покрытий и конструкций трапов и ступенек скоб-трапов, в том числе входным контролем качества применяемых материалов, периодическим обновлением покрытий и смазкой трущихся поверхностей, а также контролем соответствия допустимых сроков хранения.
6.6 Если при приемке согласно 6.3 и 6.4 будут обнаружены трапы и ступеньки скоб-трапов, не соответствующие требованиям настоящего стандарта, испытаниям подвергают удвоенное число трапов (ступенек скоб-трапов) из этой же партии. Результаты повторных испытаний распространяются на всю партию.
6.7 Три образца от первой партии серийно изготовленных трапов каждого исполнения должны быть испытаны предприятием-изготовителем на соответствие требованиям 5.13.
Если при испытании будут обнаружены трапы и ступеньки скоб-трапов, не соответствующие требованиям 5.13, партию возвращают для устранения дефектов и разбраковывания. После устранения дефектов и отбраковывания проводят повторные испытания. Результаты повторных испытаний считаются окончательными.
7.1 Конструкцию и размеры трапов, ступенек скоб-трапов согласно 3.3, 3.4., 4.1.4.1, 4.1.4.7, 4.1.4.8, 5.1 - 5.9, 5.12 контролируют сличением с чертежами и проверкой размеров инструментом, обеспечивающим требуемую точность.
7.2 Внешний вид трапов, ступенек скоб-трапов согласно 4.1.2.1, 4.1.2.2, 4.1.4.2, 4.1.4.6, 5.10, 5.14, 5.15, качество защитных покрытий согласно 4.1.4.5, комплектность согласно 4.2.1, 4.2.2 и маркировку согласно 4.3.1 - 4.3.3 контролируют внешним осмотром.
7.3 Контроль на соответствие согласно 4.1.4.1 проводят по документам качества или данным лабораторных испытаний предприятия-изготовителя.
7.4 Качество сварных швов по 4.1.3.2 проверяют внешним осмотром в соответствии с требованиями ГОСТ 3242.
7.5 Испытание на прочность согласно 5.13 проводят:
для вертикальных трапов - последовательным приложением сосредоточенной нагрузки 2000 Н (200 кгс) к середине каждой третьей ступеньки;
для наклонных трапов шириной не более 600 мм - одновременным приложением сосредоточенной нагрузки 2000 Н (200 кгс) к середине каждой третьей ступеньки;
для наклонных трапов шириной 800 и 1000 мм - одновременным приложением к каждой третьей ступеньке двух сосредоточенных нагрузок, равных 2000 Н (200 кгс) каждая, прилагаемых в точках, отстоящих от тетивы на 1/4 ширины трапа.
Время выдержки под нагрузкой - не менее 15 мин.
Результаты испытаний на прочность считают положительными, если после снятия нагрузки трапы не будут иметь остаточных деформаций.
7.6 Массу трапов и ступенек скоб-трапов согласно 4.1.4.3 контролируют взвешиванием на весах среднего класса точности по ГОСТ 29329 с ценой деления не более 0,1 кг с погрешностью не более ±2,5 %.
8.1 Трапы и ступеньки скоб-трапов следует транспортировать железнодорожным, водным или автомобильным транспортом в соответствии с Правилами перевозок грузов, действующими на транспорте данного вида.
8.2 Транспортирование пакетов железнодорожным транспортом осуществляют повагонными или мелкими отправками открытым подвижным составом или в крытых вагонах.
Вид отправки (мелкий или повагонный) устанавливает предприятие-изготовитель трапов и ступенек скоб-трапов в зависимости от объема поставляемой партии.
При повагонных отправках трапов и ступенек скоб-трапов должно быть обеспечено максимальное использование грузоподъемности и грузовместимости транспортных средств.
8.3 Транспортная маркировка пакетов должна соответствовать требованиям ГОСТ 14192 и содержать основные, дополнительные и информационные надписи, наносимые несмываемой краской на металлические или фанерные ярлыки, надежно прикрепленные проволокой к пакетам.
8.4 Условия хранения трапов и ступенек скоб-трапов - по группе С ГОСТ 15150.
9.1 Виды и объемы технического обслуживания в процессе эксплуатации трапов и ступенек скоб-трапов - в соответствии с действующей нормативной документацией.
9.2 Монтаж трапов и ступенек скоб-трапов на судне необходимо выполнять в соответствии с требованиями действующей нормативной документации, устанавливающей типовые технологические процессы монтажа трапов на судне, а также требованиями конструкторской документации, устанавливающей конструктивно-монтажные узлы крепления трапов.
10.1 Изготовитель гарантирует соответствие трапов и ступенек скоб-трапов требованиям настоящего стандарта при соблюдении потребителем условий транспортирования, хранения, монтажа и эксплуатации.
10.2 Гарантийный срок эксплуатации трапов и ступенек скоб-трапов - 14 мес со дня подписания приемного акта на судно.
Гарантийный срок эксплуатации трапов и ступенек скоб-трапов, поставляемых на экспорт, - 24 мес с момента проследования их через государственную границу государства-изготовителя (поставщика).
Ключевые слова: трапы судовые стационарные, ступеньки скоб-трапов, классификация, основные параметры, технические требования, требования безопасности, правила приемки, методы контроля, транспортирование, хранение, условия эксплуатации, гарантии изготовителя
СОДЕРЖАНИЕ
|
3 Классификация. Основные параметры и размеры.. 2 8 Транспортирование и хранение. 14 |