СИСТЕМА НОРМАТИВНЫХ ДОКУМЕНТОВ В СТРОИТЕЛЬСТВЕ
СВОД ПРАВИЛ
ПО ПРОЕКТИРОВАНИЮ И СТРОИТЕЛЬСТВУ
ПРОЕКТИРОВАНИЕ И
МОНТАЖ ПОДЗЕМНЫХ
ТРУБОПРОВОДОВ ВОДОСНАБЖЕНИЯ
С
ИСПОЛЬЗОВАНИЕМ ТРУБ
ИЗ
ВЫСОКОПРОЧНОГО ЧУГУНА
С
ШАРОВИДНЫМ ГРАФИТОМ
СП 40-106-2002
ГОСУДАРСТВЕННЫЙ
КОМИТЕТ РОССИЙСКОЙ ФЕДЕРАЦИИ
ПО
СТРОИТЕЛЬСТВУ И ЖИЛИЩНО-КОММУНАЛЬНОМУ КОМПЛЕКСУ
(ГОССТРОЙ
РОССИИ)
Москва 2002
ПРЕДИСЛОВИЕ
1 РАЗРАБОТАН ГУП «НИИМосстрой», ФГУП ЦНС при участии группы специалистов
ВНЕСЕН Управлением стандартизации, технического нормирования и сертификации в строительстве Госстроя России
2 ОДОБРЕН И РЕКОМЕНДОВАН к применению в качестве нормативного документа постановлением Госстроя России от 04.06.2002 г. № 34
3 ВВЕДЕН ВПЕРВЫЕ
СОДЕРЖАНИЕ
Настоящий Свод правил содержит указания по проектированию и монтажу подземных трубопроводов водоснабжения с использованием труб из высокопрочного чугуна с шаровидным графитом. Выполнение этих указаний обеспечит соблюдение обязательных требований к наружным системам водоснабжения, установленных действующими СНиП 2.04.02-84* «Водоснабжение. Наружные сети и сооружения» и СНиП 3.05.04-85* «Наружные сети и сооружения водоснабжения и канализации».
В Своде правил рассмотрены вопросы, касающиеся применения труб из высокопрочного чугуна с шаровидным графитом, изготовляемых, например, ОАО «Синарский трубный завод» и ОАО «Липецкий металлургический завод "Свободный Сокол"». Приведены основные показатели труб, соединительных частей и способы их соединения, рассмотрены правила хранения труб, вопросы монтажа и испытания трубопроводов, а также техники безопасности при их монтаже. Приведены методики гидравлического расчета трубопроводов водоснабжения, а также выбора типоразмеров труб для напорных трубопроводов при подземной прокладке в грунте с учетом требований прочности, предъявляемых к водопроводным сетям.
В разработке Свода правил принимали участие: канд. техн. наук А.В. Сладков, канд. техн. наук А.А. Отставнов (ГУП «НИИМосстрой»), В.А. Глухарев, В.П. Бовбель (Госстрой России), канд. техн. наук С.Н. Нерсесов, Л.С. Васильева (ФГУП ЦНС).
СВОД ПРАВИЛ ПО ПРОЕКТИРОВАНИЮ И СТРОИТЕЛЬСТВУ
ПРОЕКТИРОВАНИЕ И
МОНТАЖ ПОДЗЕМНЫХ ТРУБОПРОВОДОВ
ВОДОСНАБЖЕНИЯ С ИСПОЛЬЗОВАНИЕМ ТРУБ ИЗ ВЫСОКОПРОЧНОГО
ЧУГУНА С ШАРОВИДНЫМ ГРАФИТОМ
DESIGN AND ERECTION OF UNDERGROUND PIPELINES FOR WATER SUPPLY USING PIPES OF HIGH-STRENGTH GLOBULAR GRAPHITE CAST IRON
Дата введения 2002-08-01
Настоящий Свод правил распространяется на проектирование и монтаж подземных трубопроводов хозяйственно-питьевого водоснабжения с использованием труб из высокопрочного чугуна с шаровидным графитом (далее - труб ВЧШГ) с максимальным давлением воды до 1,6 МПа.
В настоящем Своде правил приведены ссылки на следующие нормативные документы:
ГОСТ 12.1.004-91 ССБТ. Пожарная безопасность. Общие требования
ГОСТ 12.4.121-83 ССБТ. Противогазы промышленные фильтрующие. Технические условия
ГОСТ 5525-88 Части соединительные чугунные, изготовленные литьем в песчаные формы, для трубопроводов
ГОСТ 10692-80 Трубы стальные, чугунные и соединительные части к ним. Приемка, маркировка, упаковка, транспортирование и хранение
СНиП 2.04.02-84* Водоснабжение. Наружные сети и сооружения
СНиП 3.01.04-87 Приемка в эксплуатацию законченных строительством объектов. Основные положения
СНиП 3.02.01-87 Земляные сооружения, основания и фундаменты
СНиП 3.05.03-85 Тепловые сети
СНиП 3.05.04-85* Наружные сети и сооружения водоснабжения и канализации
СНиП III-4-80* Техника безопасности в строительстве
ТУ 14-161-183-2000 Трубы напорные из высокопрочного чугуна
ТУ 1460-035-50254094-2000 Части соединительные литые из высокопрочного чугуна для напорных трубопроводов
ТУ 1461-037-50254094-2000 Трубы чугунные напорные высокопрочные
ТУ 1468-041-50254094-2001 Части соединительные сварные из высокопрочного чугуна для напорных трубопроводов
3.1.1 При проектировании трубопроводов следует руководствоваться общими требованиями СНиП 2.04.02, СНиП 3.05.04.
3.1.2 Трубы ВЧШГ рекомендуется применять, как правило, при подземной траншейной прокладке.
Допускается применение труб ВЧШГ также при прокладке трубопроводов хозяйственно-питьевого водоснабжения в коммуникационных коллекторах, тоннелях и каналах при соответствующем технико-экономическом обосновании и по согласованию с заказчиком, эксплуатационными и надзорными организациями.
3.1.3 Выбор труб ВЧШГ по диаметру должен осуществляться на основании гидравлического расчета, а по толщине стенки - на основании прочностного расчета с учетом конкретных условий для проектируемого водопровода.
3.1.4 В слабых грунтах с расчетным сопротивлением менее 0,1 МПа, а также в грунтах с возможной неравномерной осадкой (в неслежавшихся насыпных грунтах) прокладка трубопроводов из труб из чугуна с шаровидным графитом без искусственного основания не допускается.
При необходимости укладки трубопроводов водоснабжения из труб ВЧШГ с теплоизоляцией минимальную глубину их заложения следует принимать не менее 0,5 м вне пределов проезжей части и 0,6 м - в пределах проезжей части, считая до верха теплоизоляции.
3.2.1 Для трубопроводов диаметром до 300 мм применяют трубы по ТУ 1461-037-50254094 и ТУ 14-161-183 с показателями, приведенными в таблице 1; для трубопроводов диаметром от 400 до 1000 мм показатели следует принимать по данным предприятия-изготовителя.
Таблица 1
|
Величина показателя |
|
|
Предел прочности при растяжении, МПа |
420 |
|
Условный предел текучести, МПа |
300 |
|
Относительное удлинение, % |
10 |
|
Гидравлическое испытательное давление, МПа |
5,0 |
3.2.2 Для трубопроводов с внутренним цементно-песчаным покрытием применяются трубы, выпускаемые по ТУ 1461-037-50254094 одного класса с размерами, указанными в таблице 2, а по ТУ 14-161-183 - с размерами, указанными в таблице 3.
Таблица 2
В миллиметрах
|
Наружный диаметр |
Толщина стенки |
Толщина цементно-песчаного внутреннего покрытия |
|||||
|
номинал |
пред. откл. +(-) |
номинал |
пред. откл. (-) |
номинал |
мин. средняя |
мин. в одной точке |
|
|
100 |
118 |
1,1 (1,3) |
6,0 |
1,3 |
3,0 |
2,5 |
1,5 |
|
150 |
170 |
1,1 (1,3) |
6,0 |
1,3 |
|||
|
200 |
222 |
1,1 (1,8) |
6,3 |
1,5 |
|||
|
250 |
274 |
1,6 (2,6) |
6,8 |
1,6 |
|||
|
300 |
326 |
1,6 (3,3) |
7,2 |
1,6 |
|||
Таблица 3
В миллиметрах
|
Наружный диаметр |
Толщина стенки для класса |
Толщина цементно-песчаного покрытия |
|||||
|
ОТ |
Т |
ЛА |
А |
номинал |
пред. откл. +(-) |
||
|
100 |
118 |
6,1 |
7,0 |
7,5 |
8,3 |
6,0 |
3,2 (1,6) |
|
150 |
170 |
6,3 |
7,8 |
8,3 |
9,2 |
6,0 |
3,2 (1,6) |
|
200 |
222 |
6,4 |
8,4 |
9,2 |
10,1 |
6,0 |
3,2 (1,6) |
|
250 |
274 |
6,8 |
9,0 |
10,0 |
11,0 |
6,0 |
3,2 (1,6) |
|
300 |
326 |
7,2 |
9,6 |
10,8 |
11,9 |
8,0 |
3,2 (1,6) |
|
400 |
429 |
8,1 |
10,8 |
12,5 |
13,8 |
8,0 |
3,2 (1,6) |
|
500 |
532 |
9,0 |
12,0 |
14,2 |
15,6 |
8,0 |
3,2 (1,6) |
|
600 |
635 |
9,9 |
13,2 |
15,8 |
17,4 |
9,0 |
3,2 (1,6) |
|
700 |
738 |
10,8 |
14,4 |
17,5 |
19,3 |
9,0 |
3,2 (1,6) |
|
900 |
945 |
12,6 |
16,8 |
20,6 |
22,9 |
10,0 |
3,2 (1,6) |
|
1000 |
1048 |
13,5 |
18,0 |
22,5 |
24,8 |
12,0 |
3,2 (1,6) |
3.3.1 При устройстве сетей водоснабжения из труб из высокопрочного чугуна с шаровидным графитом следует предусматривать использование в первую очередь фасонных соединительных частей также из ВЧШГ.
3.3.2 Для трубопроводов диаметром до 300 мм с рабочим давлением до 1,6 МПа следует использовать соединительные части из ВЧШГ по ТУ 1468-041-50254094 сварные либо литые по ТУ 1460-035-50254094.
3.4.1 Для сборки труб из высокопрочного чугуна с шаровидным графитом по ТУ 1461-037-50254094 между собой и со сварными фасонными соединительными частями по ТУ 1468-041-50254094 и ТУ 1460-035-50254094 следует использовать раструбные соединения (рисунок 1, таблица 4) с уплотнительными кольцами (рисунки 2, 3, таблицы 5, 6).
а - соединение под универсальное резиновое кольцо; б - соединение ВРС; в - соединение ВР
Рисунок 1 - Элементы раструбного соединения резиновыми кольцами
Таблица 4 - Основные размеры элементов раструбных соединений
В миллиметрах
|
Dн |
S |
S1 |
Соединение под универ. резин. кольцо |
Соединение ВРС |
Соединение ВР |
|||
|
l1 |
l |
l1 |
h |
l1 |
||||
|
100,0 |
|
6,0-1,.3 |
3,0 |
85,0 |
91,0 |
135,0 |
5,0 |
90,0 |
|
150,0 |
|
6,0-1,3 |
3,0 |
90,0 |
101,0 |
150,0 |
5,0 |
100,0 |
|
200,0 |
|
6,3-1,5 |
3,0 |
89,0 |
106,0 |
160,0 |
5,5 |
105,0 |
|
250,0 |
|
6,8-1,6 |
3,0 |
94,0 |
106,0 |
165,0 |
5,5 |
105,0 |
|
300,0 |
|
7,2-1,6 |
3,0 |
98,0 |
106,0 |
170,0 |
5,5 |
105,0 |
Рисунок 2 - Универсальное резиновое кольцо к раструбным соединениям (рисунок 1а, размеры по таблице 5)
Таблица 5
В миллиметрах
|
B |
b1 |
b2 |
b3 |
b4 |
h |
h1 |
h2 |
d1 |
d2 |
d3 |
Масса, кг (справочная) |
|
|
100,0 |
30,0 |
10,0 |
6,0 |
3,0 |
6,0 |
14,0 |
5,0 |
7,0 |
133,0 |
105,0 |
146,0 |
0,174 |
|
150,0 |
33,0 |
10,0 |
7,0 |
3,0 |
6,0 |
15,0 |
5,0 |
7,0 |
186,0 |
156,0 |
200,0 |
0,292 |
|
200,0 |
33,0 |
10,0 |
7,0 |
3,0 |
12,0 |
17,0 |
5,0 |
8,5 |
242,0 |
208,0 |
255,0 |
0,442 |
|
250,0 |
34,0 |
10,0 |
7,0 |
3,0 |
12,0 |
17,0 |
5,0 |
9,0 |
294,0 |
260,0 |
307,0 |
0,560 |
|
300,0 |
35,0 |
10,0 |
7,0 |
3,0 |
12,0 |
17,0 |
5,0 |
9,5 |
346,0 |
312,0 |
359,0 |
0,673 |
Рисунок 3 - Резиновое кольцо к раструбным соединениям ВРС и ВР (размеры по таблице 6)
Таблица 6 - Основные размеры резинового кольца
В миллиметрах
|
d1 |
d2 |
d3 |
d4 |
b |
l1 |
l2 |
R1 |
|
|
100,0 |
146,5 |
134,5 |
99,5 |
140,5 |
30,0 |
5,5 |
14,3 |
5,0 |
|
150,0 |
203,5 |
189,5 |
151,0 |
196,0 |
32,0 |
5,5 |
15,3 |
5,5 |
|
200,0 |
260,0 |
244,0 |
202,0 |
250,0 |
33,0 |
5,5 |
15,3 |
6,0 |
|
250,0 |
315,0 |
299,0 |
257,0 |
305,0 |
33,0 |
5,5 |
15,3 |
6,0 |
|
300,0 |
369,0 |
353,0 |
311,0 |
359,0 |
33,0 |
5,5 |
15,3 |
6,0 |
3.4.2 Для сборки труб из высокопрочного чугуна по ТУ 14-161-183 между собой следует использовать соединения с раструбами, уплотняемыми при диаметре до 300 мм резиновыми кольцами (рисунки 4, 5, таблицы 7 и 8) и при диаметре 400 мм - резиновыми кольцами (рисунки 6 и 7, таблицы 9 и 10).
Рисунок 4 - Раструбное соединение для труб диаметром до 300 мм (размеры по таблице 7)
Таблица 7
В миллиметрах
|
Dн |
D1 |
S1 |
L |
|
|
100 |
118 |
129 |
26 |
75 |
|
150 |
170 |
181 |
28 |
80 |
|
200 |
222 |
232 |
31 |
80 |
|
250 |
274 |
286 |
32 |
85 |
|
300 |
326 |
337 |
34 |
90 |
Рисунок 5 - Резиновое кольцо (размеры по таблице 8)
Таблица 8 - Основные размеры резиновых колец (марок 1-Б-1 и 1-Б-2)
В миллиметрах
|
В |
1-Б-1 |
1-Б-2 |
|||||
|
h |
h2 |
d2 |
h |
h2 |
d2 |
||
|
100 |
30 |
14,5 |
8 |
109 |
17,5 |
11 |
103 |
|
150 |
35 |
17,0 |
8 |
159 |
20,0 |
11 |
153 |
|
200 |
36 |
19,5 |
9,5 |
210 |
23,5 |
12,5 |
202 |
|
250 |
37 |
20,5 |
9,5 |
261 |
25,0 |
13,5 |
252 |
|
300 |
37 |
21,0 |
10,5 |
313 |
25,5 |
14,5 |
304 |
Рисунок 6 - Раструбное соединение труб диаметром 400 мм (размеры по таблице 9)
Таблица 9
В миллиметрах
|
Dн |
D5 |
S1 |
l |
l5 |
|
|
400 |
429 |
452 |
44 |
110 |
25 |
Рисунок 7 - Резиновое кольцо (размеры по таблице 10)
Таблица 10
В миллиметрах
|
В |
h |
h2 |
d2 |
|
|
400 |
48 |
25,0 |
14 |
408 |
3.4.3 Для соединения труб по ТУ 14-161-183 условных проходов 500 и 600 мм (рисунок 8, таблица 11), а также 700, 900 и 1000 мм (рисунок 9, таблица 12) между собой используются раструбные соединения с резиновыми кольцами (рисунок 10).
а - раструбное соединение; б - раструб трубы с резиновым кольцом
1 - гладкий конец трубы; 2 - фланец с выступом; 3 - винт; 4 - крепежная струбцина; 5 - резиновое кольцо (рисунок 10); 6 - раструб трубы
Рисунок 8 - Раструбное соединение труб диаметром 500 и 600 мм с резиновым кольцом (размеры по таблице 11)
Таблица 11
В миллиметрах
|
Dн |
D1 |
D2 |
D3 |
D4 |
D5 |
D |
l1 |
l2 |
|
|
500 |
532 |
674 |
616 |
578 |
560 |
542 |
760 |
105 |
46 |
|
600 |
635 |
778 |
722 |
683 |
661 |
646 |
865 |
115 |
46 |
а - раструбное соединение с крепежной струбциной; б - раструб трубы
1 - гладкий конец трубы; 2 - крепежная струбцина; 3 - свободный фланец с фигурным профилем; 4 - резиновое кольцо (рисунок 10); 5 - винт; 6 - раструб трубы
Рисунок 9 - Раструбное соединение труб диаметром 700, 900 и 1000 мм с резиновым кольцом (размеры по таблице 12)
Таблица 12
В миллиметрах
|
Dн |
D1 |
D2 |
D3 |
D4 |
D5 |
D |
l |
l1 |
l2 |
|
|
700 |
738 |
908 |
791 |
760 |
748 |
750 |
970 |
70 |
120 |
45 |
|
900 |
945 |
1128 |
1006 |
965 |
954 |
955 |
1200 |
80 |
135 |
50 |
|
1000 |
1048 |
1256 |
1121 |
1080 |
1062 |
1070 |
1332 |
90 |
145 |
50 |
Рисунок 10 - Резиновое кольцо (размеры по таблице 13)
Таблица 13
В миллиметрах
|
D1 |
D2 |
В |
h |
|
|
500 |
526 |
580 |
46 |
27 |
|
600 |
629 |
683 |
46 |
27 |
|
700 |
735 |
791 |
46 |
28 |
|
900 |
942 |
1006 |
52 |
32 |
|
1000 |
1046 |
1116 |
52 |
35 |
3.4.4 Для сборки труб с соединительными частями по ГОСТ 5525 используется зачеканка (рисунок 11). Зачеканка раструбов производится с использованием соответствующих материалов, инструментов и средств механизации.
3.4.5 Для сборки труб и соединительных частей из ВЧШГ с арматурой используются традиционные фланцевые соединения.

1 - гладкий конец трубы; 2 - раструб трубы
Рисунок 11 - Элементы раструбного соединения под заделку труб диаметром 400-1000 мм (размеры по таблице 14)
Таблица 14
В миллиметрах
|
Dн |
D1 |
S1 |
К |
l1 |
l2 |
|
|
400 |
429 |
449 |
39 |
10 |
80 |
20 |
|
500 |
532 |
553 |
42 |
10 |
85 |
20 |
|
600 |
635 |
657 |
45 |
10 |
90 |
25 |
|
700 |
738 |
760 |
48 |
10 |
95 |
25 |
|
900 |
945 |
968 |
56 |
12 |
105 |
30 |
|
1000 |
1048 |
1072 |
60 |
12 |
110 |
35 |
3.5.1 Гидравлический расчет сетей водоснабжения из труб из высокопрочного чугуна с шаровидным графитом следует выполнять в соответствии с требованиями СНиП 2.04.02.
3.5.2 Потери напора Н, м, на участке водопроводной сети определяются по формуле:
, (1)
где L - расчетная длина трубопровода, м;
iт - потери напора, вызванные гидравлическим сопротивлением единицы длины труб;
V - средняя по сечению скорость движения воды, м/с;
g - ускорение свободного падения, м/с2;
åxj - сумма коэффициентов гидравлического сопротивления стыковых соединений, соединительных частей и арматуры, принимаемых по паспорту завода-изготовителя либо по данным аналогичных проектируемых систем водоснабжения.
3.5.3 Потери напора на единицу длины трубопровода следует определять по формуле:
, (2)
где l - коэффициент гидравлического сопротивления;
d - расчетный диаметр трубы, м, который определяется:
d = Dн - 2 (S + dп), (3)
где Dн - наружный диаметр трубы, м;
S - толщина стенки трубы, м;
dп - толщина внутреннего цементно-песчаного покрытия, м.
3.5.4 Коэффициент гидравлического сопротивления l с учетом гидравлического сопротивления стыковых соединений при транспортировании по трубопроводу воды с коэффициентом кинематической вязкости v = 1,3×10-6 м2/с определяется по формуле:
,
(4)
где А1, С и т - коэффициенты, принимаются по таблице 15.
Таблица 15
|
А1 |
С |
m |
|
|
Без внутреннего защитного покрытия |
0,015 |
2,36 |
0,284 |
|
С внутренним цементно-песчаным покрытием (ЦПП) |
0,014 |
3,51 |
0,19 |
3.5.5 Для трубопроводов, транспортирующих воду с другими значениями кинематической вязкости n, коэффициент l следует определять из выражения:
, (5)
где
Rе =
- число
Рейнольдса;
К - абсолютная шероховатость стенок труб, м, принимается для труб: без внутреннего защитного покрытия 0,001 и с внутренним цементно-песчаным покрытием 0,00025.
3.5.6 Приближенные гидравлические расчеты трубопроводов следует проводить по номограммам приложений А и Б.
3.6.1 Выбор труб ВЧШГ по прочности надлежит производить в соответствии с требованиями СНиП 2.04.02 с учетом воздействия расчетного внутреннего давления, нагрузок от грунта, временных нагрузок, собственной массы труб, массы теплоизоляции и транспортируемой воды, давления при образовании вакуума и внешнего гидростатического давления грунтовых вод в тех комбинациях, которые оказываются наиболее опасными для различных конкретных условий проектируемого участка, а также прочностных и деформационных показателей чугуна, установленных заводами - изготовителями труб.
3.6.2 Трубы, укладываемые в грунте, должны быть во всех случаях рассчитаны на восприятие одновременного воздействия расчетного внутреннего давления и приведенной внешней нагрузки с учетом глубины заложения трубопровода, вида основания, уплотнения грунта засыпки, временных нагрузок, овализации поперечного сечения.
3.6.3 Допустимое укорочение вертикального диаметра труб из высокопрочного чугуна с шаровидным графитом должно приниматься по нормативной документации. В предварительных расчетах может использоваться значение до 2 %.
3.6.4 В качестве временных нагрузок для трубопроводов с использованием труб ВЧШГ с учетом мест прокладки следует принимать нагрузки в соответствии с требованиями СНиП 2.04.02.
3.6.5 Величину расчетного внутреннего давления надлежит принимать равной наибольшему возможному давлению в водопроводе на различных участках по длине (при наиболее невыгодном режиме работы) без учета повышения давления при гидравлическом ударе или с повышением давления при гидравлическом ударе с учетом действия противоударной арматуры, если это действие в сочетании с другими нагрузками окажет на трубопровод худшее воздействие.
3.6.6 При расчете водопроводов на повышение давления при гидравлическом ударе (определенное с учетом противоударной арматуры или образования вакуума) внешнюю нагрузку следует принимать не более нагрузки от колонны автомобилей Н-18.
3.6.7 При определении величины вакуума следует учитывать действие предусматриваемых на водопроводе противовакуумных устройств.
4.1 Упаковка, транспортирование, оформление документации и хранение труб и соединительных частей ВЧШГ должны производиться в соответствии с требованиями ГОСТ 10692.
4.2 Трубы и соединительные части из ВЧШГ допускается перевозить в любых транспортных средствах в закрепленном состоянии, препятствующем их перемещению. При перевозке труб автотранспортом длина свисающих концов не должна превышать 25 % длины трубы.
4.3 При перевозке и погрузочно-разгрузочных работах запрещается перемещать трубы волоком, сбрасывать и спускать по наклонной плоскости, ронять и ударять трубы друг о друга, подвергать трубы ударным нагрузкам.
4.4 Хранение труб на складах и строительных площадках должно производиться в штабелях, белях, уложенных на ровных площадках. Ряды труб в штабеле должны быть уложены на прокладки. Раструбы в каждом ряду должны быть направлены попеременно в противоположные стороны.
4.5 При хранении труб высота штабеля не должна превышать 3 м. При этом необходимо предусматривать боковые опоры, предотвращающие самопроизвольное раскатывание труб.
4.6 Соединительные части должны храниться рассортированными по виду и диаметрам.
4.7 Хранение труб с момента нанесения цементно-песчаного покрытия в течение суток должно производиться с герметично закрытыми торцами.
4.8 В летнее время трубы ВЧШГ с цементно-песчаным покрытием должны храниться в местах, исключающих попадание на них прямых солнечных лучей, либо цементно-песчаное покрытие для исключения высыхания и растрескивания один раз в сутки должно орошаться водой.
4.9 Резиновые уплотнители должны храниться в помещениях при температуре от нуля до +25 °С на расстоянии не менее 1 м от отопительных приборов и быть защищены от негативного воздействия нефтепродуктов.
5.1.1 Земляные работы при строительстве трубопроводов водоснабжения с применением труб из высокопрочного чугуна с шаровидным графитом, крепление стенок траншей, водоотлив и водопонижение следует производить в соответствии с требованиями СНиП 3.02.01.
5.1.2 Для укладки трубопроводов из труб ВЧШГ должна производиться специальная подготовка дна траншеи с обеспечением уклона в сторону спуска воды >0,005 и с доведением до проектной отметки: при естественном основании - ровной срезкой грунта с профилированием на угол (по проекту); при искусственном - насыпкой песка, гравия, щебенки с утрамбовкой слоями толщиной 100-150 мм, бетонированием, в том числе по свайному основанию.
5.1.3 После завершения гидравлических испытаний трубопроводов следует производить окончательную засыпку траншеи местным грунтом, не содержащим твердых включений крупнее 300 мм (щебня, камней, кирпичей и пр.), экскаватором-планировщиком по уплотненному защитному слою с уплотнением до степени по проекту.
5.2.1 Прокладка трубопроводов водоснабжения с использованием труб ВЧШГ должна осуществляться с учетом требований СНиП 3.05.04.
5.2.2 Трубы, соединительные части и комплектующие изделия, поступающие на стройку, должны проходить входной контроль качества. Особое внимание следует уделять проверке качества манжет (таблица 16).
Таблица 16
|
Отклонения показателя внешнего вида |
||
|
Рабочая поверхность |
Нерабочая поверхность |
|
|
Трещина |
Не допускается |
|
|
Возвышение, углубление, недопрессовка |
Не допускается более: высотой (глубиной) от 0,7 до 1,0 мм шириной (длиной) 2,0 мм в количестве трех на кольцо |
Не допускается более: высотой (глубиной) от 1,0 до 2,0 мм, шириной (длиной) 5,0 мм в количестве трех на кольцо |
|
Смещение по плоскости разъема пресс-формы |
Не допускается более 0,5 мм |
Не допускается более 1,0 мм |
|
Выпрессовка |
Не допускается высотой более 1 мм по всему периметру |
Не допускается высотой более 2,0 мм по всему периметру |
|
Втянутая кромка |
Не допускается глубиной более 1,0 мм |
Не допускается глубиной более 2,0 мм |
|
Срез, обрыв |
Не допускается глубиной более 0,7 мм |
Не допускается глубиной более 1,0 мм без ограничения длины |
|
Пузырь |
Не допускается |
Не допускается диаметром более 2,0 мм |
|
Пористость поверхности для колец типа Б |
Не допускается |
Не допускается шириной (длиной) более 2,0 мм в количестве более трех на кольцо |
|
Пористость в сечении |
Не допускается |
|
5.2.3 Работы по прокладке трубопроводов следует производить по специальным технологическим инструкциям, утвержденным в установленном порядке. Указанные работы должны производиться рабочими, прошедшими специальное обучение и получившими право на выполнение таких работ.
5.2.4 Трубы ВЧШГ, уложенные на дно траншеи, спланированное прямолинейно по расчетному уклону, выравниваются в одну линию и закрепляются грунтом. Отклонение трубопровода от проектного положения по вертикали не должно быть менее принятой линии уклона (»0,005), а по горизонтали не должно превышать размеры диаметра на 100 мм длины в обе стороны.
5.2.5 Сборка трубопровода осуществляется по технологической схеме, при которой раструбные соединения с резиновыми кольцами либо на заделке выполняются на дне траншеи.
5.2.6 При центровке соединяемых труб между собой (с соединительными частями) следует обеспечивать равномерную по всей окружности ширину раструбного зазора.
5.2.7 При сборке соединений на резиновых кольцах должны выполняться: нанесение метки (9-12 см от торца) на втулочный конец трубы, укладка колец в паз раструба, нанесение смазки на поверхность кольца внутри раструба и на втулочный конец на длине 50-60 мм, вдвигание втулочного конца одной трубы в раструб другой без перекосов до метки (кольцо не должно доходить до торца 10-12 мм) вначале вручную и затем с использованием натяжных приспособлений любых конструкций, исключающих повреждение труб (применение для этих целей строительных машин - экскаваторов, бульдозеров и других строительных машин не допускается).
Монтаж трубопроводов должен производиться при температуре наружного воздуха не ниже минус 25 °С, а резиновые кольца перед размещением в раструбе должны подвергаться специальному нагреву в термосах либо другим способом до температуры 10 °С.
5.2.8 Контроль качества соединения выполняют посредством определения расположения резинового кольца в раструбе с помощью щупа.
5.2.9 Резку труб при необходимости следует производить механизированным способом.
Резка соединительных частей запрещается.
5.2.10 На поворотах трубопроводов, собранных на раструбах с резиновыми кольцами без стопорения, следует устанавливать упоры с фиксированной опорной площадью (приложение В).
5.3.1 Сопряжение двух соседних участков трубопроводов из чугунных труб, устройство ответвлений и т.п. обычно осуществляют в камерах переключения (колодцах) из железобетона или кирпича путем расположения в них соединительных частей и арматуры.
5.3.2 Проход трубопровода сквозь стенки камер переключения (колодцев) из железобетонных колец и другие строительные конструкции следует осуществлять с помощью гильз из отрезков труб или непосредственного бетонирования.
5.3.3 Гильзы рекомендуется устанавливать на концах труб, примыкающих к камерам переключения (колодцам), перед засыпкой пазух траншеи с проложенным трубопроводом.
5.3.4 Монтаж фланцевых соединительных частей и арматуры на трубопроводах выполняется в камерах переключения (колодцах).
5.3.5 Расположение фланцевых соединений непосредственно в грунте должно сопровождаться их обязательной защитой от коррозии.
Испытания трубопроводов водоснабжения с трубами из ВЧШГ должны проводиться в соответствии со СНиП 2.04.02 и СНиП 3.05.04 с использованием типовых технологических процессов и испытательного оборудования, которое применяется при гидравлическом (пневматическом) испытании напорных трубопроводов из других материалов.
5.5.1 Сдача в эксплуатацию сетей водоснабжения из чугунных труб и фасонных частей, законченных строительством, осуществляется в соответствии с проектом, а также с учетом требований СНиП 3.01.04 и СНиП 2.04.02 и правилами производства работ по прокладке и переустройству подземных сооружений.
5.5.2 Промывка и дезинфекция трубопроводов водоснабжения проводятся в соответствии со СНиП 3.05.04.
5.6.1 При производстве работ необходимо соблюдать требования СНиП III-4, включая изменения, касающиеся погрузочно-разгрузочных, земляных, газопламенных работ, гидравлических и пневматических испытаний (в части установления опасных зон).
5.6.2 Складирование чугунных труб, соединительных частей из ВЧШГ, железобетонных колец, строительных изделий и материалов для устройства колодцев и упоров должно осуществляться с учетом требований технических условий на них.
5.6.3 Погрузка и разгрузка труб, соединительных частей, железобетонных колец и других строительных изделий должны производиться с использованием инвентарных грузозахватных приспособлений (стропов, мягких полотенец, траверс, захватов и т.п.) с учетом подъемно-транспортных механизмов. При перемещении грунта, труб, железобетонных колец и т.п. работники должны находиться в безопасной зоне проведения работ.
5.6.4 Работа на любых строительных машинах должна производиться лицами, имеющими специальное на это разрешение, и только в соответствии с проектом производства работ. Использовать в работе разрешается только исправные машины, инструменты, приспособления и средства малой механизации, что должно проверяться в установленном порядке с указанием сроков, оговоренных в техпаспортах.
5.6.5 Необходимо постоянно следить за состоянием откосов при работе людей в нераскрепленных траншеях и котлованах, а в раскрепленных - за элементами креплений.
5.6.6 Все рабочие, перед тем как приступить к работе, должны пройти полный инструктаж по технике безопасности (вводный, первичный, повторный, внеплановый и текущий).
5.6.7 При хранении труб, соединительных частей, железобетонных колец колодцев на объекте строительства и на месте монтажа следует соблюдать правила противопожарной безопасности по ГОСТ 12.1.004. Запрещается разводить огонь и проводить огневые работы в непосредственной близости (не ближе 2 м) от бытовок, складов, хранить рядом горючие и легковоспламеняющиеся жидкости.
5.6.8 При пожаре следует использовать обычные средства пожаротушения, а в закрытом помещении пользоваться противогазами по ГОСТ 12.4.121.
5.6.9 При проведении гидравлических испытаний трубопроводов давление следует поднимать постепенно. Запрещается находиться перед заглушками, в зоне временных и постоянных упоров.
5.6.10 При осмотре камер (колодцев) необходимо открыть все люки, проверить их газоанализатором на загазованность. Категорически запрещаются попытки проверки загазованности зажженной спичкой, горящей бумагой или пламенем горелки. Испытания следует прервать во всех случаях, угрожающих безопасности работников.
5.6.11 При проведении испытаний трубопроводов участники всех видов работ должны находиться на безопасном расстоянии от возможного места разрушения труб, раструбов и т.п., обнаруженные дефекты можно устранять только после снятия давления.
5.7.1 Меры по охране окружающей среды должны соответствовать требованиям СНиП 3.05.03 и настоящего раздела.
5.7.2 Без согласования с соответствующей организацией не допускается производить рытье траншей (котлованов) и т.п. на расстояниях менее 2 м от стволов деревьев и 1 м от кустарников. Запрещается перемещение грузов кранами на расстоянии ближе 0,5 м от крон или стволов деревьев. Не допускается складирование труб и других изделий на расстоянии менее 2 м от стволов деревьев без временных ограждающих или защитных устройств вокруг них.
5.7.3 Промывку трубопроводов следует выполнять с повторным использованием воды. Слив воды из трубопроводов после проведения испытаний, промывки (дезинфекции) следует производить в места, предусмотренные ППР.
5.7.4 Территория по завершении строительства трубопроводной сети должна быть очищена и восстановлена согласно проекту.
5.7.5 Отходы чугунных труб и железобетонных колец следует вывозить на заводы для переработки или на захоронение в места, согласованные с органами Госсанэпиднадзора.

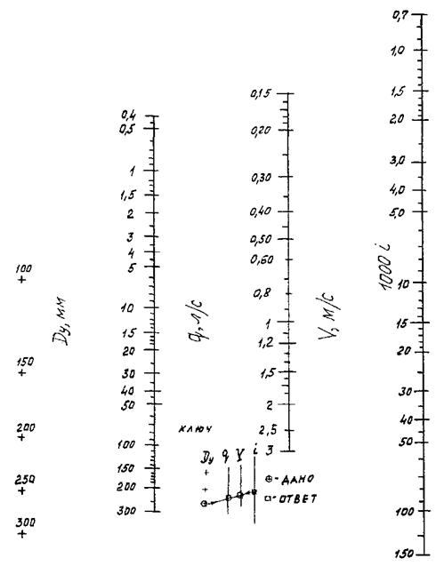
Dу - диаметр условного прохода; q - расчетный расход воды; V - средняя по сечению скорость движения воды; i - гидравлический уклон (потери напора по 3.5.3 на единицу длины трубопровода)
Рисунок А.1 - Номограмма расчета труб с внутренним цементно-песчаным покрытием

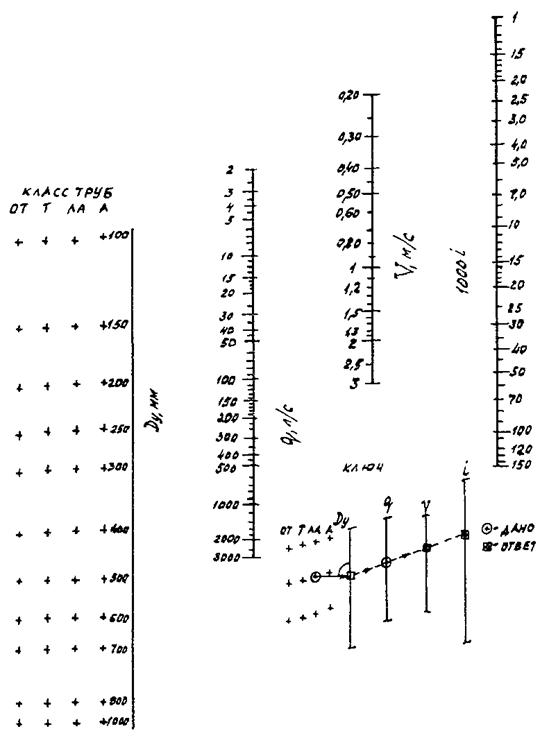
Dy - диаметр условного прохода; q - расчетный расход воды; V - средняя по сечению скорость движения воды; i - гидравлический уклон (потери напора по 3.5.3 на единицу длины трубопровода)
Рисунок А.2 - Номограмма расчета труб без внутреннего цементно-песчаного покрытия

Dy - диаметр условного прохода; q - расчетный расход воды; V - средняя по сечению скорость движения воды; i - гидравлический уклон (потери напора по 3.5.3 на единицу длины трубопровода)
Рисунок Б.1 - Номограмма расчета труб с внутренним цементно-песчаным покрытием

Dy - диаметр условного прохода; q - расчетный расход воды; V - средняя по сечению скорость движения воды; i - гидравлический уклон (потери напора по 3.5.3 на единицу длины трубопровода)
Рисунок Б.2 - Номограмма расчета труб без цементно-песчаного покрытия

Рисунок В.1 - Номограмма для выбора опорной площади упоров W на трубопроводе водоснабжения диаметром d из труб из высокопрочного чугуна с шаровидным графитом с раструбными соединениями, находящемся под внутренним давлением р, при угле поворота трассы α с опорой на грунт прочностью G
Ключевые слова: трубы из высокопрочного чугуна с шаровидным графитом, проектирование и монтаж подземных трубопроводов, водоснабжение хозяйственно-питьевое