ГОСТ 30974-2002
МЕЖГОСУДАРСТВЕННЫЙ СТАНДАРТ
СОЕДИНЕНИЯ УГЛОВЫЕ
ДЕРЕВЯННЫХ БРУСЧАТЫХ
И БРЕВЕНЧАТЫХ МАЛОЭТАЖНЫХ
ЗДАНИЙ
Классификация, конструкции, размеры
МЕЖГОСУДАРСТВЕННАЯ
НАУЧНО-ТЕХНИЧЕСКАЯ КОМИССИЯ
ПО СТАНДАРТИЗАЦИИ, ТЕХНИЧЕСКОМУ НОРМИРОВАНИЮ
И СЕРТИФИКАЦИИ В СТРОИТЕЛЬСТВЕ (МНТКС)
Москва
Предисловие
1 РАЗРАБОТАН Центром по сертификации оконной и дверной техники и ООО «ЛЕСКОНТ» с участием фирм «Global Edge», ЗCK «ИНКОН», института «VTT building and transport», ассоциации «Finnish association of construction product industries»
ВНЕСЕН Госстроем России
2 ПРИНЯТ Межгосударственной научно-технической комиссией по стандартизации, техническому нормированию и сертификации в строительстве (МНТКС) 24 апреля 2002 г.
За принятие проголосовали
|
Наименование государства |
Наименование органа государственного управления строительством |
|
Азербайджанская Республика |
Госстрой Азербайджанской Республики |
|
Республика Казахстан |
Казстройкомитет Республики Казахстан |
|
Кыргызская Республика |
Государственная Комиссия по архитектуре и строительству при Правительстве Кыргызской Республики |
|
Республика Молдова |
Министерство экологии, строительства и развития территорий Республики Молдова |
|
Российская Федерация |
Госстрой России |
|
Республика Таджикистан |
Комархстрой Республики Таджикистан |
|
Республика Узбекистан |
Госкомархитектстрой Республики Узбекистан |
3 ВВЕДЕН ВПЕРВЫЕ
4 ВВЕДЕН В ДЕЙСТВИЕ с 1 марта 2003 г. в качестве государственного стандарта Российской Федерации постановлением Госстроя России от 2 сентября 2002 г. № 120.
СОДЕРЖАНИЕ
|
3 Классификация и обозначения. 2 Приложение А. Типовые профили брусчатых и бревенчатых элементов. 10 Приложение Б. Соединения брусчатых и бревенчатых элементов по длине. 11 |
ГОСТ 30974-2002
МЕЖГОСУДАРСТВЕННЫЙ СТАНДАРТ
СОЕДИНЕНИЯ
УГЛОВЫЕ ДЕРЕВЯННЫХ БРУСЧАТЫХ
И БРЕВЕНЧАТЫХ МАЛОЭТАЖНЫХ ЗДАНИЙ
Классификация, конструкции, размеры
CORNER
JOINS OF WOODEN LOW RISE BUILDINGS
OF BARS AND LOGS
Classification, structures, dimensions
Дата введения 2003-03-01
Настоящий стандарт распространяется на угловые и Т-образные соединения брусчатых и бревенчатых стен малоэтажных зданий различного назначения (далее - угловые соединения).
Требования стандарта распространяются на угловые соединения заводского (например, угловые соединения типовых деревянных домов, бань и др.) и построечного изготовления (в том числе при реставрационных работах). В стандарте приведены также конструкции соединений брусьев и бревен по длине.
Требования стандарта являются рекомендуемыми.
Стандарт может быть использован для целей сертификации.
ГОСТ 2292-88 Лесоматериалы круглые. Маркировка, сортировка, транспортирование, методы измерения и приемка
ГОСТ 6782.1-75 Пилопродукция из древесины хвойных пород. Величина усушки
ГОСТ 6782.2-75 Пилопродукция из древесины лиственных пород. Величина усушки
ГОСТ 9462-88 Лесоматериалы круглые лиственных пород. Технические условия
ГОСТ 9463-88 Лесоматериалы круглые хвойных пород. Технические условия
ГОСТ 11047-90 Детали и изделия деревянные для малоэтажных жилых и общественных зданий. Технические условия
ГОСТ 26433.0-85 Система обеспечения точности геометрических параметров в строительстве. Правила выполнения измерений. Общие положения
ГОСТ 26433.1-89 Система обеспечения точности геометрических параметров в строительстве. Правила выполнения измерений. Элементы заводского изготовления
ГОСТ 26433.2-94 Система обеспечения точности геометрических параметров в строительстве. Правила выполнения измерений параметров зданий и сооружений
3.1 Угловые соединения классифицируют по виду соединяемых стеновых элементов, а также по видам и типам конструктивных решений.
3.2 По виду соединяемых стеновых элементов угловые соединения подразделяют на:
соединения круглых лесоматериалов (окоренных бревен) - К;
соединения оцилиндрованных (профилированных) бревен - Ц;
соединения двухкантных брусьев - Б2;
соединения трехкантных брусьев - Б3;
соединения четырехкантных брусьев - Б4.
3.3 По видам конструктивных решений угловые соединения подразделяют на:
соединения с остатком;
соединения без остатка;
соединения встык;
Т-образные соединения стен и простенков.
3.4 По типам конструкций угловые соединения подразделяют на предназначенные:
для бревенчатых стен с соединением с остатком:
- соединение в «чашку» - Ч;
- соединение в «обло» (с замочным пазом) - О;
для бревенчатых и брусчатых стен с соединением без остатка:
- соединение в «лапу» - Л;
для брусчатых стен с соединением «встык»:
- соединение угла на шпонках - ВШ;
- соединение угла с коренным шипом - ВК;
для брусчатых стен с соединением с остатком:
- соединение в «обло» (с замочным пазом) - О;
для Т-образных соединений стен и простенков:
- соединение в «обло» (с замочным пазом) - ТО;
- соединение в «чашку» - ТЧ;
- соединение симметричным трапециевидным шипом - ТСТШ;
- соединение прямоугольным трапециевидным шипом - ТПТШ;
- соединение прямым пазом - ТПП.
3.5 Примеры условного обозначения:
К-Ч 24 ГОСТ 30974-2002 - угловое соединение круглых лесоматериалов в «чашку», толщина бревна - 24 см.
Б4-О 18 ´ 14 ГОСТ 30974-2002 - угловое соединение четырехкантных брусьев в «обло» с размерами по толщине (высоте) - 180 мм, по ширине - 140 мм.
4.1 Конструкции и размеры угловых соединений устанавливают в проектной документации на строительство, а также в конструкторской и технологической документации. Примеры рекомендуемых типов и размеров угловых соединений приведены в таблице 1.
4.2 Примеры основных типовых профилей брусчатых и бревенчатых элементов приведены в приложении А.
Рекомендуемые размеры по толщине (диаметру) бревен - от 14 см и выше. Рекомендуемые размеры брусьев по толщине (высоте) и ширине - от 100 до 260 мм для стен и 80 - 220 мм для простенков с градацией 10 мм.
Венцовые пазы брусьев и профилированных бревен могут иметь гребни, шпунты и канавки (в том числе под уплотнительные прокладки), предназначенные для повышения плотности и воздухонепроницаемости соединений.
Брусья должны иметь фаски или скругления с наружной стороны для отвода дождевой воды. Размер фасок - 20 ´ 20 мм. Для брусьев толщиной менее 180 мм размер фасок допускается принимать 15 ´ 15 мм.
4.3 При назначении размеров сечений брусьев следует учитывать припуски на величину усушки, определяемые в соответствии с ГОСТ 6782.1, ГОСТ 6782.2, и усадки, вызванной уплотнением материалов для заделки швов.
4.4 Размеры толщины бревен принимают по ГОСТ 9463, ГОСТ 9462 с учетом требований ГОСТ 2292. Припуски на величину усушки бревен допускается принимать по размеру их диаметров (за вычетом размера высоты чашечного паза) с учетом требований ГОСТ 6782.1, ГОСТ 6782.2
4.5 Предельные отклонения размеров сечений фрезерованных клееных брусьев не должны превышать
по высоте........................................................................................... ± 1,0 мм,
по ширине......................................................................................... ± 1,5 мм,
другие размеры................................................................................. ± 1,0 мм.
4.6 Геометрические размеры элементов и их соединений определяют с использованием методов, установленных в ГОСТ 26433.0 и ГОСТ 26433.1.
4.7 Угловые и Т-образные соединения брусьев с коренным шипом и на шпонках укрепляют деревянными шкантами (нагелями) диаметром:
- для элементов шириной до 140 мм - (20 - 25) мм,
- для элементов шириной равной и более 140 мм - 30 мм.
Шкант устанавливают в центр углового соединения. Отверстие под шкант должно быть равным диаметру шканта.
Предельные отклонения диаметра шканта - (-0,5) мм.
Предельные отклонения диаметра отверстия - ± 0,5 мм.
Шканты изготавливают из древесины дуба, ясеня, лиственницы, сосны, березы. Влажность древесины шкантов должна быть на 2 - 3 % ниже влажности древесины элементов стен.
4.8 Отклонения от отвесной линии соединений по высоте стены не должны превышать величин, рекомендованных ГОСТ 26433.2. При измерении отклонения от отвесной линии угловых соединений, а также их угловых размеров следует пользоваться правилами измерений по ГОСТ 26433.2 и ГОСТ 26433.1.
4.9 В местах сопряжения элементов следует предусматривать зазоры для установки изоляционных прокладок, компенсирующих изменения линейных размеров элементов стен от их усадки и усушки. В качестве изоляционных прокладок следует применять ленточные эластомерные и полимерные материалы, паклю, пенные утеплители-герметики, а также силиконовые (и аналогичные им) герметики по стандартам и техническим условиям, утвержденным в установленном порядке.
4.10 Нормы ограничения пороков, порода и влажность древесины, требования к защитной обработке и клеевым соединениям, а также другие характеристики элементов стен должны отвечать требованиям ГОСТ 11047, конструкторской документации и условиям договора на поставку.
4.11 Примеры соединений брусчатых и бревенчатых элементов по длине приведены в приложении Б. Соединения по длине могут быть усилены металлическими шиповыми пластинами, пластинами на гвоздях и др. В Т-образных соединениях брусчатых и бревенчатых элементов допускается производить их соединение по длине в месте замка. Соединение, как правило, должно быть невидимым. Сухие бревна и брусья допускается соединять по длине при помощи зубчатого клеевого соединения, размеры которого приводят в конструкторской документации.
4.12 Элементы стен и простенков могут быть соединены по высоте при помощи винтовых тяг (компенсаторов). При этом конструкции тяг и размеры отверстий должны быть указаны в проектной и конструкторской документации.
Таблица 1 - Рекомендуемые типы и размеры угловых соединений
|
Общий вид соединения |
|
|||||
|
Элемент соединения |
|
|||||
|
Соотношение размеров соединения |
b ³ 0,5d; L ³ 1,4d; r = d/2 |
|||||
|
Тип соединения в «лапу» |
||||||
|
Общий вид соединения |
|
|||||
|
Элемент соединения |
|
|||||
|
Схема элемента соединения |
|
|||||
|
Размеры соединений |
Диаметр, см |
Размеры, мм |
||||
|
а |
b |
c |
e |
f |
||
|
14 |
99 |
74 |
49 |
49 |
25 |
|
|
16 |
113 |
85 |
57 |
57 |
28 |
|
|
18 |
127 |
95 |
64 |
64 |
32 |
|
|
20 |
141 |
106 |
71 |
71 |
35 |
|
|
22 |
156 |
117 |
78 |
78 |
39 |
|
|
24 |
170 |
127 |
85 |
85 |
42 |
|
|
26 |
184 |
138 |
92 |
92 |
46 |
|
|
28 |
198 |
148 |
99 |
99 |
49 |
|
|
30 |
212 |
159 |
106 |
106 |
53 |
|
|
32 |
226 |
170 |
113 |
113 |
57 |
|
|
34 |
240 |
180 |
120 |
120 |
60 |
|
|
36 |
255 |
191 |
127 |
127 |
64 |
|
|
Тип соединения на прямоугольных шпонках |
||||||
|
Общий вид соединения |
|
|||||
|
Элементы соединения |
|
|||||
|
Соотношение размеров соединения |
b = 0,2S; а = 0,8b |
|||||
|
Тип соединения на шпонках «ласточкин хвост» |
||||||
|
Общий вид соединения |
|
|||||
|
Элементы соединения |
|
|||||
|
Соотношение размеров соединения |
b = 0,3S (но не менее 20 мм) |
|||||
|
Тип соединения с коренным шипом |
||||||
|
Общий вид соединения |
|
|||||
|
Элементы соединения |
|
|||||
|
Соотношение размеров соединения |
b = 0,2S; а = 0,8b; d1 = d ¸ (d - 1,0); L = 1,8 толщины бруса |
|||||
|
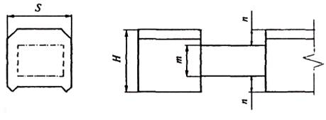
Тип соединения в односторонний замочный паз (в «обло») |
||||||
|
Общий вид соединения |
|
|||||
|
Элемент соединения |
|
|||||
|
Размеры, мм |
т = 0,5H; п = 0,7H |
|||||
|
Тип соединения в двухсторонний замочный паз (в «обло») |
||||||
|
Общий вид соединения |
|
|||||
|
Элемент соединения |
|
|||||
|
Соотношение размеров соединения |
т = 0,5H; п = 0,25H |
|||||
|
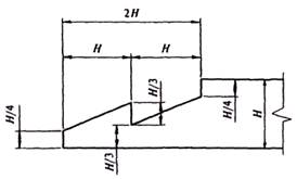
Тип соединения в четырехсторонний замочный паз (в «обло») |
||||||
|
Общий вид соединения |
|
|||||
|
Элемент соединения |
|
|||||
|
Соотношение размеров соединения |
т = 0,5H; п = 0,25H |
|||||
|
Тип соединения в четырехсторонний замочный паз (в «обло») |
||||||
|
Общий вид соединения |
|
|||||
|
Элемент соединения |
|
|||||
|
Размеры |
т = 0,5S; п = 0,1S; R = S/2 - 2n |
|||||
|
Тип соединения симметричным трапециевидным шипом (открытым «сковороднем») |
||||||
|
Общий вид соединения |
|
|||||
|
Элементы соединения |
|
|||||
|
Соотношение размеров соединения |
|
|||||
|
Тип соединения прямоугольным трапециевидным шипом (открытым «полусковороднем») |
||||||
|
Общий вид соединения |
|
|||||
|
Элементы соединения |
|
|||||
|
Соотношение размеров соединения |
|
|||||
|
Тип соединения симметричным трапециевидным шипом (глухим «сковороднем») |
||||||
|
Общий вид соединения |
|
|||||
|
Элементы соединения |
|
|||||
|
Соотношение размеров соединения |
S1 = S - d/4 |
|||||
|
Тип соединения прямоугольным трапециевидным шипом (глухим «полусковороднем») |
||||||
|
Общий вид соединения |
|
|||||
|
Элементы соединения |
|
|||||
|
Соотношение размеров соединения |
S1 = S - d/8 |
|||||

а - простой цилиндрический венцовый паз; б - трапецеидальный венцовый паз, в - трапецеидальный венцовый паз с канавкой для плоского уплотнителя; г - простой цилиндрический венцовый паз с канавками для уплотнителя; д - трапецеидальный венцовый паз с канавками для уплотнителя; е, ж - трапецеидальный венцовый паз с соединением «шпунт-гребень»; з - простой цилиндрический венцовый паз для эллиптического бревна из клееной древесины
Рисунок А.1 - Типовые профили бревенчатых элементов с различными вариантами венцовых пазов

а - трапецеидальный венцовый паз, б - трапецеидальный венцовый паз с канавками для уплотнителя, в - соединение «шпунт-гребень» с пазом для плоского уплотнителя, г - трапецеидальный венцовый паз с уплотнителем в виде сминаемых треугольных гребней древесины, д, е - то же, для клееных брусьев
Рисунок А.2 - Типовые профили брусчатых элементов с различными вариантами венцовых пазов
Таблица Б.1
|
Тип продольного соединения с коренным шипом |
|
|
Общий вид соединения |
|
|
Элементы соединения |
|
|
Соотношение размеров соединения |
а = 0,25S, b = 1,2a |
|
Тип продольного соединения на шпонках |
|
|
Общий вид соединения |
|
|
Элементы соединения |
|
|
Соотношение размеров соединения |
а = 0,25S; b = 1,2а |
|
Тип продольного соединения «в полдерева» |
|
|
Общий вид соединения |
|
|
Элементы соединения |
|
|
Соотношение размеров соединения |
|
|
Тип продольного соединения «на косой замок» |
|
|
Общий вид соединения |
|
|
Элементы соединения |
|
|
Соотношение размеров соединения |
|
Настоящий стандарт разработан рабочей группой специалистов в составе:
Г.Д. Кирюхин, ООО «ЛЕСКОНТ» (руководитель);
Н.В. Шведов, Госстрой России;
В.В. Кислый, МП «Дом»;
М.В. Лившиц, «Global Edge»;
М.Ю. Анкирский, «Global Edge»;
А. Раутайнен, «VTT building and transport»;
М.Ю. Опочинский, ЗСК «ИНКОН»;
С.Г. Каратаев, ЗСК «ИНКОН»;
А.В. Ткаченко, ООО «Эколеспром»;
Д.Н. Шведов, Центр по сертификации оконной и дверной техники;
И.Н. Медведев, НИУПЦ «Межрегиональный институт окна»
Ключевые слова: угловые соединения, брусья, бревна, малоэтажные здания