Unified system of technological documentation. Forms and rules for filling in documentats for special use. Technological registers

ГОСТ 3.1122-84

МЕЖГОСУДАРСТВЕННЫЙ СТАНДАРТ

ЕДИНАЯ СИСТЕМА ТЕХНОЛОГИЧЕСКОЙ ДОКУМЕНТАЦИИ

ФОРМЫ И ПРАВИЛА
ОФОРМЛЕНИЯ ДОКУМЕНТОВ
СПЕЦИАЛЬНОГО НАЗНАЧЕНИЯ

ВЕДОМОСТИ ТЕХНОЛОГИЧЕСКИЕ

Москва
Стандартинформ
2012

МЕЖГОСУДАРСТВЕННЫЙ СТАНДАРТ

Единая система технологической документации

ФОРМЫ И ПРАВИЛА ОФОРМЛЕНИЯ ДОКУМЕНТОВ
СПЕЦИАЛЬНОГО НАЗНАЧЕНИЯ

Ведомости технологические

Unified system of technological documentation.

Forms and rules for filling in documents for special use.

Technological registers

ГОСТ
3.1122-84

Взамен

ГОСТ 3.1105-74
в части разд. 5 и 6,
ГОСТ 3.1110-75
в части разд. 4 и 5,
ГОСТ 3.1106-74,
ГОСТ 3.1112-77

Переиздание. Февраль 2012 г.

Постановлением Государственного комитета СССР по стандартам от 29 октября 1984 г. № 3776 дата введения установлена

01.01.86

Настоящий стандарт устанавливает формы и правила оформления следующих ведомостей специального назначения, применяемых в условиях технологической подготовки и управления производством и разрабатываемых с применением различных методов проектирования:

- ведомости применяемости деталей (сборочных единиц) в изделии (ВП/ДСЕ);

- ведомости технологических маршрутов (ВТМ);

- технологической ведомости (ТВ);

- ведомости оборудования (ВОБ);

- ведомости оснастки (ВО);

- ведомости технологических документов (ВТД);

- ведомости держателей подлинников (ВДП).

Необходимость применения документов указанных видов устанавливается отраслевыми нормативно-техническими документами (НТД) или НТД предприятия (организации).

1. ОБЩИЕ ПРАВИЛА ОФОРМЛЕНИЯ

1.1. Оформление форм, бланков и документов - по ГОСТ 3.1129-93 и ГОСТ 3.1130-93.

1.2. При заполнении форм документов используют способ, при котором информацию вносят построчно несколькими типами строк. Каждому типу строки соответствует свой служебный символ.

1.3. Указание соответствующих служебных символов для типов строк, в зависимости от размещаемого состава информации, в графах форм документов следует выполнять согласно табл. 1.

Таблица 1

Обозначение служебного символа

Содержание информации, вносимой в графы, расположенные на строке

С

Обозначение детали (сборочной единицы) по конструкторскому документу, ее наименование и код принадлежности

П

Единица величины, единица нормирования, количество деталей (сборочных единиц) одного обозначения в сборке, количество деталей (сборочных единиц) одного обозначения в изделии, обозначение сборочной единицы или изделия куда входит деталь (сборочная единица), ступень вхождения

И

Обозначение технологического кода, обозначение технологических документов

Ш

Информация о технологическом маршруте изготовления (ремонта) детали (сборочной единицы)

Т

Информация о применяемой при выполнении операции технологической оснастке

В

Номер цеха, участка, рабочего места, где выполняется операция, номер операции, код и наименование операции

Д

Код, наименование оборудования

X

Информация о технической характеристике оборудования, о предприятии (организации) изготовителе и о стоимости оборудования

Ф

Обозначение и наименование комплекта технологических документов и общее количество листов в комплекте документов

Г

Обозначение технологического документа, его условное обозначение, порядковый номер листа документа, в котором содержится информация о детали (сборочной единице) и общее количество листов в документе

1.4. При разработке технологических ведомостей на изделие (сборочную единицу) порядок записи данных по сборочным единицам и деталям следует выполнять в соответствии с конструкторской спецификацией по ГОСТ 2.106-96 и по ГОСТ 2.113-75.

Допускается порядок записи информации в технологических ведомостях устанавливать в соответствии с требованиями отраслевых НТД.

2. ФОРМЫ И ПРАВИЛА ОФОРМЛЕНИЯ ВЕДОМОСТИ ПРИМЕНЯЕМОСТИ

2.1. Формы 1 и ведомости применяемости являются унифицированными, и их возможно использовать для разработки документов следующих видов:

- ведомости применяемости деталей (сборочных единиц) в изделии;

- ведомости применяемости стандартных, покупных, оригинальных деталей и сборочных единиц в изделии (ВП/СОП);

- ведомости сборки изделия (ВП/ВСИ);

- ведомости технологических маршрутов;

- технологической ведомости.

2.2. Условное обозначение вида документа, проставляемое в графе 28 блока 6 основной надписи по ГОСТ 3.1103-82*, формируется следующим образом: к условному обозначению ведомости применяемости, выполненному типографским способом, через дробь следует записать условное обозначение разрабатываемого документа, например для ведомости применяемости деталей (сборочных единиц) в изделии - ВП/ДСЕ, для технологической ведомости - ВП/ТВ и т.д.

________

* С 1 января 2012 г. действует ГОСТ 3.1103-2011 (здесь и далее).

2.3. ВП/ДСЕ следует применять на одном из первых этапов технологической подготовки производства для решения задач по применению деталей, сборочных единиц в изделии.

2.4. Для разработки ВП/ДСЕ следует применять строки, имеющие служебные символы С и П.

2.5. В целях исключения дублирования информации при указании применяемости деталей, последовательно входящих в сборочную единицу одного обозначения, запись данных рекомендуется выполнять в следующем порядке: в графе «Обозначение ДСЕ» указать обозначение сборочной единицы, затем, применяя строки, имеющие служебные символы С и П, записать информацию о деталях, входящих в данную сборочную единицу. В этом случае графу «Куда входит» не заполняют.

2.6. При указании применяемости деталей, входящих в разные сборочные единицы, запись данных следует выполнять в соответствии с правилами оформления данной формы по настоящему стандарту.

2.7. ВП/СОП составляют отдельно на стандартные, оригинальные и покупные детали (сборочные единицы). Оформление ВП/СОП следует выполнять аналогично ВП/ДСЕ.

2.8. ВП/ВСИ применяют при разработке технологических процессов и операций сборки разъемных и неразъемных соединений для указания составных частей изделия в порядке их технологической ступени вхождения. При оформлении ВП/ВСИ следует применять строки, имеющие служебные символы С и П.

2.9. Для разработки ВТМ следует применять строки, имеющие служебные символы С и Ш. ВТМ рекомендуется разрабатывать в серийном (массовом) производстве.

Данные в ВТМ следует записывать в следующем порядке:

- сборочные единицы;

- детали;

- материалы;

- комплекты.

2.10. ТВ следует применять на первых этапах технологической подготовки производства для решения задач по группированию деталей по конструкторским и технологическим признакам с последующим отнесением их к соответствующим обозначениям комплектов документов действующих типовых (групповых) технологических процессов.

Примечания:

1. ТВ может исключить разработку ВП/ДСЕ и ВТМ.

2. В случае применения на предприятии (организации) только одного из перечисленных видов документов, допускается для его разработки использовать соответствующие этому документу типы строк, исключив остальные, а в графе 28 блока 6 основной надписи проставлять условное обозначение разрабатываемого документа. Например, для разработки ВТМ используют строки, имеющие служебные символы С и Ш, проставляя при этом условное обозначение ВТМ.

2.11. Для разработки ТВ следует применять строки, имеющие служебные символы С, П, И и Ш.

2.12. Графы унифицированной формы ведомости применяемости следует заполнять в соответствии с табл. 2.

2.13. Примеры заполнения ВП/ДСЕ, ВП/ТВ, ВП/ВТМ приведены в приложении.

Таблица 2

Номер графы

Размер графы

Наименование (условное обозначение) графы

Содержание графы

мм

кол. знаков

1

13,0

5

-

Обозначение служебного символа и порядковый номер строки. Запись следует выполнять в одну строку

2

10,4

4

НПП

Номер по порядку

3

59,8

23

Обозначение ДСЕ

Обозначение детали, сборочной единицы или комплекта по конструкторскому документу или обозначение материала

4

67,6

26

Наименование ДСЕ

Наименование детали, сборочной единицы, комплекта или материала. Допускается графу не заполнять

5

15,6

6

КП

Код принадлежности детали, сборочной единицы, например стандартизованных, покупных и т.п. по соответствующим НТД, применяемым в отрасли или на предприятии (организации). Графу следует заполнять только для ТВ

6

10,4

4

ЕВ

Код единицы величины детали, материала по классификатору СОЕИ. Допускается указывать единицы измерения величины

7

15,6

6

ЕН

Единица нормирования, на которую установлена норма расхода материала или норма времени, например 1, 10, 100

8

20,8

8

КСЕ

Количество деталей одного обозначения, входящих в сборочную единицу

9

23,4

9

КИ

Количество деталей или сборочных единиц одного обозначения, входящих в изделие

10

67,6

26

Куда входит

Обозначение сборочной единицы или изделия, куда входит деталь, сборочная единица

11

15,6

6

СВ

Номер ступени вхождения. Графу следует заполнять только для ВП/ДСЕ и ВП/ВСИ. Допускается графу не заполнять

12

70,2

27

Обозначение по ТКД

Технологический код детали по технологическому классификатору деталей (ТКД)

13

83,2

32

Обозначение ТД

Обозначение технологического документа по ГОСТ 3.1201-85

14

153,4

59

Маршрут

Перечень условных обозначений структурных подразделений конкретной организации (предприятия) специализированного по технологическим методам изготовления (ремонта) изделия (составной части изделия), материалов, комплектов в технологической последовательности участия и в соответствии с выбранным маршрутом.

Примечания:

1. Условное обозначение структурных подразделений следует применять в соответствии с порядком, установленным в отрасли (организации, предприятии).

2. В состав структурного обозначения допускается вводить: номер цеха, номер участка, номер рабочего места. Например,

3. Данные в графе следует указывать через разделительный знак «;»

15

15,6

6

Графа для особых указаний. Порядок заполнения графы и обязательность заполнения устанавливается отраслевыми НТД

3. ФОРМЫ И ПРАВИЛА ОФОРМЛЕНИЯ ВЕДОМОСТИ ОСНАСТКИ
И ВЕДОМОСТИ ОБОРУДОВАНИЯ

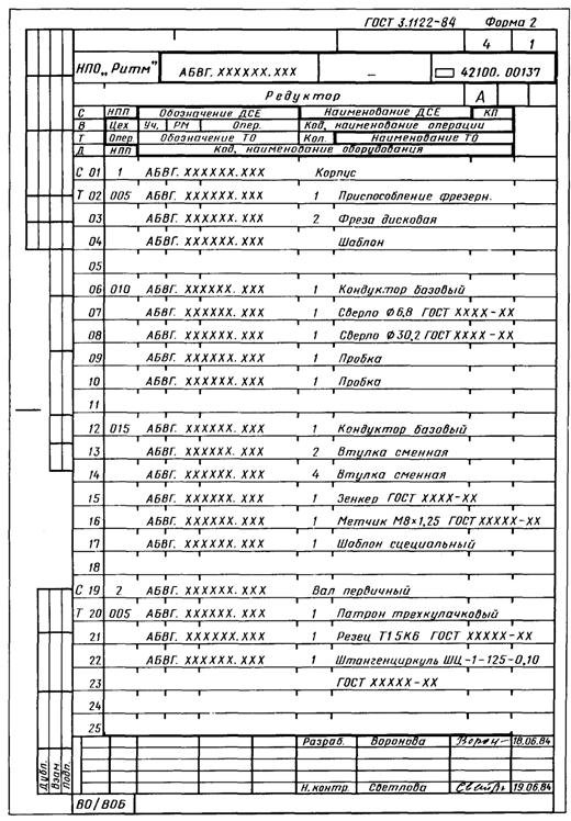
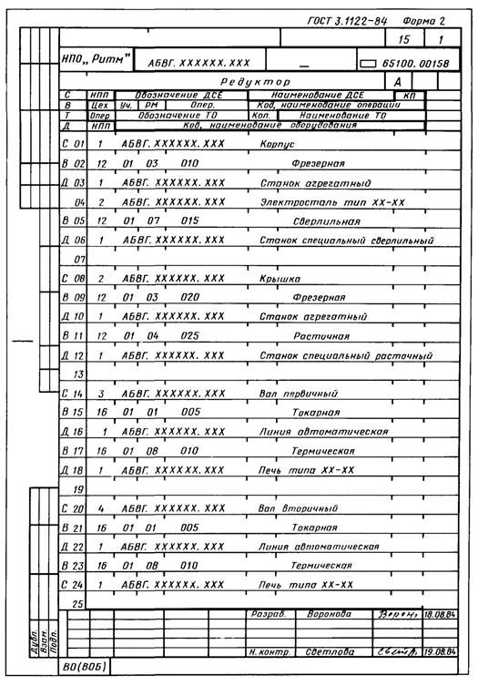
3.1. Формы 2 и являются унифицированными, и их возможно использовать для разработки ведомости оснастки и ведомости оборудования, при этом в графе 28 блока 6 основной надписи следует проставлять условное обозначение, ВО и ВОБ, заключив ВОБ в скобки. Условное обозначение разрабатываемого документа необходимо подчеркнуть. В случае применения на предприятии (организации) документа только одного вида условное обозначение его следует проставлять аналогично требованиям, изложенным в п. 2.10, примечание 2.

3.2. Для разработки ВО следует применять формы 2 и , имеющие вертикальное расположение поля подшивки, или 3 и , имеющие горизонтальное расположение поля подшивки.

3.3. ВО следует разрабатывать к комплекту документов на технологический процесс изготовления (ремонта) изделия (составной части изделия), используя строку, имеющую служебный символ Т. Допускается разрабатывать ВО на изделие, используя строки, имеющие служебные символы С и Т.

3.4. При разработке ВО на технологический процесс информацию о применяемой технологической оснастке следует указывать в соответствии с ГОСТ 3.1118-82.

Информацию о технологической оснастке и средствах защиты, обеспечивающих выполнение требований безопасности, следует указывать в соответствии с ГОСТ 3.1120-83.

3.5. При разработке ВО на изделие данные следует записывать в следующем порядке: сборочные единицы, детали.

3.6. При разработке ВО и необходимости указания кода рабочего места и кода операции следует использовать тип строки, имеющей служебный символ В; тогда графу «Номер операции» в строке, имеющей служебный символ Т, не заполняют.

3.7. Взамен формы ВО допускается использовать формы 2 и 4 МК по ГОСТ 3.1118-82, используя для этого строку, имеющую служебный символ Т. Условное обозначение документа такого вида будет МК/ВО. При разработке МК/ВО допускается:

- указывать информацию «Номер цеха, участка, рабочего места и операции» совместно с данными по технологической оснастке;

- указывать постоянную информацию, характерную для всего технологического процесса, один раз с привязкой к первой операции, например, «Номер цеха», «Номер участка»;

- проставлять служебный символ Т на первой строке, где указан «Номер операции», не заполняя эту графу на последующих строках;

- указывать информацию о технологической оснастке в начале документа без привязки к номеру операции, если она является общей для всех операций, например средства индивидуальной защиты, средства измерения и т.п.;

- отделять для наглядности, информацию «Номер цеха, участка, рабочего места и операции» от информации о технологической оснастке разделительной вертикальной линией при рукописном способе заполнения или любым разделительным символом при машинописном способе заполнения документа, например «:»;

- записывать информацию о технологической оснастке, общую для нескольких операций, один раз в первой операции с указанием в скобках номеров последующих операций, например АБВГ ХХХХХХ.ХХХ (015, 025, 040) - кондуктор.

3.8. Для разработки ВОБ следует применять формы 2 и , с использованием строк, имеющих служебные символы С, В, Д и X.

3.9. ВОБ рекомендуется применять для учета применяемости оборудования на изделие (составную часть изделия). При необходимости указания информации о технической характеристике оборудования, о предприятии (организации) изготовителе, о стоимости и т.д., ее следует записывать с новой строки с использованием служебного символа X. Запись информации следует выполнять по всей длине строки с возможностью переноса ее на последующие строки. Порядок записи данных устанавливается отраслевыми НТД.

3.10. Для разработки ВОБ допускается применять формы 2 или 4 МК по ГОСТ 3.1118-82, при этом информацию о технологическом оборудовании, общую для нескольких операций, допускается записывать один раз в первой операции с указанием в скобках номеров последующих операций, например АБВГ ХХХХХХ.ХХХ (040, 045, 055) - 1к62 токарно-винторезный станок. Порядок заполнения МК/ВОБ устанавливается отраслевыми НТД или НТД предприятия (организации).

3.11. Графы форм 2 и , 3 и следует заполнять в соответствии с табл. 3.

3.12. При передаче ВО на микрофильмирование в ней следует выполнять специальную отметку той технологической оснастки, документация которой подлежит микрофильмированию. Специальную отметку выполняют, обводя графу «Обозначение ТО» утолщенной линией.

3.13. В случае разработки ВОБ специальную отметку для микрофильмирования выполняют, заключив графу «НПП» в квадрат утолщенной линией.

3.14. Примеры заполнения ВО (ВОБ) приведены в приложении.

4. ФОРМЫ И ПРАВИЛА ОФОРМЛЕНИЯ ВЕДОМОСТИ ТЕХНОЛОГИЧЕСКИХ
ДОКУМЕНТОВ И ВЕДОМОСТИ ДЕРЖАТЕЛЕЙ ПОДЛИННИКОВ

4.1. Формы 4, и 5, являются унифицированными, и их возможно использовать для разработки ведомости технологических документов и ведомости держателей подлинников. Условное обозначение вида документа в этом случае следует проставлять аналогично требованиям, изложенным в п. 3.1.

4.2. Графы унифицированных форм следует заполнять в соответствии с табл. 4.

Таблица 3

Номер графы

Размер графы

Наименование (условное обозначение) графы

Содержание графы

мм

кол. знаков

1

13,0

5

-

Следует заполнять так же, как соответствующие графы формы 1

2

13,0

5

3

59,8

23

4

65,0

25

184,6**

71**

5

15,6

6

6

13,0

5

Цех

Номер цеха, в котором применяется данная технологическая оснастка, оборудование

7

10,4

4

Уч.

Номер участка, на котором применяется данная технологическая оснастка, оборудование

8

10,4

4

РМ

Номер рабочего места, на котором применяется данная технологическая оснастка, оборудование

9

39,0

13,0*

15

5*

Опер.

Номер операции, на которой применяется данная технологическая оснастка

10

80,6

31

Код, наименование операции

Код операции по технологическому классификатору операций (ТКО), наименование операции.

Допускается код операции не указывать

11

59,8

23

Обозначение ТО

Код (обозначение) технологической оснастки

12

10,4

4

Кол.

Количество технологической оснастки одного обозначения, применяемой на операции

13

70,2

189,8**

27

73**

Наименование ТО

Наименование технологической оснастки

14

140,4

54

Код, наименование оборудования

Код оборудования по классификатору, краткое наименование оборудования, его инвентарный номер.

Информацию следует указывать через разделительный знак «;».

Допускается взамен краткого наименования оборудования указывать его модель.

Допускается не указывать код оборудования и инвентарный номер

15

15,6

6

-

Графа для особых указаний. Порядок заполнения графы и обязательность заполнения устанавливаются отраслевыми НТД

________

* Для строки, имеющей служебный символ Т.

** Для форм 3 и .

4.3. В табл. 2 - 4 размеры граф даны исходя из шага печатающих устройств 2,6 мм.

В графе «Кол. знаков» указано число знаков, соответствующих ширине данной графы. Максимальное количество знаков вносимой информации на один знак меньше.

Для документов, заполняемых рукописным способом, размеры граф допускается округлять до ближайшего целого числа.

4.4. ВТД и ВДП в общем случае должны состоять из разделов, расположенных в следующем порядке:

- изделие;

- сборочные единицы;

- детали;

- материалы;

- комплекты.

Таблица 4

Номер графы

Размер графы

Наименование (условное обозначение) графы

Содержание графы

мм

кол. знаков

1

13,0

5

-

Следует заполнять так же, как соответствующие графы формы 1

2

10,4

4

3

59,8

23

Обозначение ДСЕ

Обозначение сборочной единицы, детали, комплекта по конструкторскому документу или обозначение материала.

В разделе «Изделие» графу не заполняют

4

67,6

187,2*

26

72*

-

Следует заполнять так же, как соответствующие графы формы 1

5

15,6

6

-

6

59,8

23

Обозначение комплекта ТД

Обозначение комплекта технологических документов по ГОСТ 3.1201-85

7

67,2

187,2*

26

72*

Наименование комплекта ТД

Наименование комплекта технологических документов

8

15,6

6

Листов

Общее количество листов в комплекте документов

9

46,8

70,2*

18

27

Обозначение ТД

Обозначение технологического документа по ГОСТ 3.1201-85. В разделах «Сборочные единицы», «Детали», «Комплекты» и «Материалы» - обозначение технологических документов на перечисляемые в этих разделах составные части изделия и материалы

10

23,4

9

Услов. обозн.

Условное обозначение вида документа по ГОСТ 3.1102-81**

11

15,6

6

Лист

Порядковый номер листа документа, в котором содержится информация о детали или сборочной единице

12

15,6

6

Листов

Общее количество листов документа

13

52,0

20

Примечание

Графы для дополнительных сведений, порядок заполнения которых устанавливается отраслевыми НТД

148,2*

57

14

182,0

70

15

15,6

6

-

Следует заполнять так же, как соответствующую графы формы 1

________

* Для форм 5 и .

** С 1 января 2012 г. действует ГОСТ 3.1102-2011 (здесь и далее).

Наличие тех или иных разделов определяется составом комплекта (комплектов) документов, необходимых для изготовления (ремонта) изделия (составных частей изделия) или для микрофильмирования документов на изделие в целом или его составных частей. Выбор и определение соответствующего комплекта (комплектов) документов устанавливается в каждом случае разработчиком документов исходя из решаемых задач. Наименование каждого раздела указывают в графе «Наименование ДСЕ».

4.4.1. В разделе «Изделие» перечисляют комплекты ТД на изготовление (ремонт) изделия в целом, например на сборку, испытание, упаковку и т.д. и сводные документы на изделие - ВМ, ВО, ВОБ, ВП и другие сводные документы по ГОСТ 3.1102-81.

4.4.2. В разделах «Сборочные единицы» и «Детали» перечисляют комплекты ТД или отдельные документы, применяемые при изготовлении (ремонте) сборочных единиц, деталей.

4.4.3. В разделе «Материалы» перечисляют комплекты ТД или отдельные документы на процессы приготовления (обработки) материалов, в том числе и для технологических деталей, образцов-свидетелей, приготовление компаундов, смол, клеев, и т.д.

4.4.4. В разделе «Комплекты» перечисляют комплекты ТД или отдельные документы, применяемые при изготовлении комплектов.

4.5. Порядок записи обозначений комплектов ТД внутри каждого раздела устанавливается разработчиком документов в зависимости от очередности выполнения технологических действий.

4.6. Для разработки ВТД следует применять типы строк, имеющие служебные символы С, Ф и Г.

Допускается:

- не заполнять графы 2, 13 и 15;

- переносить информацию, содержащуюся в графах 4 и 7, на последующую строку (последующие строки) при невозможности записи ее в данных графах. Запись информации на последующих строках следует выполнять по всей длине строки без указания соответствующего служебного символа.

4.7. В целях оптимизации записи информации в ВТД допускается указывать только обозначения следующих основных документов, входящих в комплекты документов на технологические процессы: титульного листа (при его наличии), маршрутной карты или карты технологического процесса (карты типового технологического процесса).

Проверку комплектности документов на каждый технологический процесс в этом случае следует выполнять по МК или КТП (КТТП).

4.8. При разработке типовых (групповых) технологических процессов (операций) допускается применение ВТД для указания перечня изделий (составных частей изделий) с указанием состава применяемых документов и нумерацией страниц. В этом случае для разработки ВТД следует применять формы 4 и с использованием строк, имеющих служебные символы С и Г.

4.8.1. Порядок записи информации в ВТД по изделиям (составным частям изделий) устанавливает разработчик документов в зависимости от очередности входимости их в соответствующий ТТП (ГТП) или ТО (ГО).

4.8.2. При разработке ТТП (ГТП) или ТО (ГО) на большую номенклатуру деталей, сборочных единиц в целях улучшения поиска информации рекомендуется оформлять ВТД на каждое изделие.

4.9. Для разработчика ВДП следует применять типы строк, имеющие служебные символы С, Ф и Г, и соблюдать следующие особенности оформления:

- в графе «Обозначение комплекта ТД» сначала указывают обозначения комплектов технологических документов, подлинники которых хранятся на предприятии (организации) - разработчике ВДП. При наличии ВТД в ВДП следует указывать ее обозначение без перечисления входящих в ВТД документов, а в ВТД выполнять специальную отметку для документов, подлежащих микрофильмированию, заключив графу «НПП» в квадрат с утолщенной линией на строке, имеющей служебный символ Ф. Далее, при необходимости, указывают обозначения технологических документов (комплектов ТД), подлинники которых хранятся на других предприятиях (организациях). Комплекты технологических документов группируют по предприятиям (организациям) - держателям подлинников. Порядок группирования документов и запись соответствующей информации в ВДП устанавливаются в соответствии с требованиями отраслевых НТД;

- в графе «Листов» указывают количество листов в комплекте на день составления ВДП, приведенных к формату А4. Графу заполняют только для документов, подлинники которых хранятся на предприятии - держателе подлинников изделия, на которое составляется ВДП. Последующее изменение количества листов в ВДП не вносят;

- в графе «Примечание» указывают, при необходимости, ведомственную принадлежность и наименование предприятия (организации) - держателя подлинников в установленном порядке, а также дополнительные сведения.

4.10. Примеры заполнения ВТД (ВДП) приведены в приложении.

УНИФИЦИРОВАННАЯ ФОРМА ВЕДОМОСТИ ПРИМЕНЯЕМОСТИ

(первый или заглавный лист)

УНИФИЦИРОВАННАЯ ФОРМА ВЕДОМОСТИ ПРИМЕНЯЕМОСТИ

(последующие листы)

УНИФИЦИРОВАННАЯ ФОРМА ВЕДОМОСТИ ОСНАСТКИ
И ВЕДОМОСТИ ОБОРУДОВАНИЯ

(первый или заглавный лист)

УНИФИЦИРОВАННАЯ ФОРМА ВЕДОМОСТИ ОСНАСТКИ
И ВЕДОМОСТИ ОБОРУДОВАНИЯ

(последующие листы)


ВЕДОМОСТЬ ОСНАСТКИ

(первый или заглавный лист)

ВЕДОМОСТЬ ОСНАСТКИ

(последующие листы)


УНИФИЦИРОВАННАЯ ФОРМА ВЕДОМОСТИ ТЕХНОЛОГИЧЕСКИХ
ДОКУМЕНТОВ И ВЕДОМОСТИ ДЕРЖАТЕЛЕЙ ПОДЛИННИКОВ

(первый или заглавный лист)

УНИФИЦИРОВАННАЯ ФОРМА ВЕДОМОСТИ ТЕХНОЛОГИЧЕСКИХ
ДОКУМЕНТОВ И ВЕДОМОСТИ ДЕРЖАТЕЛЕЙ ПОДЛИННИКОВ

(последующие листы)


УНИФИЦИРОВАННАЯ ФОРМА ВЕДОМОСТИ ТЕХНОЛОГИЧЕСКИХ ДОКУМЕНТОВ И ВЕДОМОСТИ
ДЕРЖАТЕЛЕЙ ПОДЛИННИКОВ

(первый или заглавный лист)

УНИФИЦИРОВАННАЯ ФОРМА ВЕДОМОСТИ ТЕХНОЛОГИЧЕСКИХ ДОКУМЕНТОВ И ВЕДОМОСТИ
ДЕРЖАТЕЛЕЙ ПОДЛИННИКОВ

(последующие листы)


ПРИЛОЖЕНИЕ
Рекомендуемое

ПРИМЕРЫ ОФОРМЛЕНИЯ УНИФИЦИРОВАННЫХ ФОРМ