Periclasechromite refractories products for the steelmelting furnace roofs. Specifications

ГОСТ 10888-93

(ИСО 5019-1-84, ИСО 5019-2-84,

ИСО 5019-5-84)

МЕЖГОСУДАРСТВЕННЫЙ СТАНДАРТ

ИЗДЕЛИЯ ВЫСОКООГНЕУПОРНЫЕ
ПЕРИКЛАЗОХРОМИТОВЫЕ ДЛЯ КЛАДКИ
СВОДОВ СТАЛЕПЛАВИЛЬНЫХ ПЕЧЕЙ

Технические условия

МЕЖГОСУДАРСТВЕННЫЙ СОВЕТ
ПО СТАНДАРТИЗАЦИИ, МЕТРОЛОГИИ И СЕРТИФИКАЦИИ
Минск

Предисловие

1 РАЗРАБОТАН Техническим комитетом «Огнеупоры Украины»

ВНЕСЕН Государственным комитетом Украины по стандартизации, метрологии и сертификации

2 ПРИНЯТ Межгосударственным советом по стандартизации, метрологии и сертификации 17 февраля 1993 г.

За принятие проголосовали:

Наименование государства

Наименование национального органа по стандартизации

Азербайджанская Республика

Азгосстандарт

Республика Армения

Армгосстандарт

Республика Белоруссия

Госстандарт Белоруссии

Грузия

Грузстандарт

Республика Казахстан

Госстандарт Республики Казахстан

Киргизская Республика

Киргизстандарт

Республика Молдова

Молдовастандарт

Российская Федерация

Госстандарт России

Республика Узбекистан

Узгосстандарт

Украина

Госстандарт Украины

3 Стандарт соответствует международному стандарту ИСО 5019-1-84, ИСО 5019-2-84, ИСО 5019-5-84 в части размеров огнеупорных изделий

4 Постановлением Государственного комитета Российской Федерации по стандартизации, метрологии и сертификации от 21 января 1997 г. № 186 межгосударственный стандарт ГОСТ 10888-93 введен в действие непосредственно в качестве государственного стандарта Российской Федерации с 1 января 1998 г.

5 ВЗАМЕН ГОСТ 10888-76

6 ПЕРЕИЗДАНИЕ

ГОСТ 10888-93
(ИСО 5019-1-84, ИСО 5019-2-84,
ИСО 5019-5-84)

МЕЖГОСУДАРСТВЕННЫЙ СТАНДАРТ

ИЗДЕЛИЯ ВЫСОКООГНЕУПОРНЫЕ
ПЕРИКЛАЗОХРОМИТОВЫЕ ДЛЯ КЛАДКИ СВОДОВ
СТАЛЕПЛАВИЛЬНЫХ ПЕЧЕЙ

Технические условия

Periclasechromite refractories for the steelmelting furnace roofs. Specifications

Дата введения - 1998-01-01

Настоящий стандарт распространяется на высокоогнеупорные обожженные периклазохромитовые изделия, предназначенные для кладки сводов мартеновских, двухванных и электросталеплавильных печей.

1 Марки

1.1 Высокоогнеупорные обожженные периклазохромитовые изделия в зависимости от физико-химических свойств подразделяются на марки, указанные в таблице 1.

1.2 При применении изделий допускается взаимозаменяемость марок.

Таблица 1

Марка

Характеристика

Применение

ПХСП

Периклазохромитовые сводовые плотные

Своды плавильного пространства двухванных, мартеновских печей вместимостью 850 - 900 т, работающих с повышенной удельной интенсивностью продувки ванны кислородом (8 - 12 м3/(т ∙ ч)), с умеренной удельной интенсивностью продувки ванны кислородом (5 - 7 м3/(т ∙ ч)), и электросталеплавильных печей вместимостью 50 т и более

ПХСУТ

Периклазохромитовые сводовые уплотненные термостойкие

ПХСУ

Периклазохромитовые сводовые уплотненные

Своды плавильного пространства мартеновских печей вместимостью 200 - 300 т, работающих с повышенной удельной интенсивностью продувки ванны кислородом (11 - 20 м3/(т ч)), мартеновских печей вместимостью 400 - 650 т, работающих с умеренной удельной интенсивностью продувки ванны кислородом (5 - 10 м3/(т ∙ ч)), электросталеплавильных печей вместимостью менее 50 т

ПХСС

Периклазохромитовые сводовые среднеплотные

Своды плавильного пространства мартеновских печей вместимостью 200 - 300 т, работающих с умеренной удельной интенсивностью продувки ванны кислородом (7 - 10 м3/(т ч))

ПХССТ

Периклазохромитовые сводовые среднеплотные термостойкие

Своды плавильного пространства мартеновских печей, работающих без продувки ванны кислородом, а также своды головок пглаковиков и регенераторов

2 Форма и размеры

2.1 Форма и размеры изделий должны соответствовать требованиям, указанным на рисунках 1 - 7, в таблицах 2 - 8 и приложениях 1, 2, 3.

Рисунок 1 - Кирпич прямой

Таблица 2

Номер изделия

L

B

S

мм

1

230

115

65

2

300

150

75

3

380

150

75

4

380

150

90

5

460

150

75

6

460

150

90

7

520

150

75

8

520

150

90

Рисунок 2 - Клин торцевой двухсторонний

Таблица 3

Номер изделия

L

B

S

S1

Номер изделия

L

B

S

S1

мм

мм

9

230

115

65

45

18

380

150

90

78

10

230

115

65

55

19

380

150

90

83

11

300

150

75

68

20

460

150

65

50

12

300

150

85

68

21

460

150

77

71

13

300

150

85

75

22

460

150

79

68

14

380

150

77

68

23

460

150

83

75

15

380

150

77

72

24

460

150

90

78

16

380

150

82

66

25

460

150

90

83

17

380

150

85

75

26

520

150

79

70

 

 

 

 

 

27

520

150

84

75

Рисунок 3 - Клин ребровый двухсторонний

Таблица 4

Номер изделия

L

B

S

S1

мм

28

230

115

68

45

29

230

115

65

55

30

230

150

65

55

31

300

150

65

55

32

300

150

75

55

33

300

150

75

65

34

300

150

90

80

Рисунок 4 - Клин переходный (радиальный) двухсторонний

Таблица 5

Номер изделия

L

B

B1

S

мм

35

230

115

93

65

36

300

150

135

75

37

380

150

80

75

38

380

150

96

90

39

460

150

85

90

40

460

150

130

90

41

520

154

80

90

Рисунок 5 - Клин пирамидальный двухсторонний

Таблица 6

Номер изделия

L

B

B1

S

S1

мм

42

230

115

93

65

55

43

300

150

135

78

68

44

380

150

80

83

75

45

460

150

90

78

68

46

520

150

90

78

68

Рисунок 6 - Кирпич фасонный опорный

Таблица 7

Номер изделия

L

L1

B

B1

S

мм

47

380

220

150

125

90

48

460

220

150

125

90

49

520

220

150

125

90

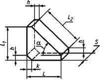
Рисунок 7 - Кирпич пятовый

Таблица 8

Номер изделия

L

L1

L2

S

h

k

α

мм

50

225

276

300

75

40

25

52°

51

252

252

300

75

40

25

45°

52

275

341

382

75

40

25

52°

53

310

310

381

75

40

25

45°

54

330

285

380

75

40

25

40°

55

325

405

463

75

40

25

52°

56

365

365

460

75

40

25

45°

57

390

335

460

75

40

25

40°

2.2 Расчетные объем и масса изделий приведены в приложении 4.

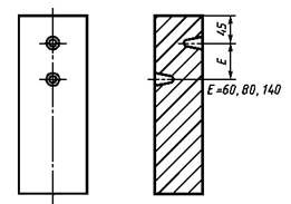
2.3 Изделия, приведенные на рисунках 1, 2, 4 - 6, кроме изделий длиной 230 мм, изготовляются с отверстиями для штырей по рисункам 8 - 11. Размеры, не указанные на рисунках 9 - 11, должны соответствовать данным рисунка 8.

Рисунок 8

Таблица 9

Размер

Предельное отклонение, мм, для изделий марок

ПХСП, ПХСУТ, ПХСУ

ПХСС, ПХССТ

Длина (L, L1 L2):

 

 

до 230 мм включительно

±3

±4

свыше 230 до 380 мм включительно

±4

±6

свыше 380 до 520 мм включительно

±5

±8

Ширина (В, B1)

±3

±4

Толщина (S, S1)

±2

±3

Рисунок 9

Рисунок 10

Рисунок 11

Рисунок 12

 

Рабочей поверхностью изделий с номерами 9 - 46 считается поверхность по торцевой грани S1,B (рисунок 2), S1L (рисунок 3), SB (рисунки 4, 5).

Нормы для показателей внешнего вида, приведенные в таблице 10 для изделий, форма которых не позволяет определить рабочую поверхность, относятся только к одной из поверхностей.

Рабочая поверхность изделий, изготовляемых по рисункам, согласованным между изготовителем и потребителем, должна быть указана на рисунках.

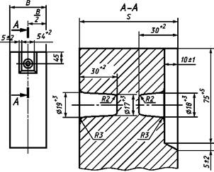
2.4 Для установки усиленной металлической подвески в изделиях со штыревыми отверстиями изготовляются углубления по рисункам 12 - 15. Размеры, не указанные на рисунках 13 - 15, должны соответствовать данным рисунка 12.

Рисунок 13

Рисунок 14

Рисунок 15

2.5 Размеры, определяющие расположение штыревых отверстий (рисунки 8 - 15), а также радиусы закруглений (рисунки 8, 12) и размер (5 ± 2) мм (рисунки 12, 15) подлежат контролю только при изготовлении пресс-формы.

2.6 Размеры h, k, α (рисунок 7 и таблица 8) не подлежат контролю и даны только для использования при изготовлении пресс-формы.

2.7 Предельные отклонения по размерам изделий должны соответствовать размерам, указанным в таблице 9.

2.8 Предельные отклонения по размерам штыревых отверстий и углублений для подвески указаны на рисунках 8 - 15. В пределах указанных отклонений диаметров допускается овальность штыревых отверстий. Для изделий, имеющих отверстие, допускается конус 1 мм на 100 мм толщины изделия.

2.9 Изготовление изделий других форм и размеров с другой конфигурацией и расположением штыревых отверстий и углублений для подвески, а также предельные отклонения по размерам допускается устанавливать по соглашению сторон.

3 Технические требования

3.1 По физико-химическим свойствам и показателям внешнего вида изделия должны соответствовать требованиям, указанным в таблице 10.

Таблица 10

Наименование показателя

Норма для изделий марок

ПХСП

ПХСУТ

ПХСУ

ПХСС

ПХССТ

Массовая доля, %,

Cr2O3

 

7 - 15

 

7 - 15

 

7 - 15

 

7 - 15

 

7 - 18

MgO, не менее

70

70

65

65

65

Предел прочности при сжатии, Н/мм2, не менее

37,5

35,0

32,5

27,5

25,0

Пористость открытая, %, не более

16

18

20

22

22

Температура начала размягчения, °С, не менее

1560

1540

1540

1520

1500

Термическая стойкость (нагрев до 1300 °C, охлаждение водяное), теплообмен, не менее

4

6

5

3

5

Дополнительная линейная усадка при 1650 °C с выдержкой 3 ч, %, не более

0,7

0,7

0,8

0,9

0,9

Кривизна, мм, не более, для изделий длиной:

 

 

 

 

 

до 380 мм

2

2

2

3

3

свыше 380 мм

3

3

3

4

4

Отбитость углов глубиной, мм, не более, для изделий длиной:

 

 

 

 

 

до 380 мм

7

7

7

10

10

свыше 380 мм

10

10

10

12

12

Отбитость ребер глубиной, мм, не более

5

5

5

8

8

Посечки шириной до 0,50 мм включительно (отдельные длиной до 40 мм)

Не нормируются

Трещины шириной свыше 0,50 до 1,00 мм

Не допускаются

Допускаются отдельные длиной до 40 мм

свыше 1,00 мм

Не допускаются

Примечания

1 Для изделий длиной более 460 мм и пятовых изделий нормы открытой пористости допускаются на 1 % выше установленных в таблице 10.

2 При изготовлении периклазохромитовых изделий по комбинированной технологии с применением крупнозернистого и тонкомолотого хромита в шихте (в том числе с применением импортного магнезита) к наименованию марки изделий добавляется цифра 1.

3.2 Изделия в изломе должны иметь однородное строение, без пустот и расслоений.

3.3 На ребровых гранях допускается шероховатость.

3.4 Требования по показателям внешнего вида допускается устанавливать по соглашению сторон.

4 Правила приемки

4.1 Изделия поставляют партиями. Масса партии должна быть не более 150 т. Партия должна состоять из изделий одной марки.

4.2 Правила приемки - по ГОСТ 8179 с дополнением: для приемки изделий применяют план контроля номер 3, для приемки изделий, не прошедших предварительную разбраковку: нормальных размеров - номер 4, фасонных - номер 5.

4.3 При проверке соответствия качества изделий требованиям настоящего стандарта проводят приемосдаточные испытания в соответствии с требованиями, приведенными в таблице 11.

Таблица 11

Наименование показателя

Периодичность отбора образцов и проб для проведения испытаний

Наименование показателя

Периодичность отбора образцов и проб для проведения испытаний

Внешний вид и размеры

Строение в изломе

Массовая доля Cr2O3 и MgO

Открытая пористость

От каждой партии

То же

 

От каждой второй партии

От каждой партии

Предел прочности при сжатии

Температура начала размягчения

Термическая стойкость

Дополнительная линейная усадка

 

От каждой партии

 

От каждой пятой партии То же

»

5 Методы испытаний

5.1 Размеры изделий проверяют металлической линейкой по ГОСТ 427 с ценой деления 1 мм, рулеткой по ГОСТ 7502 с ценой деления 1 мм или соответствующими шаблонами, обеспечивающими заданную точность измерения. Размеры изделий (длину, ширину, толщину) измеряют посередине каждой грани. За результат измерения принимают среднее значение. Каждое измерение не должно превышать предельно допустимых отклонений.

5.2 Отбор и подготовку проб для химического анализа проводят по ГОСТ 2642.0. Массовую долю MgO, Cr2O3 определяют по ГОСТ 2642.8, ГОСТ 2642.9 или другими методами, обеспечивающими требуемую точность определений. При возникновении разногласий в оценке качества изделий определения проводят по ГОСТ 2642.8 и ГОСТ 2642.9. В указанных стандартах приведены нормы точности результатов комплексных химических анализов.

5.3 Образцы для определения качественных показателей вырезают с рабочей стороны изделий. Образцы, вырезанные из изделий для определения качественных показателей, не должны иметь каких-либо видимых дефектов (трещин, отбитостей).

5.4 Предел точности при сжатии определяют по ГОСТ 4071.1, ГОСТ 4071.2 или ГОСТ 25714. Контрольный метод - по ГОСТ 4071.1, ГОСТ 4071.2.

5.5 Открытую пористость определяют по ГОСТ 2409 или ГОСТ 25714. Контрольный метод - по ГОСТ 2409.

5.6 Определение предела прочности при сжатии и открытой пористости по ГОСТ 25714 проводят на удвоенном количестве образцов.

5.7 Температуру начала размягчения определяют по ГОСТ 4070.

5.8 Термическую стойкость определяют по ГОСТ 7875.0 - ГОСТ 7875.2.

5.9 Дополнительную линейную усадку определяют по ГОСТ 5402.1, ГОСТ 5402.2.

5.10 Кривизну изделий определяют на проверочной плите по ГОСТ 10905 или аттестованной металлической плите шаблоном (щупом) шириной 10 мм и толщиной, превышающей на 0,1 мм установленную норму кривизны. Шаблон не должен входить в зазор между плитой и изделием.

5.11 Ширину посечек и трещин определяют при помощи измерительной лупы по ГОСТ 25706. Лупу располагают таким образом, чтобы ее тикала была перпендикулярной к плоскости-посечки или трещины. Между измерительной шкалой и поверхностью изделия помещают полоску бумаги, которую располагают вдоль шкалы вплотную к ее делениям. Ширину посечки или трещины определяют в месте ее максимальной величины. Длину посечки или трещины определяют металлической линейкой по ГОСТ 427 с ценой деления 1 мм по прямой линии, соединяющей начало и конец посечки или трещины.

5.12 Глубину отбитости углов и ребер определяют по ГОСТ 15136.

5.13 Строение изделий в изломе определяют визуально.

6 Маркировка, упаковка, транспортирование и хранение

Маркировка, упаковка, транспортирование и хранение изделий - по ГОСТ 24717 с дополнением: транспортирование грузов пакетами - по ГОСТ 26663.

Маркировку, упаковку, транспортирование и хранение изделий допускается осуществлять по соглашению сторон при условиии гарантии сохранения эксплуатационных показателей.

ПРИЛОЖЕНИЕ 1
(рекомендуемое)

МЕЖДУНАРОДНЫЙ СТАНДАРТ

ИЗДЕЛИЯ ОГНЕУПОРНЫЕ

Размеры

Часть 1. Прямоугольный кирпич

Refractory bricks Dimensions.
Part 1. Rectangular bricks

ИСО 5019-1-84

В настоящем стандарте приведены размеры огнеупорных изделий, наиболее часто употребляемые во многих странах для футеровки печей.

Данный перечень размеров нельзя считать полным.

Примечание - Размеры кирпича, изготавливаемого в Северной Америке, очень близки к приведенным в таблице 1.

1 Объем и область применения

1.1 Эта часть ИСО 5019 устанавливает размеры двух серий прямоугольного огнеупорного кирпича.

1.2 Эти две серии кирпича могут применять вместе с сериями сводового кирпича, размеры которого приведены в ИСО 5019-2 (приложение 2).

2 Ссылка

ИСО 5019-2 Изделия огнеупорные. Размеры. Часть 2. Сводовый кирпич

3 Размеры прямоугольного огнеупорного кирпича

3.1 Размеры прямоугольного огнеупорного кирпича приведены в таблице 1.

3.2 Предпочтительно применять серию кирпича 76 мм.

4 Допускаемые отклонения

Допускаемые отклонения размеров, приведенных в таблице 1, должны быть согласованы между поставщиком и потребителем.

Таблица 1 - Размеры прямоугольного огнеупорного кирпича (прямой, лещадка, плитка), мм

Тип кирпича

Серия 64 мм

Серия 76 мм

Прямоугольный*

A ∙ B ∙ C**

230∙11464

230∙17264

345∙11464

A ∙ B ∙ C

230∙11476

230∙17276

345∙11476

Лещадка

A ∙ B ∙ C

230∙11432

A ∙ B ∙ C

230∙11438

Плитка

A ∙ B ∙ C

230∙23064

A ∙ B ∙ C

230∙23076

* В Северной Америке прямоугольный известен под названием «прямой».

** Буквы, которыми обозначены размеры, относятся только к рисункам данной таблицы.

ПРИЛОЖЕНИЕ 2
(рекомендуемое)

МЕЖДУНАРОДНЫЙ СТАНДАРТ

ИЗДЕЛИЯ ОГНЕУПОРНЫЕ

Размеры

Часть 2. Сводовый кирпич

Refractory bricks Dimensions.
Part 2. Arch bricks

ИСО 5019-2-84

Применяются две взаимоисключающие системы определения размеров огнеупорного сводового кирпича с использованием постоянного, среднего размера и постоянного размера задней стороны.

Примечание - Размеры сводового кирпича с постоянным размером задней стороны, изготовляемого в Северной Америке, очень близки к приведенным в таблице 2.

1 Объем и область применения

1.1 Эта часть ИСО 5019 уточняет размеры двух серий огнеупорного сводового кирпича с постоянным средним размером и одну серию огнеупорного сводового кирпича с постоянным размером задней стороны.

1.2. Эти серии кирпича могут применяться вместе с двумя сериями прямоугольного кирпича, размеры которого определяются в ИСО 5019-1 (приложение 1).

2 Ссылка

ИСО 5019-1 Изделия огнеупорные. Размеры. Часть 1. Прямоугольный кирпич

3 Размеры огнеупорного сводового кирпича

3.1 Размеры огнеупорного сводового кирпича должны соответствовать указанным в таблице 2.

3.2 Предпочтительно применять серию кирпича 76 мм.

4 Допускаемые отклонения

Допускаемые отклонения размеров, приведенных в таблице 2, должны быть согласованы между поставщиком и потребителем.

Таблица 2 - Размеры огнеупорного сводового кирпича, мм

Тип кирпича*

Кирпич с постоянным средним размером

Кирпич с постоянным размером задней стороны

Серия 64 мм

Серия 76 мм

Ребровый двусторонний клин**

A ∙ B ∙ C/D

230∙114∙67/61

230∙114∙69/59

230∙114∙72/56

230∙114∙76/52

A ∙ B ∙ C/D

230∙114∙79/73

230∙114∙81/71

230∙114∙84/68

230∙114∙88/64

A ∙ B ∙ C/D

230∙114∙76/70

230∙114∙76/64

230∙114∙76/52

230∙114∙76/38

Торцевой клин**

A ∙ B ∙ C/D

230∙114∙66/62

230∙114∙69/59

230∙114∙72/56

230∙114∙76/52

A ∙ B ∙ C/D

230∙114∙78/74

230∙114∙81/71

230∙114∙84/68

230∙114∙88/64

A ∙ B ∙ C/D

230∙114∙76/70

230∙114∙76/64

230∙114∙76/57

230∙114∙76/52

Торцевой полуторный клиновой кирпич

A ∙ B ∙ C/D

230∙172∙66/62

230∙172∙69/59

230∙172∙72/56

230∙172∙76/52

A ∙ B ∙ C/D

230∙172∙78/74

230∙172∙81/71

230∙172∙84/68

230∙172∙88/64

A ∙ B ∙ C/D

230∙172∙76/70

230∙172∙76/64

230∙172∙76/57

230∙172∙76/52

Большой сводовый кирпич**

A ∙ B ∙ C/D

230∙230∙66/62

230∙230∙69/59

230∙230∙72/56

230∙230∙76/52

A ∙ B ∙ C/D

230∙230∙78/74

230∙230∙81/71

230∙230∙84/68

230∙230∙88/64

A ∙ B ∙ C/D

230∙230∙76/73

230∙230∙76/70

230∙230∙76/64

230∙230∙76/52

* Буквы, которыми обозначены размеры, относятся только к рисункам данной таблицы.

** В Северной Америке ребровый двусторонний клин известен под названием «арочный», торцевой клин - «клин», большой сводовый кирпич - «клиновой блок».

ПРИЛОЖЕНИЕ 3
(рекомендуемое)

МЕЖДУНАРОДНЫЙ СТАНДАРТ

ИЗДЕЛИЯ ОГНЕУПОРНЫЕ

Размеры

Часть 5. Прямоугольный кирпич

Refractory bricks Dimensions.
Part 5. Skew backs

ИСО 5019-5-84

1 Объем и область применения

1.1 Эта часть ИСО 5019 устанавливает размеры двух видов, серий пятовых кирпичей: применяемого с кирпичом горизонтального ряда кладки высотой 64 мм и применяемого с кирпичом горизонтального ряда кладки высотой 76 мм.

Примечание - Размеры пятового кирпича, изготовляемого в Северной Америке, очень близки к приведенным на рисунках 1 и 2.

1.2 Эти виды пятового кирпича применяются вместе с соответствующими сериями сводового кирпича, размеры которого указаны в ИСО 5019-2 (приложение 2).

2 Ссылка

ИСО 5019-2 Изделия огнеупорные. Размеры. Часть 2. Сводовый кирпич

3 Размеры пятового кирпича

3.1 Размеры пятового кирпича, применяемого с кирпичом горизонтального ряда кладки высотой 64 мм, должны соответствовать указанным на рисунке 1.

3.2 Размеры пятового кирпича, применяемого с кирпичом горизонтального ряда кладки высотой 76 мм, должны соответствовать указанным на рисунке 2.

3.3 Предпочтительно применять серию кирпича 76 мм.

4 Допускаемые отклонения

Допускаемые отклонения размеров, указанных на рисунках 1 и 2, должны быть согласованы между поставщиком и потребителем.

Рисунок 1 - Пятовый кирпич для применена вместе с кирпичом горизонтального ряда кладки высотой 64 мм

Рисунок 2 - Пятовый кирпич для применения вместе с кирпичом горизонтального ряда кладки высотой 76 мм

ПРИЛОЖЕНИЕ 4
(справочное)

Расчетные объем и масса изделий

Таблица 1

Номер изделия

Объем, см3

Масса,

кг, изделий марок

Номер изделия

Объем, см3

Масса,

кг, изделий марок

ПХСП, ПХСУТ

ПХСУ

ПХСС, ПХССТ

ПХСП, ПХСУТ

ПХСУ

ПХСС, ПХССТ

1

1719

5,36

5,23

5,16

29

1587

4,95

4,82

4,76

2

3375

10,53

10,26

10,13

30

2070

6,46

6,29

6,21

3

4275

13,34

13,00

12,83

31

2700

8,42

8,21

8,10

4

5130

16,00

15,60

15,39

32

2925

9,13

8,89

8,78

5

5175

16,15

15,73

15,53

33

3150

9,83

9,58

9,45

6

6210

19,38

18,88

18,63

34

3825

11,93

11,63

11,48

7

5850

18,25

17,78

17,55

35

1555

4,85

4,73

4,76

8

7020

21,90

21,34

21,06

36

3206

10,00

9,75

9,65

9

1455

4,54

4,42

4,37

37

3278

10,23

9,97

9,83

10

1587

4,95

4,82

4,76

38

4207

13,13

12,79

12,62

11

3218

10,04

9,78

9,65

39

4865

15,18

14,79

14,60

12

3443

10,74

10,47

10,33

40

5796

18,08

17,62

17,39

13

3600

11,23

10,94

10,60

41

5476

17,09

16,65

16,43

14

4133

12,89

12,56

12,40

42

1485

4,48

4,36

4,31

15

4247

13,25

12,91

12,74

43

2993

9,34

9,10

8,98

16

4218

13,16

12,82

12,65

44

3452

10,77

10,49

10,36

17

4560

14,23

13,86

13,68

45

4030

12,57

12,25

12,09

18

4788

14,94

14,56

14,36

46

4555

14,21

13,85

13,67

19

4931

15,38

14,99

14,79

47

5075

15,83

15,43

15,23

20

3968

12,38

12,06

11,90

48

6155

19,20

18,71

18,47

21

5106

15,93

15,52

15,32

49

6965

21,73

21,17

20,90

22

5072

15,82

15,42

15,22

50

2997

9,35

9Д1

8,99

23

5451

17,00

16,37

16,35

51

3054

9,53

9,28

9,16

24

5796

18,08

17,62

17,39

52

4357

13,59

13,25

13,07

25

5969

18,62

18,15

17,91

53

4450

13,88

13,53

13,35

26

5811

18,13

17,65

17,43

54

4366

13,62

13,27

13,10

27

6201

19,35

18,85

18,60

55

5948

13,56

18,08

17,84

28

1455

4,54

4,42

4,37

56

6008

18,74

18,26

18,02

 

 

 

 

 

57

5903

18,42

17,95

17,71

Примечание - При расчете массы изделий средняя кажущаяся плотность их принята равной: для марок ПХСП, ПХСУТ - 3,12 г/см3, ПХСУ - 3,04 г/см3, ПХСС, ПХССТ - 3,00 г/см3.

ИНФОРМАЦИОННЫЕ ДАННЫЕ ССЫЛОЧНЫЕ НОРМАТИВНО-ТЕХНИЧЕСКИЕ ДОКУМЕНТЫ

Обозначение НТД, на который дана ссылка

Номер пункта, подпункта

Обозначение НТД, на который дана ссылка

Номер пункта, подпункта

ГОСТ 427-75

5.1, 5.11

ГОСТ 7502-98

5.1

ГОСТ 2409-95

5.5

ГОСТ 7875.0-94 -

 

ГОСТ 2642.0-86

5.2

ГОСТ 7875.2-94

5.8

ГОСТ 2642.8-97

5.2

ГОСТ 8179-98

4.2

ГОСТ 2642.9-97

5.2

ГОСТ 10905-86

5.10

ГОСТ 4070-2000

5.7

ГОСТ 15136-78

5.12

ГОСТ 4071.1-94

5.4

ГОСТ 24717-94

6

ГОСТ 4071.2-94

5.4

ГОСТ 25706-83

5.11

ГОСТ 5402.1-2000

5.9

ГОСТ 25714-83

5.4, 5.5, 5.6

ГОСТ 5402.2-2000

5.9

ГОСТ 26663-85

6

 

 

Ключевые слова: высокоогнеупорные изделия, обожженные периклазохромитовые изделия, марки, форма, размеры, технические требования, испытания, маркировка, упаковка, транспортирование, хранение