МЕЖГОСУДАРСТВЕННЫЙ СТАНДАРТ
|
Система стандартов безопасности труда МЕТОД ОПРЕДЕЛЕНИЯ
ТЕПЛОСОДЕРЖАНИЯ ЧЕЛОВЕКА Occupational
safety standards system. |
ГОСТ |
Постановлением Государственного комитета СССР по стандартам от 21 сентября 1979 г. № 3638 дата введения установлена
01.07.80
Настоящий стандарт устанавливает метод определения теплосодержания человека в средствах индивидуальной защиты (пневмокостюмы и специальная одежда, предназначенная для работы в условиях низких и высоких температур) на этапе их разработки.
Стандарт не распространяется на гидролизирующие костюмы и скафандры.
Сущность метода заключается в установлении степени влияния средств индивидуальной защиты (СИЗ) на изменение теплосодержания организма, которое определяется по результатам измерения температур тела и поверхности кожи человека в СИЗ и без них.
1.1. Измеряемые параметры:
температура поверхности кожи;
скорость изменения температур тела и поверхности кожи;
масса тела и СИЗ;
температура тела*.
______________
* Должна измеряться в ректальной полости. Допускается измерение температуры тела в других областях: подмышечной впадине, под языком, в слуховом проходе с последующим приведением измеряемой температуры к ректальной.
1.2. Рассчитываемые параметры:
средняя температура поверхности кожи,
средняя температура тела,
теплосодержание организма,
изменение теплосодержания организма,
разность температур тела и поверхности кожи.
2.1. Металлические или полупроводниковые термометры сопротивления** для измерения температуры тела и кожи в пяти точках: на груди, лбу, тыле кисти, бедре, голени.
______________
** Принципиальные электрические схемы подключения термометров сопротивления к автоматическим электронным потенциометрам, устройству для измерения скорости изменения температур и электронно-цифровой вычислительной машине приведены в приложениях 1, 2, 3. Диапазон и класс точности средств измерения приведены в приложении 4.
Градуировочные характеристики термометров сопротивления (далее - «датчики») должны отвечать требованиям ГОСТ 6651-94, ГОСТ 8.157-75;
тепловые приемники излучения типа ПЭПИ-У2;
автоматические электронные потенциометры, уравновешенные и неуравновешенные мосты унифицированной системы приборов КС (ГОСТ 7164-78) - далее «приборы»;
медицинские весы 1-го класса точности.
Примечание. Класс точности упомянутых средств измерения должен быть численно равен основной допустимой приведенной погрешности измерения, выраженной в процентах, в соответствии с ГОСТ 8.401-80.
3.1. Медицинское обследование испытателя (ей).
Примечание. К участию в испытаниях допускаются лица, не имеющие медицинских противопоказаний к выполнению работ, для которых предназначено СИЗ.
Измерение массы испытателя на медицинских весах;
установка и крепление датчиков на испытателе;
подключение датчиков к приборам;
регистрация исходных данных, в соответствии с заданной программой;
отключение датчиков от приборов;
надевание СИЗ;
измерение массы испытателя в СИЗ.
3.2. Перед началом измерений параметров в СИЗ должен быть проведен внешний осмотр аппаратуры и СИЗ, в процессе которого должно быть установлено:
комплектность средств измерения, их класс точности;
правильность установки и крепления датчиков;
значения параметров среды и точность их поддержания;
правильность экипировки испытателя (ей) в СИЗ.
в исходном положении, испытатель находится в состоянии относительного покоя (сидя, лежа или стоя) в термонейтральной зоне;
при дозированных физической (по ГОСТ 12.4.061-88) и термической (температура, влагосодержание, скорость движения воздуха) нагрузках (или их сочетаниях), величины которых при каждом испытании следует варьировать с интервалом, равным 0,1 - 0,2 от максимальной нагрузки, регламентированной для испытуемых СИЗ;
при параметрах среды и работе, моделирующих специфику профессиональной деятельности человека в СИЗ с учетом предельно допустимого времени профессиональной деятельности.
4.2. Измерения по п. 4.1 следует проводить в следующей последовательности:
стабилизация (или контроль) заданных параметров среды (температуры, относительной влажности, скорости движения газа, состава атмосферы);
подключение датчиков, установленных на испытателе, к приборам;
включение приборов и регистрация синхронизированно во времени измеряемых параметров.
4.3. По окончании измерений должны проводиться следующие операции:
разгерметизация СИЗ (в случае использования изолирующих костюмов);
отключение датчиков от приборов;
проверка правильности крепления датчиков;
снятие СИЗ и датчиков;
измерение массы испытателя и СИЗ.
4.4. Результаты измерений и расчетов должны вноситься в протокол испытаний (приложение 5).
5.1. Средняя температура поверхности кожи
(
)
должна рассчитываться по формуле
![]()
где а1 - а5 - коэффициенты взвешивания, соответственно равные 0,07; 0,5; 0,05; 0,18; 0,2.
-
- соответственно температуры кожи в областях лба,
груди, тыла кисти, бедра и голени (в °С);
5.2. Средняя температура тела (
) должна
рассчитываться по формуле
![]()
Примечание. Значение коэффициента смешивания α приведено в приложении 6.
5.3. Разница между температурами тела и поверхности кожи должна рассчитываться по формуле
v = tp - ts.
5.4. Теплосодержание организма (количество тепла, содержащееся в организме человека) должно рассчитываться по формуле
![]()
где qm - теплосодержание организма, Дж;
С - удельная теплоемкость тела человека, С = 3450 Дж/кг °С;
m - масса тела, кг.
5.5. Изменение теплосодержания организма (Δqm) должно рассчитываться по формуле
Δqm = qm(τn) - qm(τn-1),
где qm(τn), qm(τn-1) - соответственно теплосодержание организма, измеренное в моменты времени τn и τn-1.
5.6. Скорость измерения теплосодержания
организма (
)
должна рассчитываться по формуле
![]()
где
- скорость изменения средней температуры
тела, град/мин.
Полученные данные должны подвергаться статистической обработке. Доверительный интервал среднестатистических величин должен быть рассчитан при вероятности ≤ 0,05.
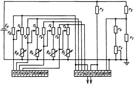
Рекомендуемое

Rp - электрическое сопротивление датчика температуры тела; Rs - электрическое
сопротивление датчиков температуры кожи;
Ro, Rj -
электрическое сопротивление сухого и смоченного датчиков температуры среды
Схема представляет мост постоянного тока, в одно из плеч которого через коммутатор каналов электрического потенциометра КСП последовательно подключаются термометры сопротивления Rp, Rs, Ro, Rj.
Примечание. Полупроводниковые термометры сопротивления, обладающие электрической емкостью, не следует включать в цепь моста переменного тока.
Параллельно - последовательно этим сопротивлениям включены дополнительные резисторы (постоянные r0 и переменные rv) для осуществления точной регулировки моста; r1, r2, r3 - электрическое сопротивление плеч моста.
Потенциометр следует включать в измерительную диагональ моста. В этом случае коэффициент деления опорной ветви должен быть выбран таким образом, чтобы при температуре, соответствующей нижней границе диапазона, разность потенциалов на концах опорной ветви была равна нулю.
Выбранный диапазон изменения температур должен быть равномерно распределен по всей шкале потенциометра путем подбора r0 и rv.
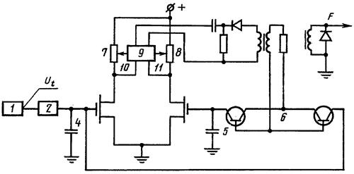
Рекомендуемое

1 - мост постоянного тока; Ut - выходное напряжение моста постоянного тока; 2
- усилитель постоянного тока;
3 - сдвоенный МОП - транзистор; 4, 5 - запоминающие
конденсаторы; 6 - электрический ключ; 7, 8 - нагрузочные
резисторы;
9 - линейный двухквадратный генератор управляемой частоты; 10, 11
- дополнительные выходы генератора 9
Устройство работает следующим образом. На входы дифференциального каскада, выполненного на сдвоенном МОП - транзисторе 3, подается через усилитель 2 выходное напряжение Ut моста постоянного тока (см. приложение 1), снимаемое, например, при измерении скорости изменения температур с клемм 5, 6 потенциометра КСП. Конденсаторы 4 и 5 оперативно заполняют информацию. При нулевом напряжении на входе генератора 9 его частота равна нулю. Появление напряжения на выходе дифференциального каскада свидетельствует о разности напряжений на запоминающих конденсаторах 4 и 5 и вызывает изменение частоты, генерируемой генератором 9, изменяя частоту переключения электронного ключа 6. Линейный генератор управляемой частоты 9 изменяет свою частоту таким образом, чтобы ликвидировать разностное напряжение между стоками МОП - транзистора 3, поддерживая их в одинаковых режимах.
Кроме основного выхода, управляющего работой электронного ключа 6, генератор 9 имеет два дополнительных выхода 10 и 11. Появление импульсов на выходе 10 или 11 определяется знаком выходного напряжения генератора и зависит от знака скорости изменения температур. Выходная частота устройства F линейно связана со скоростью изменения температуры.
Рекомендуемое

ДТ - датчик температуры; Э - мостовое
измерительное устройство; Пр - преобразователь; У1 -
предварительный усилитель;
ФВ - фазовый выпрямитель; У2 - усилитель мощности; В1 - В4
- выпрямители; ОС - отрицательная обратная связь; БП - блок питания
Рекомендуемое
|
Параметры измерения |
Аппаратура |
Диапазон |
Точность измерения |
||
|
Показывающий прибор |
Самопишущий прибор |
ЭЦВМ |
|||
|
Температура тела, °С |
Термометр сопротивления |
35 - 42 |
± 3,0 |
± 2,0 |
± 2,0 |
|
Температура поверхности кожи, °С |
Термометр сопротивления |
20 - 40 |
± 3,0 |
± 1,0 |
± 1,0 |
|
Скорость изменения температур, град/мин |
ПЭПИ-42, устройство для измерения скорости изменения температур |
0,007 - 0,085 |
± 5,0 |
± 3,5 |
± 3,0 |
Справочное
ПРОТОКОЛ
|
|
Наименование показателей |
Без СИЗ |
В СИЗ |
Примечание |
|
Температура тела (ta) |
|||
|
Температура поверхности кожи (tз) |
|||
|
Скорость изменения температур (ta, ts) |
|||
|
Для пневмокостюмов дополнительно |
|||
|
Температура хладагента (tx) на входе системы охлаждения (°С) |
|||
|
Объемный расход жидкости (кг/ч) |
|||
|
Температура газа на входе системы вентиляции (°С) |
|||
|
Относительная влажность газа на входе в систему вентиляции (%) |
|||
|
Объемный расход газа (м3/с, л(н)/мин) |
|||
|
Концентрация кислорода на входе в пневмокостюм (%). Концентрация углекислого газа на выходе из пневмокостюма (%) |
Подпись ответственного за проведение исследования _______________________
Рекомендуемое
А. В естественных условиях теплообмена

to
- температура окружающей среды; 1 - в состоянии относительного покоя;
2 - при выполнении работы, соответствующей энерготратам 800 Вт
Черт. 1
Б. В условиях теплообмена в пневмокостюмах

tx
- температура хладагента в системе охлаждения; 1 - в состоянии
относительного покоя;
2 - при выполнении работы, соответствующей энерготратам 600 Вт
Черт. 2
СОДЕРЖАНИЕ