МЕЖГОСУДАРСТВЕННЫЙ СТАНДАРТ
|
ПРОФИЛЬ
ДЛЯ ВЕРХНЕГО КОЛЬЦА Сортамент Agricultural
machinery. |
ГОСТ |
Дата введения 01.01.91
Настоящий стандарт распространяется на горячекатаный профиль для верхнего кольца поворотного круга автоприцепа.
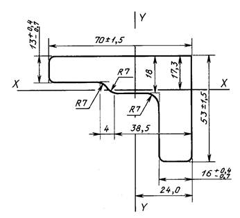
1. Форма, размеры, предельные отклонения по ним, площадь поперечного сечения, масса 1 м профиля должны соответствовать указанным на чертеже и в таблице.

|
Марка стали |
Площадь сечения, см2 |
Масса 1 м профиля, кг |
Момент инерции, см2 |
|
|
Ix |
Iy |
|||
|
35 по ГОСТ 1050 |
16,83 |
13,21 |
35,75 |
65,90 |
2. Кривизна профиля в вертикальной и горизонтальной плоскостях не должна превышать 0,4 % длины.
3. Отклонение от прямого угла не должно превышать 40'.
4. Скручивание профиля вокруг продольной оси не должно превышать 2° на 1 м длины.
5. Допускается изготовление профилей с неровными торцевыми поверхностями обеих полок. Значение неровностей не должно превышать ± 1,5 мм.
Уклон торцевых поверхностей должен быть в пределах допуска на размер.
ИНФОРМАЦИОННЫЕ ДАННЫЕ
1. РАЗРАБОТАН И ВНЕСЕН Министерством металлургии СССР
2. УТВЕРЖДЕН И ВВЕДЕН В ДЕЙСТВИЕ Постановлением Государственного комитета СССР по управлению качеством продукции и стандартам от 30.03.90 № 753
3. ВЗАМЕН ГОСТ 12492.17-72
4. ССЫЛОЧНЫЕ НОРМАТИВНО-ТЕХНИЧЕСКИЕ ДОКУМЕНТЫ
|
Обозначение НТД, на который дана ссылка |
Номер пункта |
|
1 |
5. Ограничение срока действия снято по протоколу № 7-95 Межгосударственного Совета по стандартизации, метрологии и сертификации (ИУС 11-95)
6. ПЕРЕИЗДАНИЕ