МЕЖГОСУДАРСТВЕННЫЙ СТАНДАРТ
|
ПРОФИЛЬ ДЛЯ ОБОДЬЕВ
КОЛЕС Сортамент Agricultural machinery. Section for wheel rims. |
ГОСТ |
Дата введения 01.01.91
Настоящий стандарт распространяется на горячекатаный профиль для ободьев колес.
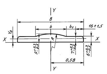
1. Форма, размеры, предельные отклонения по ним, площадь поперечного сечения, масса 1 м профиля, справочные значения относительно осей должны соответствовать указанным на чертеже и в таблице.

|
Марка стали |
В, мм |
Ь, мм |
Ь, мм |
Уо, мм |
R, мм |
Площадь сечения, см2 |
Масса 1 м профиля, кг |
Момент инерции, см4 |
||
|
Номин. |
Пред. откл. |
Ix |
Iy |
|||||||
|
СтЗспЗ СтЗпсЗ и Ст5сп2 по |
120 |
+ 1,1 - 2,4 |
54 |
17 |
3,79 |
183 |
8,92 |
7,0 |
0,33 |
95,83 |
|
20, 20пс по |
180 |
+ 1,5 - 3,6 |
74 |
37 |
3,78 |
343 |
13,4 |
10,51 |
0,36 |
328,55 |
2. Кривизна профиля в вертикальной и горизонтальной плоскостях не должна превышать 0,5 % длины. По требованию потребителя профили изготовляют с кривизной не более 0,2% длины.
ИНФОРМАЦИОННЫЕ ДАННЫЕ
1. РАЗРАБОТАН И ВНЕСЕН Министерством металлургии СССР
2. УТВЕРЖДЕН И ВВЕДЕН В ДЕЙСТВИЕ Постановлением Государственного комитета СССР по управлению качеством продукции и стандартам от 30.03.90 № 752
3. ВЗАМЕН ГОСТ 12492.8-72
4. ССЫЛОЧНЫЕ НОРМАТИВНО-ТЕХНИЧЕСКИЕ ДОКУМЕНТЫ
|
Обозначение НТД, на который дана ссылка |
Номер пункта |
|
1 |
|
|
1 |
5. Ограничение срока действия снято по протоколу № 7-95 Межгосударственного Совета по стандартизации, метрологии и сертификации (ИУС 11-95)
6. ПЕРЕИЗДАНИЕ