ГОСТ 12850.2-93
(ИСО 8740-86)
МЕЖГОСУДАРСТВЕННЫЙ СТАНДАРТ
ШТИФТЫ ЦИЛИНДРИЧЕСКИЕ
НАСЕЧЕННЫЕ С НАСЕЧКАМИ
НА ВСЕЙ ДЛИНЕ И С ФАСКОЙ
ТЕХНИЧЕСКИЕ УСЛОВИЯ
МЕЖГОСУДАРСТВЕННЫЙ СОВЕТ
ПО СТАНДАРТИЗАЦИИ, МЕТРОЛОГИИ И СЕРТИФИКАЦИИ
Минск
Предисловие
1 РАЗРАБОТАН Госстандартом России
ВНЕСЕН Техническим секретариатом Межгосударственного Совета по стандартизации, метрологии и сертификации
2 ПРИНЯТ Межгосударственным Советом по стандартизации, метрологии и сертификации 21 октября 1993 г.
За принятие проголосовали:
|
Наименование государства |
Наименование национального органа по стандартизации |
|
Республика Беларусь |
Белстандарт |
|
Республика Кыргызстан |
Кыргызстандарт |
|
Республика Молдова |
Молдовастандарт |
|
Российская Федерация |
Госстандарт России |
|
Республика Таджикистан |
Таджикстандарт |
|
Туркменистан |
Туркменглавгосинспекция |
|
Украина |
Госстандарт Украины |
3 Настоящий стандарт подготовлен методом прямого применения международного стандарта ИСО 8740-86 «Штифты цилиндрические насеченные с насечками на всей длине и с фаской» с дополнительными требованиями, отражающие потребности народного хозяйства
4 ВЗАМЕН ГОСТ 12850-80 в части исполнения 1
МЕЖГОСУДАРСТВЕННЫЙ СТАНДАРТ
|
ШТИФТЫ ЦИЛИНДРИЧЕСКИЕ НАСЕЧЕННЫЕ С НАСЕЧКАМИ НА ВСЕЙ ДЛИНЕ И С ФАСКОЙ Технические условия Grooved pins, full-length parallel grooved, with chamfer. Specifications |
ГОСТ (ИСО 8740-86) |
Дата введения 01.01.95
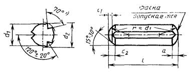
Настоящий стандарт распространяется на цилиндрические насеченные штифты с тремя цилиндрическими насечками на всей длине, расположенных на равном расстоянии друг от друга с фаской и направляющим концом, облегчающим монтаж, с номинальным диаметром d1 от 1,0 до 25 мм.
Дополнительные требования, отражающие потребности народного хозяйства, приведены в приложении 1.
Требования настоящего стандарта являются обязательными.
1.1. Размеры штифтов должны соответствовать указанным на чертеже и в табл. 1.

1 Угол насечки 70° применяется только на штифтах, изготовленных из стали, указанной в табл. 2. Угол насечки может изменяться в зависимости от пластичности материала.
Размеры в мм


1 Относится только к насеченным штифтам, изготовленным из стали, указанной в табл. 2.
2 Стандартные длины указаны между ступенчатыми линиями.
3 Значения диаметра описанной окружности d2 относятся только к штифтам, изготовленным из стали, указанной в табл. 2. При изготовлении штифтов из других материалов, например, нержавеющая сталь, размер d2 должен быть согласован между изготовителем и потребителем.
1.2. Теоретическая масса штифтов указана в приложении 2.
2.1. По краям насечек диаметр штифта d2 превышает номинальный диаметр d1. Вследствие этого штифты, запрессованные в отверстие, равное номинальному диаметру d1, образуют прочное соединение.
2.2. Диаметр отверстия под насеченный штифт должен быть равен номинальному диаметру штифта d1. Поле допуска диаметра отверстия Н11.
Штифты должны изготавливаться в соответствии с требованиями, указанными в табл. 2.
Таблица 2
|
Автоматная сталь, твердость от 125 до 245 HV. Допускаются другие материалы по согласованию между потребителем и изготовителем |
|
|
Насечки |
Конструкция насечек выбирается изготовителем |
|
Окончательная обработка поверхности |
Штифты поставляются без покрытия, смазанные для защиты от коррозии или с покрытием по согласованию между потребителем и изготовителем |
|
Рекомендуемые покрытия: окисное, фосфатное или цинковое с хроматированием по ГОСТ 9.301, ГОСТ 9.303. Допускаются другие покрытия по согласованию между потребителем и изготовителем. Все допуски относятся к размерам до нанесения покрытий |
|
|
Качество поверхности |
Изделия должны быть одинаковыми по качеству без отклонений формы и дефектов |
|
Испытание на срез |
Испытание проводится по ГОСТ Р 50076 |
|
Приемка |
Правила приемки по ГОСТ 17769 |
Пример условного обозначения цилиндрического насеченного штифта с насечками на всей длине и с фаской с номинальным диаметром d1 = 6 мм и номинальной длиной l = 50 мм без покрытия:
Штифт 6´50 ГОСТ 12850.2-93
То же, с химическим окисным покрытием, пропитанным маслом:
Штифт 6´50 Хим. Окc. прм. ГОСТ 12850.2-93
Обязательное
Штифты должны удовлетворять всем требованиям ГОСТ 26862 и требованиям, изложенным в настоящем стандарте.
1. Дополнительные размеры штифтов указаны в табл. 3.
Таблица 3
Размеры в мм
|
d1 |
номин. |
1 |
1,2 |
1,6 |
|
|
пред. откл. |
h9 |
||||
|
с1 |
0,08 |
0,10 |
0,12 |
||
|
с2 |
0,4 |
0,4 |
0,6 |
||
|
а ≈ |
0,12 |
0,16 |
0,20 |
||
|
Минимальная двойная нагрузка на срез, кН |
- |
- |
1,86 |
||
|
l |
Диаметр описанной окружности насечек d2 |
||||
|
номин. |
мин. |
макс. |
+0,05 |
||
|
0 |
|||||
|
4 |
3,75 |
4,25 |
1,05 |
1,25 |
1,70 |
|
5 |
4,75 |
5,25 |
|||
|
6 |
5,75 |
6,25 |
|||
|
8 |
7,75 |
8,25 |
|||
|
10 |
9,75 |
10,25 |
|||
|
12 |
11,5 |
12,5 |
|||
|
14 |
13,5 |
14,5 |
|||
|
16 |
15,5 |
16,5 |
|||
|
18 |
17,5 |
18,5 |
|||
|
20 |
19,5 |
20,5 |
|||
2. Дополнительные длины штифтов должны выбираться из следующего ряда: 4, 5, 6, 25, 36, 110, 120 мм
3. Дополнительные типоразмеры штифтов: 1´4; 1´5; 1´6; 1,2´4; 1,2´5; 1,2´6; 1,6´4; 1,6´5; 1,6´6; 2´4; 2´5; 2´6; 2,5´6; 2,5´8; 3´6; 3´8; 4´6; 4´8; 5´8; 5´10; 5´12; 6´10; 6´12; 8´12; 12´16.
Рекомендуемое
|
Длина l, мм |
Теоретическая масса 1000 шт. штифтов, кг, при номинальном диаметре d1, мм |
|||||||||||||||
|
1 |
1,2 |
1,5 |
1,6 |
2 |
2,5 |
3 |
4 |
5 |
6 |
8 |
10 |
12 |
16 |
20 |
25 |
|
|
4 |
0,025 |
0,036 |
0,056 |
0,063 |
0,099 |
|||||||||||
|
5 |
0,031 |
0,045 |
0,069 |
0,079 |
0,124 |
|||||||||||
|
6 |
0,037 |
0,053 |
0,083 |
0,095 |
0,148 |
0,230 |
0,333 |
0,592 |
||||||||
|
8 |
0,050 |
0,071 |
0,111 |
0,130 |
0,198 |
0,310 |
0,444 |
0,789 |
1,23 |
|||||||
|
10 |
0,060 |
0,090 |
0,139 |
0,160 |
0,250 |
0,390 |
0,560 |
0,990 |
1,50 |
2,20 |
||||||
|
12 |
0,072 |
0,098 |
0,167 |
0,192 |
0,300 |
0,467 |
0,670 |
1,180 |
1,80 |
2,70 |
4,79 |
|||||
|
14 |
0,090 |
0,124 |
0,195 |
0,223 |
0,350 |
0,540 |
0,780 |
1,380 |
2,20 |
3,10 |
5,58 |
8,67 |
||||
|
16 |
0,100 |
0,142 |
0,222 |
0,255 |
0,400 |
0,620 |
0,890 |
1,580 |
2,50 |
3,60 |
6,30 |
9,90 |
14,23 |
|||
|
18 |
0,110 |
0,160 |
0,250 |
0,287 |
0,440 |
0,693 |
1,000 |
1,770 |
2,80 |
4,00 |
7,10 |
11,10 |
16,00 |
|||
|
20 |
0,120 |
0,178 |
0,278 |
0,320 |
0,490 |
0,770 |
1,110 |
1,970 |
3,10 |
4,40 |
7,90 |
12,30 |
17,80 |
|||
|
22 |
0,540 |
0,847 |
1,220 |
2,170 |
3,40 |
4,90 |
8,70 |
13,60 |
19,50 |
34,70 |
||||||
|
24 |
0,590 |
0,924 |
1,330 |
2,370 |
3,70 |
5,30 |
9,50 |
14,80 |
21,30 |
37,90 |
||||||
|
26 |
0,620 |
0,960 |
1,390 |
2,470 |
3,90 |
5,60 |
9,90 |
15,40 |
22,20 |
39,49 |
||||||
|
28 |
0,640 |
1,001 |
1,440 |
2,560 |
4,00 |
5,80 |
10,30 |
16,00 |
23,10 |
41,00 |
64,1 |
100,2 |
||||
|
28 |
0,690 |
1,078 |
1,550 |
2,760 |
4,30 |
6,20 |
11,10 |
17,30 |
24,90 |
44,20 |
69,0 |
107,9 |
||||
|
30 |
0,740 |
1,200 |
1,670 |
2,960 |
4,60 |
6,70 |
11,90 |
18,50 |
26,60 |
47,30 |
74,0 |
115,6 |
||||
|
32 |
1,780 |
3,160 |
4,90 |
7,10 |
11,60 |
19,70 |
28,40 |
50,50 |
78,9 |
123,3 |
||||||
|
35 |
1,940 |
3,450 |
5,40 |
7,80 |
13,80 |
21,60 |
31,10 |
55,20 |
86,3 |
134,9 |
||||||
|
36 |
1,940 |
3,550 |
5,50 |
8,00 |
14,20 |
22,20 |
32,00 |
56,80 |
88,8 |
138,7 |
||||||
|
40 |
2,220 |
3,940 |
6,20 |
8,90 |
15,80 |
24,70 |
35,50 |
63,10 |
98,6 |
154,1 |
||||||
|
45 |
4,440 |
6,90 |
10,00 |
17,80 |
27,80 |
40,00 |
71,00 |
111,0 |
173,4 |
|||||||
|
50 |
4,930 |
7,70 |
11,10 |
19,80 |
30,90 |
44,40 |
78,90 |
123,3 |
192,6 |
|||||||
|
55 |
5,423 |
8,50 |
12,20 |
21,70 |
33,90 |
48,80 |
86,80 |
135,6 |
211,9 |
|||||||
|
60 |
5,920 |
9,20 |
13,30 |
23,70 |
37,00 |
53,30 |
94,70 |
148,0 |
231,2 |
|||||||
|
65 |
14,41 |
25,70 |
40,10 |
57,70 |
102,60 |
160,3 |
250,4 |
|||||||||
|
70 |
15,50 |
27,70 |
43,20 |
62,20 |
110,50 |
172,6 |
269,7 |
|||||||||
|
75 |
16,70 |
29,60 |
46,30 |
66,60 |
118,40 |
185,0 |
289,0 |
|||||||||
|
80 |
17,80 |
31,60 |
49,40 |
71,00 |
126,20 |
197,3 |
308,2 |
|||||||||
|
85 |
33,60 |
52,40 |
75,50 |
134,10 |
209,6 |
327,5 |
||||||||||
|
90 |
35,60 |
55,50 |
79,90 |
142,00 |
221,9 |
346,8 |
||||||||||
|
95 |
37,50 |
58,60 |
84,40 |
149,90 |
234,3 |
366,0 |
||||||||||
|
100 |
40,00 |
62,00 |
89,00 |
158,00 |
247,0 |
385,0 |
||||||||||
|
110 |
68,20 |
97,90 |
173,80 |
271,0 |
424,0 |
|||||||||||
|
120 |
74,30 |
106,80 |
189,60 |
296,0 |
462,0 |
|||||||||||
ИНФОРМАЦИОННЫЕ ДАННЫЕ
ССЫЛОЧНЫЕ НОРМАТИВНО-ТЕХНИЧЕСКИЕ ДОКУМЕНТЫ
|
Обозначение НТД, на который дана ссылка |
Номер пункта, приложения |
|
Приложение 1 |
|
СОДЕРЖАНИЕ