
ГОСУДАРСТВЕННЫЙ СТАНДАРТ
СОЮЗА ССР
ШТУЦЕРА ДЛЯ ПРОВЕРКИ
ГЕРМЕТИЧНОСТИ КАБИН
САМОЛЕТОВ
ТИПЫ И РАЗМЕРЫ
ГОСТ 13476-68
ГОСУДАРСТВЕННЫЙ КОМИТЕТ СССР ПО СТАНДАРТАМ
Москва
ГОСУДАРСТВЕННЫЙ СТАНДАРТ СОЮЗА ССР
|
ШТУЦЕРА ДЛЯ ПРОВЕРКИ ГЕРМЕТИЧНОСТИ КАБИН САМОЛЕТОВ Типы и размеры Aircraft cabins sealing test
connections. |
ГОСТ |
Утвержден Комитетом стандартов, мер и измерительных приборов при Совете Министров СССР 23 января 1968 г. Срок введения установлен
с 01.04.68
______________
* Переиздание (май 1988 г.) с Изменением № 1, утвержденным в феврале 1980 г. (ИУС № 2 1981 г.).
Несоблюдение стандарта преследуется по закону
Настоящий стандарт распространяется на бортовые штуцера, предназначенные для нагнетания воздуха в кабины самолетов и присоединения приборов контроля давления при проверке герметичности кабин в наземных условиях.
1.1. В зависимости от конструктивного исполнения и назначения штуцера подразделяются на типы, указанные в табл. 1.
Таблица 1
|
Условный проход Dy, мм |
Назначение |
|
|
I |
4 |
Для присоединения приборов контроля давления воздуха в кабинах |
|
II |
10 |
Для нагнетания воздуха в кабины объемом до 20 м3 |
|
III |
72 |
Для нагнетания воздуха в кабины объемом более 20 м3 и в кабины пассажирских самолетов всех типов. |
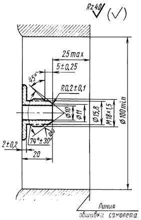
1.2. Присоединительные и установочные размеры штуцера типа I должны соответствовать указанным на черт. 1.
Черт. 1
Пример условного обозначения типа I:
Штуцер I - ГОСТ 13476-68
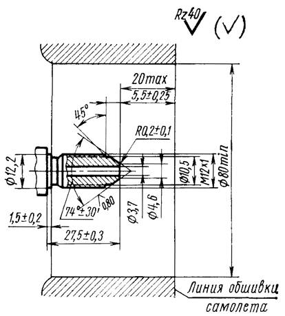
1.3. Присоединительные и установочные размеры штуцера типа II должны соответствовать указанным на черт. 2.
Черт. 2
Пример условного обозначения штуцера типа II:
Штуцер II - ГОСТ 13476-68
1.4. Присоединительные и установочные размеры штуцера типа III должны соответствовать указанным на черт. 3 и в табл. 2.
Черт. 3
Таблица 2
|
Размеры, мм |
||
|
Наружный диаметр d0 |
наиб. |
88,900 |
|
наим. |
88,295 |
|
|
Средний диаметр dср |
наиб. |
84,775 |
|
наим. |
84,564 |
|
|
Внутренний диаметр d1 |
наиб. |
81,110 |
|
наим. |
80,442 |
|
|
Шаг резьбы S |
6,350 |
|
|
Высота остроугольного профиля H |
5,499 |
|
|
Высота среза вершин H/8 |
0,687 |
|
|
Рабочая высота профиля h |
3,435 |
|
|
Радиус закругления впадины резьбы r |
наиб. |
0,915 |
|
наим. |
0,682 |
|
Пример условного обозначения штуцера типа III:
Штуцер III - ГОСТ 13476-68
2.1. Резьба метрическая для штуцеров типа 1 и 2. Допуски резьб по ГОСТ 16093-70.
(Измененная редакция, Изм. № 1).
2.2. Проточка резьбы для штуцера - узкая по ГОСТ 10549-80.
2.3. Предельные отклонения размеров, не ограниченных допусками, - по А5 и С5 = В5 ОСТ 1015.
2.4. Допустимое биение конусных поверхностей относительно среднего диаметра резьбы для штуцеров типов I и II - не более 0,05 мм.
СОДЕРЖАНИЕ