ГОСТ 15163-78
БОЛТЫ КОНИЧЕСКИЕ
ПОВЫШЕННОЙ
ТОЧНОСТИ
ТЕХНИЧЕСКИЕ УСЛОВИЯ
МЕЖГОСУДАРСТВЕННЫЙ СТАНДАРТ
|
БОЛТЫ КОНИЧЕСКИЕ ПОВЫШЕННОЙ Технические условия Tapered bolts high precision. Technical conditions |
ГОСТ Взамен
|
Переиздание.
Постановлением Государственного комитета СССР по стандартам от 14 ноября 1978 г. № 2954 дата введения установлена
01.01.80
Ограничение срока действия снято по протоколу № 4-93 Межгосударственного совета по стандартизации, метрологии и сертификации (ИУС 4-94)
1. Настоящий стандарт распространяется на болты конические повышенной точности с диаметром резьбы от 4 до 16 мм.
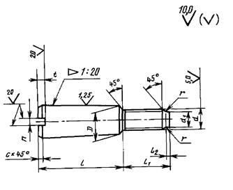
2. Конструкция и размеры болтов должны соответствовать указанным на чертеже и в табл. 1 и 2.

Таблица 1
мм
|
Номинальный диаметр резьбы d |
4 |
5 |
6 |
8 |
10 |
12 |
16 |
||
|
Шаг резьбы P |
крупный |
0,7 |
0,8 |
1 |
1,25 |
1,5 |
1,75 |
2 |
|
|
мелкий |
- |
- |
- |
1 |
1,25 |
1,25 |
1,5 |
||
|
D (h10) |
5 |
6 |
8 |
10 |
12 |
14 |
20 |
||
|
d1 (h14) |
2,5 |
3,5 |
4,0 |
5,5 |
7,0 |
8,5 |
12,0 |
||
|
l1 (js15) |
12 |
14 |
16 |
18 |
20 |
25 |
30 |
||
|
l2 (Н15) |
1,0 |
1,2 |
1,5 |
2,0 |
2,5 |
3,0 |
4,0 |
||
|
n (Н14) |
1,0 |
1,2 |
1,6 |
2,0 |
2,5 |
3,0 |
4,0 |
||
|
t |
Не менее |
1,2 |
1,5 |
1,8 |
2,3 |
2,7 |
3,2 |
4,0 |
|
|
Не более |
1,6 |
2,0 |
2,3 |
2,8 |
3,2 |
3,8 |
4,6 |
||
|
c |
0,8 |
1,0 |
1,2 |
1,6 |
2,0 |
||||
|
r |
0,3 |
0,4 |
0,5 |
0,6 |
0,8 |
||||
|
Отклонение от соосности резьбы относительно конусной части |
0,20 |
0,25 |
0,30 |
||||||
|
Отклонение от симметричности шлица относительно конусной части |
0,35 |
0,45 |
0,50 |
||||||
Таблица 2
мм
|
l, мм (пред. откл. по Н15) |
Теоретическая масса 1000 болтов, кг, с крупным шагом резьбы при номинальном диаметре резьбы, мм |
||||||
|
4 |
5 |
6 |
8 |
10 |
12 |
16 |
|
|
20 |
4,54 |
6,80 |
- |
- |
- |
- |
- |
|
(22) |
4,97 |
7,41 |
- |
- |
- |
- |
- |
|
25 |
5,70 |
8,36 |
14,00 |
- |
- |
- |
- |
|
(28) |
6,44 |
9,35 |
15,60 |
- |
- |
- |
- |
|
(30) |
6,95 |
10,04 |
16,70 |
26,50 |
39,21 |
56,86 |
- |
|
32 |
7,48 |
10,74 |
17,82 |
28,14 |
41,47 |
59,83 |
- |
|
(36) |
8,37 |
11,90 |
19,05 |
30,77 |
45,07 |
64,53 |
- |
|
40 |
9,75 |
13,74 |
22,55 |
34,99 |
50,85 |
72,12 |
145,2 |
|
(45) |
11,32 |
15,77 |
25,70 |
39,51 |
56,09 |
80,12 |
160,3 |
|
50 |
12,99 |
17,93 |
29,02 |
44,22 |
63,35 |
88,38 |
175,7 |
|
(56) |
14,78 |
20,22 |
32,49 |
49,13 |
69,94 |
96,88 |
191,4 |
|
63 |
17,91 |
24,18 |
38,41 |
57,41 |
80,97 |
111,06 |
216,8 |
|
71 |
- |
27,92 |
43,92 |
65,03 |
91,07 |
123,96 |
240,8 |
|
80 |
- |
- |
52,42 |
76,67 |
106,34 |
143,36 |
275,6 |
|
(90) |
- |
- |
- |
- |
122,60 |
163,87 |
311,8 |
|
100 |
- |
- |
- |
- |
- |
- |
349,5 |
Примечание. Болты с размерами длин, заключенными в скобки, применять не рекомендуется.
Пример условного обозначения болта диаметром резьбы d = 12 мм с крупным шагом резьбы, с полем допуска 8g, длиной конусной части l = 50 мм, класса прочности 5,8, без покрытия:
Болт M12´50.58 ГОСТ 15163-78
То же, с мелким шагом резьбы, с полем допуска 6g, класса прочности 10,9, с покрытием 0,1, толщиной покрытия 3 мкм:
Болт M12´1,25-6g´50.109.013 ГОСТ 15163-78
3. Резьба - по ГОСТ 24705-2004, поля допусков 8g или 6g - по ГОСТ 16093-2004.
4. Размеры сбегов и недорезов резьбы - по ГОСТ 10549-80.
5. Допускается по согласованию между изготовителем и потребителем изготовлять:
болты со сферическим концом (высотой сферической части, равной величине фаски с);
болты без шлица;
болты с контровочным отверстием на конце.
6. Допуски на угловые размеры конусной части болта - по 6-й степени точности ГОСТ 8908-81.
7. Технические требования - по ГОСТ 1759.0-87.
8. Механические свойства должны соответствовать классам прочности 5.8 - 12.9 для болтов из углеродистых и легированных сталей и группам 23 - 26 для болтов из жаропрочных коррозионностойких сталей (ГОСТ 1759.4-87).
9. Методы испытаний - по ГОСТ 1759.4-87 (кроме испытаний на прочность соединения головки со стержнем и испытаний на разрыв на косой шайбе).
10. Правила приемки - по ГОСТ 17769-83.