Screw ties for machine retaining devices. Design and dimensions

МЕЖГОСУДАРСТВЕННЫЙ СТАНДАРТ

 

РАСПОРКИ ВИНТОВЫЕ ДЛЯ СТАНОЧНЫХ
ПРИСПОСОБЛЕНИЙ

КОНСТРУКЦИЯ

 

 

 

ИПК ИЗДАТЕЛЬСТВО СТАНДАРТОВ

Москва

 

МЕЖГОСУДАРСТВЕННЫЙ СТАНДАРТ

РАСПОРКИ ВИНТОВЫЕ ДЛЯ СТАНОЧНЫХ ПРИСПОСОБЛЕНИЙ

Конструкция

Screw ties for machine retaining devices.

Design

ГОСТ
1560-67

Дата введения 01.01.68

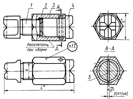
1. КОНСТРУКЦИЯ И РАЗМЕРЫ. РАСПОРКИ ВИНТОВЫЕ

1.1. Конструкция и размеры винтовых распорок должны соответствовать указанным на черт. 1 и в табл. 1.

* Размеры для справок.

Черт. 1

Таблица 1

Размеры в мм

Обозначение распорок

Применяемость

L

d (пред. откл. по 6g)

S

Масса, кг

Поз. 1. Винт

Поз. 2. Шайба

Поз. 3. Гайка

Поз. 4. Пята

Поз. 5. Штифт цилиндрический по ГОСТ 3128

Количество

наим.

наиб.

1

1

1

1

1

Обозначение деталей

7030-0221

 

65

82

М20

32

0,401

7030-0221/001

7030-0221/002

7030-0221/003

7030-0221/004

3m6´25

7030-0222

 

80

102

0,546

7030-0222/001

7030-0222/003

7030-0223

 

100

127

0,709

7030-0223/001

7030-0223/003

7030-0224

 

125

162

0,895

7030-0224/001

7030-0224/003

7030-0225

 

160

202

1,072

7030-0225/001

7030/0225/003

7030-0226

 

200

252

1,250

7030-0226/001

7030/0226/003

7030-0227

 

250

322

М24

36

1,428

7030-0227/001

7030-0227/002

7030-0227/003

7030-0227/004

3m6´30

7030-0228

 

320

402

1,605

7030-0228/001

7030-0228/003

7030-0229

 

400

502

1,783

7030-0229/001

7030-0229/003

Пример условного обозначения винтовой распорки размером Lнаим = 65 мм:

Распорка 7030-0221 ГОСТ 1560-67

(Измененная редакция, Изм. № 1, 2).

1.2. Маркировать: обозначение распорки и обозначение стандарта.

(Измененная редакция, Изм. № 2).

1.3. Пример применения винтовых распорок приведен в приложении.

(Введен дополнительно, Изм. 2).

2. КОНСТРУКЦИЯ И РАЗМЕРЫ ВИНТА (поз. 1)

2.1. Конструкция и размеры винта должны соответствовать указанным на черт. 2 и в табл. 2.

Черт. 2

Таблица 2

Размеры в мм

Обозначение винтов

L

l

l1

d

Масса, кг ≈

7030-0221/001

46

10

10

М20

0,156

7030-0222/001

60

20

18

0,170

7030-0223/001

80

35

25

0,241

7030-0224/001

105

50

0,312

7030-0225/001

140

80

0,423

7030-0226/001

180

110

0,632

7030-0227/001

230

135

М24

0,774

7030-0228/001

300

195

1,324

7030-0229/001

380

255

1,465

Пример условного обозначения винта размером L = 46 мм:

Винт 7030-0221/001 ГОСТ 1560-67

(Измененная редакция, Изм. № 1, 2).

2.2. Материал - сталь марки 45 по ГОСТ 1050.

Допускается замена на стали других марок с механическими свойствами не ниже, чем у стали марки 45.

2.3. Твердость - 41,5 ... 46,5 HRCэ, выступ диаметром 10h12 отпустить до твердости НВ 75 ... 100.

2.4. Неуказанные предельные отклонения размеров: Н14, h14, .

2.5. Резьба метрическая - по ГОСТ 24705. Поле допуска резьбы - 6g по ГОСТ 16093.

2.3 - 2.5. (Измененная редакция, Изм. № 2).

2.6. Размеры проточек и фасок для резьбы - по ГОСТ 10549.

(Измененная редакция, Изм. № 1).

2.7. (Исключен, Изм. № 1).

2.8. Покрытие - Хим. Окс. прм (обозначение покрытия - по ГОСТ 9.306).

(Измененная редакция, Изм. № 2).

3. КОНСТРУКЦИЯ И РАЗМЕРЫ ШАЙБЫ (поз. 2)

3.1. Конструкция и размеры шайбы должны соответствовать указанным на черт. 3 и в табл. 3.

Черт. 3

Таблица 3

Обозначение шайб

D, мм

Масса, кг ≈

7030-0221/002

21

0,006

7030-0227/002

25

0,009

Пример условного обозначения шайбы размером D = 21 мм:

Шайба 7030-0221/002 ГОСТ 1560-67

(Измененная редакция, Изм. № 1, 2).

3.2. Материал - сталь марки 45 по ГОСТ 1050.

Допускается замена на стали других марок с механическими свойствами не ниже, чем у стали марки 45.

3.3. Твердость - HRC 35 ... 40.

3.4. Неуказанные предельные отклонения размеров: h14, .

(Измененная редакция, Изм. № 2).

3.5. (Исключен, Изм. № 1).

3.6. Покрытие - Хим. Окс. прм (обозначение покрытия - по ГОСТ 9.306).

(Измененная редакция, Изм. № 2).

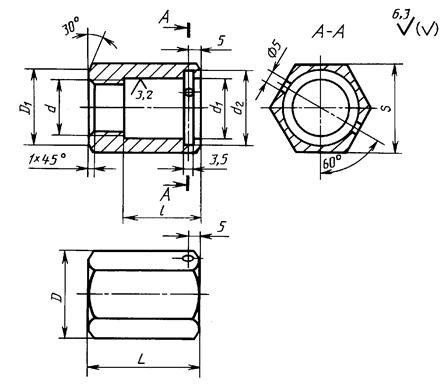
4. КОНСТРУКЦИЯ И РАЗМЕРЫ ГАЙКИ (поз. 3)

4.1. Конструкция и размеры гайки должны соответствовать указанным на черт. 4 и в табл. 4.

Черт. 4

Таблица 4

Размеры в мм

Обозначение гаек

L

l

D

D1

d

d1 (пред. откл. по H11)

d2

S (пред. откл. по h13)

Масса, кг ≈

7030-0221/003

45

33

36,9

30,4

М20

22

28

32

0,186

7030-0222/003

50

35

0,203

7030-0223/003

55

40

0,254

7030-0224/003

65

50

0,288

7030-0225/003

70

55

0,325

7030-0226/003

80

65

0,384

7030-0227/003

105

85

41,6

34,2

М24

26

32

36

0,423

7030-0228/003

115

95

0,486

7030-0229/003

135

115

0,535

Пример условного обозначения гайки размером L = 45 мм:

Гайка 7030-0221/003 ГОСТ 1560-67

(Измененная редакция, Изм. № 1, 2).

4.2. Материал - сталь марки 45 по ГОСТ 1050.

Допускается замена на стали других марок с механическими свойствами не ниже, чем у стали марки 45.

4.3. Твердость - 32 ... 37 HRCэ.

4.4. Неуказанные предельные отклонения размеров: Н14, h14, .

4.5. Резьба метрическая - по ГОСТ 24705. Поле допуска резьбы - 6Н по ГОСТ 16093.

4.3 - 4.5. (Измененная редакция, Изм. № 2).

4.6. Размеры фасок для резьбы - по ГОСТ 10549.

(Измененная редакция, Изм. № 1).

4.7. (Исключен, Изм. № 1).

4.8. Покрытие - Хим. Окс. прм (обозначение покрытия - по ГОСТ 9.306).

(Измененная редакция, Изм. № 2).

5. КОНСТРУКЦИЯ И РАЗМЕРЫ ПЯТЫ (поз. 4)

5.1. Конструкция и размеры пяты должны соответствовать указанным на черт. 5 и в табл. 5.

Черт. 5

Таблица 5

Размеры в мм

Обозначение пят

D

d (пред. откл. по d11)

Масса, кг ≈

7030-0221/004

30

22

0,078

7030-0227/004

34

26

0,105

Пример условного обозначения пяты размером D = 30 мм:

Пята 7030-0221/004 ГОСТ 1560-67

(Измененная редакция, Изм. № 1, 2).

5.2. Материал - сталь марки 45 по ГОСТ 1050.

Допускается замена на стали других марок с механическими свойствами не ниже, чем у стали марки 45.

5.3. Твердость головки пяты - 41,5 ... 46,5 HRCэ.

5.4. Неуказанные предельные отклонения размеров: Н14, h14, .

(Измененная редакция, Изм. № 1, 2).

5.5. (Исключен, Изм. № 1).

5.6. Покрытие - Хим. Окс. прм (обозначение покрытия - по ГОСТ 9.306).

(Измененная редакция, Изм. № 2).

ПРИЛОЖЕНИЕ

Справочное

Пример применения винтовых распорок

 

ИНФОРМАЦИОННЫЕ ДАННЫЕ

1. РАЗРАБОТАН И ВНЕСЕН Комитетом стандартов, мер и измерительных приборов при Совете Министров СССР

Министерством станкостроительной и инструментальной промышленности СССР

РАЗРАБОТЧИКИ

В.В. Андреев, В.Н. Дзегиленок, канд. техн. наук, Л.А. Гуслиская, А.В. Орса, Р.П. Смирнова, А.З. Старосельский (руководитель темы), Г.К. Хорькова

2. УТВЕРЖДЕН И ВВЕДЕН В ДЕЙСТВИЕ Постановлением Комитета стандартов, мер и измерительных приборов при Совете Министров СССР от 19.05.67 № 855

3. ВЗАМЕН ГОСТ 1560-42 7030-0220

4. ССЫЛОЧНЫЕ НОРМАТИВНО-ТЕХНИЧЕСКИЕ ДОКУМЕНТЫ

Обозначение НТД, на который дана ссылка

Номер пункта

ГОСТ 9.306-85

2.8; 3.6; 4.8; 5.6

ГОСТ 1050-88

2.2; 3.2; 4.2; 5.2

ГОСТ 3128-70

1.1

ГОСТ 10549-80

2.6; 4.6

ГОСТ 16093-81

2.5; 4.5

ГОСТ 24705-81

2.5; 4.5

5. Ограничение срока действия снято Постановлением Госстандарта СССР от 17.03.88 № 576

6. ИЗДАНИЕ (январь 2000 г.) с Изменениями № 1, 2, утвержденными в июне 1980 г., марте 1988 г. (ИУС 9-80, 6-88)

 

СОДЕРЖАНИЕ

1. Конструкция и размеры. Распорки винтовые. 1

2. Конструкция и размеры винта (поз. 1) 2

3. Конструкция и размеры шайбы (поз. 2) 3

4. Конструкция и размеры гайки (поз. 3) 4

5. Конструкция и размеры пяты (поз. 4) 5

Приложение. Пример применения винтовых распорок. 6