
ГОСУДАРСТВЕННЫЙ СТАНДАРТ СОЮЗА ССР
УГОЛЬНИКИ ФЛАНЦЕВЫЕ С УГЛОМ НАКЛОНА 135°
ГЕРМЕТИЗИРУЕМЫЕ ДЛЯ СОЕДИНЕНИЙ
ТРУБОПРОВОДОВ ПО ВНУТРЕННЕМУ КОНУСУ
Конструкция и размеры
ГОСТ 16057-70
ГОСУДАРСТВЕННЫЙ КОМИТЕТ СССР ПО СТАНДАРТАМ
МОСКВА
ГОСУДАРСТВЕННЫЙ СТАНДАРТ СОЮЗА ССР
|
Конструкция и размеры Hermetable
flange union elbows with slope angle 135° |
ГОСТ |
Постановлением Комитета стандартов, мер и измерительных приборов при Совете Министров СССР от 5 июня 1970 г. № 839 срок введения установлен
с 01.01.71
Несоблюдение стандарта преследуется по закону
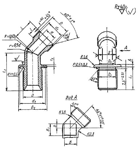
1. Конструкция и размеры фланцевых угольников должны соответствовать указанным на чертеже и в таблице.
Размеры, мм
|
d |
d1 |
d2 |
Резьба D |
D1 |
D2 |
D3 |
S |
l |
l1 |
L |
L1 |
h |
s1 |
в |
В |
В1 |
Масса 100 шт. в кг |
|
|
Пред. откл. |
||||||||||||||||||
|
± 0,4 |
± 0,2 |
|||||||||||||||||
|
6 |
4 |
11,0 |
20 |
М14´1,5 |
9 |
23 |
11,8 |
12 |
9 |
25 |
18 |
36 |
3 |
1,5 |
2 |
5 |
6 |
3,58 |
|
8 |
6 |
13,0 |
22 |
М16´1,5 |
11 |
25 |
13,8 |
14 |
7 |
7 |
4,90 |
|||||||
|
10 |
8 |
15,0 |
25 |
М18´1,5 |
13 |
28 |
15,8 |
19 |
38 |
3 |
9 |
9 |
6,18 |
|||||
|
12 |
10 |
17,0 |
27 |
М20´1,5 |
15 |
30 |
17,8 |
17 |
20 |
40 |
4 |
10 |
10 |
7,42 |
||||
|
14 |
12 |
19,0 |
30 |
М22´1,5 |
17 |
33 |
19,8 |
19 |
22 |
42 |
13 |
13 |
9,30 |
|||||
|
16 |
14 |
21,0 |
32 |
M24´1,5 |
19 |
35 |
21,8 |
22 |
11 |
28 |
24 |
46 |
5 |
15 |
15 |
11,53 |
||
|
18 |
16 |
24,0 |
35 |
М27´1,5 |
22 |
38 |
24,8 |
24 |
29 |
48 |
17 |
16 |
14,30 |
|||||
|
20 |
18 |
27,0 |
38 |
М30´1,5 |
24 |
41 |
27,8 |
27 |
30 |
26 |
50 |
6 |
18 |
18 |
16,41 |
|||
|
22 |
20 |
29,0 |
40 |
М33´1,5 |
26 |
43 |
30,8 |
12 |
31 |
28 |
52 |
4 |
2,5 |
20 |
19,00 |
|||
|
24 |
22 |
28 |
30 |
7 |
22 |
21 |
21,50 |
|||||||||||
|
25 |
23 |
32,0 |
42 |
М36´1,5 |
29 |
46 |
33,8 |
13 |
33 |
31 |
56 |
22,90 |
||||||
|
28 |
26 |
35,0 |
45 |
М39´1,5 |
32 |
49 |
36,8 |
32 |
32 |
58 |
8 |
25 |
22 |
28,10 |
||||
|
30 |
28 |
35,5 |
34 |
36 |
9 |
28 |
25 |
30,30 |
||||||||||
|
32 |
30 |
38,0 |
52 |
М42´1,5 |
37 |
56 |
39,8 |
41 |
33 |
30 |
34,10 |
|||||||
|
34 |
32 |
41,0 |
55 |
М45´1,5 |
39 |
59 |
42,8 |
34 |
60 |
10 |
26 |
36,25 |
||||||
|
36 |
34 |
44,0 |
60 |
M48´1,5 |
41 |
64 |
45,8 |
46 |
36 |
28 |
40,60 |
|||||||
|
38 |
36 |
43 |
43,40 |
|||||||||||||||
2. Материал: штамповки из стали марок 45, 38ХА, 12Х18Н9Т (Х18Н9Т), 13Х11Н2В2МФ (1Х12Н2ВМФ).
3. Технические требования - по ГОСТ 16078-70.
Пример условного обозначения фланцевого угольника к трубопроводу Dн 16 из стали марки 45:
Угольник фланцевый 16-022 ГОСТ 16057-70
То же, из стали марки 38ХА:
Угольник фланцевый 16-021 ГОСТ 16057-70
То же, из стали марки 12Х18Н9Т:
Угольник фланцевый 16-012 ГОСТ 16057-70
То же, из стали марки 13Х11Н2В2МФ:
Угольник фланцевый 16-011 ГОСТ 16057-70
То же, для изделий авиационной и общей техники:
Угольник фланцевый 16-022А ГОСТ 16057-70
Угольник фланцевый 16-021А ГОСТ 16057-70
Угольник фланцевый 16-012А ГОСТ 16057-70
Угольник фланцевый 16-011А ГОСТ 16057-70